← Генератор Г130 (Рис. 107) Реле-регулятор РР130 (Рис. 109) →
Реле-регулятор РР51 (Рис. 108) УРАЛ-375
  Номер детали Наименование детали  
РР20-3702547 Сопротивление 15ом
Подробнее
Дополнительная информация:
Кол-во на "375, 375Д, 377, 375С, 377С, 375А" 2
Модель Р Р 20
Группа Электрооборудование
Подгруппа Реле-регулятор (напряжения)
Порядковый номер детали 547
РР23-3702542 Сопротивление 80ом
Подробнее
Дополнительная информация:
Кол-во на "375, 375Д, 377, 375С, 377С, 375А" 1
Модель Р Р 23
Группа Электрооборудование
Подгруппа Реле-регулятор (напряжения)
Порядковый номер детали 542
РР23-3702547 Сопротивление 35ом
Подробнее
Дополнительная информация:
Кол-во на "375, 375Д, 377, 375С, 377С, 375А" 1
Модель Р Р 23
Группа Электрооборудование
Подгруппа Реле-регулятор (напряжения)
Порядковый номер детали 547
РР23-3702549 Сопротивление 80ом
Подробнее
Дополнительная информация:
Кол-во на "375, 375Д, 377, 375С, 377С, 375А" 1
Модель Р Р 23
Группа Электрооборудование
Подгруппа Реле-регулятор (напряжения)
Порядковый номер детали 549
РР23-3702550 Сопротивление 15ом
Подробнее
Дополнительная информация:
Кол-во на "375, 375Д, 377, 375С, 377С, 375А" 1
Модель Р Р 23
Группа Электрооборудование
Подгруппа Реле-регулятор (напряжения)
Порядковый номер детали 550
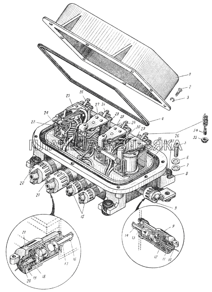
1 РР51-3702003 Крышка реле-регулятора
Подробнее
Дополнительная информация:
Кол-во на "375, 375Д, 377, 375С, 377С, 375А" 1
Модель Р Р 51
Группа Электрооборудование
Подгруппа Реле-регулятор (напряжения)
Порядковый номер детали 003
2 МХ-0093 Винт крепления крышки
Подробнее
Дополнительная информация:
Кол-во на "375, 375Д, 377, 375С, 377С, 375А" 8
3 Х-4001 Шайба пружинная
Подробнее
Дополнительная информация:
Кол-во на "375, 375Д, 377, 375С, 377С, 375А" 8
4 РР51-3702015 Кольцо уплотнительное крышки
Подробнее
Дополнительная информация:
Кол-во на "375, 375Д, 377, 375С, 377С, 375А" 1
Модель Р Р 51
Группа Электрооборудование
Подгруппа Реле-регулятор (напряжения)
Порядковый номер детали 015
5 220109-П8 Винт М6х22 крепления реле-регулятора
Подробнее
Дополнительная информация:
Кол-во на "375, 375Д, 377, 375С, 377С, 375А" 4
Покрытие цинкование
6 339417-П29 Шайба пружинная 7,6
Подробнее
Дополнительная информация:
Кол-во на "375, 375Д, 377, 375С, 377С, 375А" 4
Покрытие цинкование и пассивирование (цинковое с хроматированием)
7 252004-П8 Шайба 6
Подробнее
Дополнительная информация:
Кол-во на "375, 375Д, 377, 375С, 377С, 375А" 3
Покрытие цинкование
8 РР51-3702100 Основание реле-регулятора в сборе
Подробнее
Дополнительная информация:
Кол-во на "375, 375Д, 377, 375С, 377С, 375А" 1
Модель Р Р 51
Группа Электрооборудование
Подгруппа Реле-регулятор (напряжения)
Порядковый номер детали 100
9 РР51-3702009 Гайка специальная
Подробнее
Дополнительная информация:
Кол-во на "375, 375Д, 377, 375С, 377С, 375А" 1
Модель Р Р 51
Группа Электрооборудование
Подгруппа Реле-регулятор (напряжения)
Порядковый номер детали 009
10 Г54-3701018 Втулка конусная
Подробнее
Дополнительная информация:
Кол-во на "375, 375Д, 377, 375С, 377С, 375А" 3
Модель Р“54
Группа Электрооборудование
Подгруппа Генератор
Порядковый номер детали 018
11 Г54-3701017 Втулка конусная
Подробнее
Дополнительная информация:
Кол-во на "375, 375Д, 377, 375С, 377С, 375А" 3
Модель Р“54
Группа Электрооборудование
Подгруппа Генератор
Порядковый номер детали 017
12 РР51-3702025 Втулка уплотнительная
Подробнее
Дополнительная информация:
Кол-во на "375, 375Д, 377, 375С, 377С, 375А" 3
Модель Р Р 51
Группа Электрооборудование
Подгруппа Реле-регулятор (напряжения)
Порядковый номер детали 025
13 Г54-3701090 Втулка с кольцом в сборе
Подробнее
Дополнительная информация:
Кол-во на "375, 375Д, 377, 375С, 377С, 375А" 3
Модель Р“54
Группа Электрооборудование
Подгруппа Генератор
Порядковый номер детали 090
14 РР51-3702040 Вилка в сборе
Подробнее
Дополнительная информация:
Кол-во на "375, 375Д, 377, 375С, 377С, 375А" 3
Модель Р Р 51
Группа Электрооборудование
Подгруппа Реле-регулятор (напряжения)
Порядковый номер детали 040
15 Г54-3701009 Гайка специальная
Подробнее
Дополнительная информация:
Кол-во на "375, 375Д, 377, 375С, 377С, 375А" 2
Модель Р“54
Группа Электрооборудование
Подгруппа Генератор
Порядковый номер детали 009
16 Г54-3701030-А Вилка в сборе
Подробнее
Дополнительная информация:
Кол-во на "375, 375Д, 377, 375С, 377С, 375А" 2
Модель Р“54
Группа Электрооборудование
Подгруппа Генератор
Порядковый номер детали 030
Дополнительно Взаимозаменяема с деталью, выпущенной ранее под этим же номером
17 Г54-3701060 Втулка с кольцом в сборе
Подробнее
Дополнительная информация:
Кол-во на "375, 375Д, 377, 375С, 377С, 375А" 2
Модель Р“54
Группа Электрооборудование
Подгруппа Генератор
Порядковый номер детали 060
18 РР51-3702024 Втулка уплотнительная
Подробнее
Дополнительная информация:
Кол-во на "375, 375Д, 377, 375С, 377С, 375А" 2
Модель Р Р 51
Группа Электрооборудование
Подгруппа Реле-регулятор (напряжения)
Порядковый номер детали 024
19 Г54-3701015 Втулка конусная
Подробнее
Дополнительная информация:
Кол-во на "375, 375Д, 377, 375С, 377С, 375А" 2
Модель Р“54
Группа Электрооборудование
Подгруппа Генератор
Порядковый номер детали 015
20 Г54-3701016 Втулка конусная
Подробнее
Дополнительная информация:
Кол-во на "375, 375Д, 377, 375С, 377С, 375А" 2
Модель Р“54
Группа Электрооборудование
Подгруппа Генератор
Порядковый номер детали 016
21 Г54-3701008 Гайка специальная
Подробнее
Дополнительная информация:
Кол-во на "375, 375Д, 377, 375С, 377С, 375А" 1
Модель Р“54
Группа Электрооборудование
Подгруппа Генератор
Порядковый номер детали 008
22 РР21-3702009 Гайка специальная
Подробнее
Дополнительная информация:
Кол-во на "375, 375Д, 377, 375С, 377С, 375А" 1
Модель Р Р 21
Группа Электрооборудование
Подгруппа Реле-регулятор (напряжения)
Порядковый номер детали 009
23 РР20-3702440 Держатель с вольфрамовым контактом реле обратного тока и регуляторов напряжения в сборе
Подробнее
Дополнительная информация:
Кол-во на "375, 375Д, 377, 375С, 377С, 375А" 3
Модель Р Р 20
Группа Электрооборудование
Подгруппа Реле-регулятор (напряжения)
Порядковый номер детали 440
24 РР8-3702200 Ярмо с обмотками реле обратного тока в сборе
Подробнее
Дополнительная информация:
Кол-во на "375, 375Д, 377, 375С, 377С, 375А" 1
Модель Р Р 8
Группа Электрооборудование
Подгруппа Реле-регулятор (напряжения)
Порядковый номер детали 200
25 РР23-3702205 Якорь реле обратного тока в сборе
Подробнее
Дополнительная информация:
Кол-во на "375, 375Д, 377, 375С, 377С, 375А" 1
Модель Р Р 23
Группа Электрооборудование
Подгруппа Реле-регулятор (напряжения)
Порядковый номер детали 205
26 РР20-3702418 Пружина
Подробнее
Дополнительная информация:
Кол-во на "375, 375Д, 377, 375С, 377С, 375А" 4
Модель Р Р 20
Группа Электрооборудование
Подгруппа Реле-регулятор (напряжения)
Порядковый номер детали 418
27 РР23-3702305 Якорь ограничителя тока в сборе
Подробнее
Дополнительная информация:
Кол-во на "375, 375Д, 377, 375С, 377С, 375А" 1
Модель Р Р 23
Группа Электрооборудование
Подгруппа Реле-регулятор (напряжения)
Порядковый номер детали 305
28 РР8-3702300 Ярмо с катушкой ограничителя тока в сборе
Подробнее
Дополнительная информация:
Кол-во на "375, 375Д, 377, 375С, 377С, 375А" 1
Модель Р Р 8
Группа Электрооборудование
Подгруппа Реле-регулятор (напряжения)
Порядковый номер детали 300
29 РР23-3702420 Якорь регуляторов напряжения в сборе
Подробнее
Дополнительная информация:
Кол-во на "375, 375Д, 377, 375С, 377С, 375А" 2
Модель Р Р 23
Группа Электрооборудование
Подгруппа Реле-регулятор (напряжения)
Порядковый номер детали 420
30 РР23-3702400-Б Ярмо с шунтовой катушкой I регулятора напряжения в сборе
Подробнее
Дополнительная информация:
Кол-во на "375, 375Д, 377, 375С, 377С, 375А" 1
Модель Р Р 23
Группа Электрооборудование
Подгруппа Реле-регулятор (напряжения)
Порядковый номер детали 400
Дополнительно Взаимозаменяема с деталью, выпущенной ранее под этим же номером
31 РР23-3702700 Ярмо с шунтовой катушкой II регулятора напряжения в сборе
Подробнее
Дополнительная информация:
Кол-во на "375, 375Д, 377, 375С, 377С, 375А" 1
Модель Р Р 23
Группа Электрооборудование
Подгруппа Реле-регулятор (напряжения)
Порядковый номер детали 700
32 РР8-3702500 Панель реле-регулятора в сборе
Подробнее
Дополнительная информация:
Кол-во на "375, 375Д, 377, 375С, 377С, 375А" 1
Модель Р Р 8
Группа Электрооборудование
Подгруппа Реле-регулятор (напряжения)
Порядковый номер детали 500
33 РР20-3702006-Б Втулка амортизационная
Подробнее
Дополнительная информация:
Кол-во на "375, 375Д, 377, 375С, 377С, 375А" 4
Модель Р Р 20
Группа Электрооборудование
Подгруппа Реле-регулятор (напряжения)
Порядковый номер детали 006
Дополнительно Взаимозаменяема с деталью, выпущенной ранее под этим же номером
34 РР20-3702215 Винт регулировочный
Подробнее
Дополнительная информация:
Кол-во на "375, 375Д, 377, 375С, 377С, 375А" 4
Модель Р Р 20
Группа Электрооборудование
Подгруппа Реле-регулятор (напряжения)
Порядковый номер детали 215
35 РР20-3702214 Гайка регулировочная
Подробнее
Дополнительная информация:
Кол-во на "375, 375Д, 377, 375С, 377С, 375А" 4
Модель Р Р 20
Группа Электрооборудование
Подгруппа Реле-регулятор (напряжения)
Порядковый номер детали 214