← Водоотделитель Регулятор давления с предохранительным клапаном →
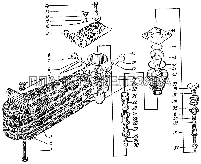
Влагомаслоотделитель с регулятором давления КрАЗ-6443
  Номер детали Наименование детали  
14.3512009 Ремкомплект
Подробнее
Дополнительная информация:
Кол-во на "6443, 644301, 65032, 650321" 1
Модель 14
Группа Тормоза
Подгруппа Регулятор давления
Порядковый номер детали 009
14.3512010 Влагомаслоотделитель с регулятором давления
Подробнее
Дополнительная информация:
Кол-во на "6443, 644301, 65032, 650321" 1
Модель 14
Группа Тормоза
Подгруппа Регулятор давления
Порядковый номер детали 010
1 11.3522088-10 Болт
Подробнее
Дополнительная информация:
Кол-во на "6443, 644301, 65032, 650321" 1
Модель 11
Группа Тормоза
Подгруппа Клапаны управления тормозами прицепа
Порядковый номер детали 088
Дополнительно Не взаимозаменяема с деталью, выпущенной ранее под этим же номером
2 11.3511059 Планка
Подробнее
Дополнительная информация:
Кол-во на "6443, 644301, 65032, 650321" 1
Модель 11
Группа Тормоза
Подгруппа 3511
Порядковый номер детали 059
3 11.3511057-10 Кронштейн
Подробнее
Дополнительная информация:
Кол-во на "6443, 644301, 65032, 650321" 1
Модель 11
Группа Тормоза
Подгруппа 3511
Порядковый номер детали 057
Дополнительно Не взаимозаменяема с деталью, выпущенной ранее под этим же номером
4 250510-П29 Гайка М8
Подробнее
Дополнительная информация:
Кол-во на "6443, 644301, 65032, 650321" 2
Покрытие цинкование и пассивирование (цинковое с хроматированием)
5 11.3511078 Кольцо уплотнительное золотника 5,0х1,75
Подробнее
Дополнительная информация:
Кол-во на "6443, 644301, 65032, 650321" 4
Модель 11
Группа Тормоза
Подгруппа 3511
Порядковый номер детали 078
6 14.3512104 Трубка
Подробнее
Дополнительная информация:
Кол-во на "6443, 644301, 65032, 650321" 2
Модель 14
Группа Тормоза
Подгруппа Регулятор давления
Порядковый номер детали 104
7 14.3512078 Пробка
Подробнее
Дополнительная информация:
Кол-во на "6443, 644301, 65032, 650321" 1
Модель 14
Группа Тормоза
Подгруппа Регулятор давления
Порядковый номер детали 078
8 008-012-25-2-2 Кольцо
Подробнее
Дополнительная информация:
Кол-во на "6443, 644301, 65032, 650321" 3
9 14.3512060 Крышка
Подробнее
Дополнительная информация:
Кол-во на "6443, 644301, 65032, 650321" 1
Модель 14
Группа Тормоза
Подгруппа Регулятор давления
Порядковый номер детали 060
10 252135-П2 Шайба 8 пружинная
Подробнее
Дополнительная информация:
Кол-во на "6443, 644301, 65032, 650321" 4
Покрытие фосфатирование и промасливание
11 14.3512128 Пыльник
Подробнее
Дополнительная информация:
Кол-во на "6443, 644301, 65032, 650321" 1
Модель 14
Группа Тормоза
Подгруппа Регулятор давления
Порядковый номер детали 128
12 201456-П29 Болт М8х1,25х20
Подробнее
Дополнительная информация:
Кол-во на "6443, 644301, 65032, 650321" 4
Покрытие цинкование и пассивирование (цинковое с хроматированием)
  Код Название Артикул Цена
Болт М8х20 091585 Болт М8х20 201456-П29 6,00 р.
13 14.3512106 Гайка
Подробнее
Дополнительная информация:
Кол-во на "6443, 644301, 65032, 650321" 1
Модель 14
Группа Тормоза
Подгруппа Регулятор давления
Порядковый номер детали 106
14 11.3512028-01 Болт регулировочный
Подробнее
Дополнительная информация:
Кол-во на "6443, 644301, 65032, 650321" 1
Модель 11
Группа Тормоза
Подгруппа Регулятор давления
Порядковый номер детали 028
15 14.3512108 Упор
Подробнее
Дополнительная информация:
Кол-во на "6443, 644301, 65032, 650321" 1
Модель 14
Группа Тормоза
Подгруппа Регулятор давления
Порядковый номер детали 108
16 12.3512056 Пружина
Подробнее
Дополнительная информация:
Кол-во на "6443, 644301, 65032, 650321" 1
Модель 12
Группа Тормоза
Подгруппа Регулятор давления
Порядковый номер детали 056
17 12.3512054 Клапан
Подробнее
Дополнительная информация:
Кол-во на "6443, 644301, 65032, 650321" 1
Модель 12
Группа Тормоза
Подгруппа Регулятор давления
Порядковый номер детали 054
18 14.3512050 Корпус
Подробнее
Дополнительная информация:
Кол-во на "6443, 644301, 65032, 650321" 1
Модель 14
Группа Тормоза
Подгруппа Регулятор давления
Порядковый номер детали 050
19 14.3512126 Колпак
Подробнее
Дополнительная информация:
Кол-во на "6443, 644301, 65032, 650321" 1
Модель 14
Группа Тормоза
Подгруппа Регулятор давления
Порядковый номер детали 126
20 100-3522069 О-образное кольцо 15,3х2,4
Подробнее
Дополнительная информация:
Кол-во на "6443, 644301, 65032, 650321" 1
Модель 100
Группа Тормоза
Подгруппа Клапаны управления тормозами прицепа
Порядковый номер детали 069
21 14.3512082 Поршень
Подробнее
Дополнительная информация:
Кол-во на "6443, 644301, 65032, 650321" 1
Модель 14
Группа Тормоза
Подгруппа Регулятор давления
Порядковый номер детали 082
22 011-014-19-2-2 Кольцо
Подробнее
Дополнительная информация:
Кол-во на "6443, 644301, 65032, 650321" 1
23 14.3512040 Шток
Подробнее
Дополнительная информация:
Кол-во на "6443, 644301, 65032, 650321" 1
Модель 14
Группа Тормоза
Подгруппа Регулятор давления
Порядковый номер детали 040
24 11.3515176 Шайба
Подробнее
Дополнительная информация:
Кол-во на "6443, 644301, 65032, 650321" 1
Модель 11
Группа Тормоза
Подгруппа Клапан-ограничитель падения давления (аппар. контрольно-предохранительная)
Порядковый номер детали 176
25 14.3512048 Пружина
Подробнее
Дополнительная информация:
Кол-во на "6443, 644301, 65032, 650321" 1
Модель 14
Группа Тормоза
Подгруппа Регулятор давления
Порядковый номер детали 048
26 14.3512046 Окно
Подробнее
Дополнительная информация:
Кол-во на "6443, 644301, 65032, 650321" 1
Модель 14
Группа Тормоза
Подгруппа Регулятор давления
Порядковый номер детали 046
27 14.3512042 Клапан
Подробнее
Дополнительная информация:
Кол-во на "6443, 644301, 65032, 650321" 1
Модель 14
Группа Тормоза
Подгруппа Регулятор давления
Порядковый номер детали 042
28 14.3512044 Корпус клапана
Подробнее
Дополнительная информация:
Кол-во на "6443, 644301, 65032, 650321" 1
Модель 14
Группа Тормоза
Подгруппа Регулятор давления
Порядковый номер детали 044
29 252134-П2 Шайба 6 пружинная
Подробнее
Дополнительная информация:
Кол-во на "6443, 644301, 65032, 650321" 1
Покрытие фосфатирование и промасливание
30 250508-П29 Гайка М6-6Н
Подробнее
Дополнительная информация:
Кол-во на "6443, 644301, 65032, 650321" 1
Покрытие цинкование и пассивирование (цинковое с хроматированием)
31 14.3512076 Конус
Подробнее
Дополнительная информация:
Кол-во на "6443, 644301, 65032, 650321" 1
Модель 14
Группа Тормоза
Подгруппа Регулятор давления
Порядковый номер детали 076
32 14.3512072 Клапан
Подробнее
Дополнительная информация:
Кол-во на "6443, 644301, 65032, 650321" 1
Модель 14
Группа Тормоза
Подгруппа Регулятор давления
Порядковый номер детали 072
33 14.3512074 Опора
Подробнее
Дополнительная информация:
Кол-во на "6443, 644301, 65032, 650321" 1
Модель 14
Группа Тормоза
Подгруппа Регулятор давления
Порядковый номер детали 074
34 14.3512068 Пружина
Подробнее
Дополнительная информация:
Кол-во на "6443, 644301, 65032, 650321" 1
Модель 14
Группа Тормоза
Подгруппа Регулятор давления
Порядковый номер детали 068
35 14.3512070 Гильза
Подробнее
Дополнительная информация:
Кол-во на "6443, 644301, 65032, 650321" 1
Модель 14
Группа Тормоза
Подгруппа Регулятор давления
Порядковый номер детали 070
36 14.3512014 Пружина
Подробнее
Дополнительная информация:
Кол-во на "6443, 644301, 65032, 650321" 1
Модель 14
Группа Тормоза
Подгруппа Регулятор давления
Порядковый номер детали 014
37 14.3512015 Пружина
Подробнее
Дополнительная информация:
Кол-во на "6443, 644301, 65032, 650321" 1
Модель 14
Группа Тормоза
Подгруппа Регулятор давления
Порядковый номер детали 015
38 14.3512026 Тарелка пружины
Подробнее
Дополнительная информация:
Кол-во на "6443, 644301, 65032, 650321" 1
Модель 14
Группа Тормоза
Подгруппа Регулятор давления
Порядковый номер детали 026
39 14.3512053 Корпус
Подробнее
Дополнительная информация:
Кол-во на "6443, 644301, 65032, 650321" 1
Модель 14
Группа Тормоза
Подгруппа Регулятор давления
Порядковый номер детали 053
40 14.3512102 Уплотнитель
Подробнее
Дополнительная информация:
Кол-во на "6443, 644301, 65032, 650321" 1
Модель 14
Группа Тормоза
Подгруппа Регулятор давления
Порядковый номер детали 102
41 100-3522026 Кольцо 6,07х1,78
Подробнее
Дополнительная информация:
Кол-во на "6443, 644301, 65032, 650321" 1
Модель 100
Группа Тормоза
Подгруппа Клапаны управления тормозами прицепа
Порядковый номер детали 026
41 14.3512112 Прокладка
Подробнее
Дополнительная информация:
Кол-во на "6443, 644301, 65032, 650321" 1
Модель 14
Группа Тормоза
Подгруппа Регулятор давления
Порядковый номер детали 112
42 100-3414035 О-образное кольцо 54,2х3,0
Подробнее
Дополнительная информация:
Кол-во на "6443, 644301, 65032, 650321" 1
Модель 100
Группа Управление рулевое
Подгруппа Тяги рулевые
Порядковый номер детали 035
43 14.3512066 Поршень
Подробнее
Дополнительная информация:
Кол-во на "6443, 644301, 65032, 650321" 1
Модель 14
Группа Тормоза
Подгруппа Регулятор давления
Порядковый номер детали 066
44 100-3521128 О-образное кольцо 25,3х2,4
Подробнее
Дополнительная информация:
Кол-во на "6443, 644301, 65032, 650321" 1
Модель 100
Группа Тормоза
Подгруппа Головка соединительная пневмотормозов
Порядковый номер детали 128