← Масляный фильтр (центрифуга) (вариант 1) Установка масляного радиатора дизеля Д-245.12С →
Установка масляного фильтра (вариант 2) ЗИЛ-5301 (2006)
  Номер детали Наименование детали  
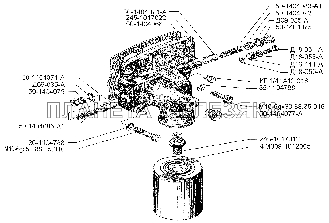
245-1017010-А Фильтр масляный в сборе
Подробнее
Дополнительная информация:
Кол-во на "5310АО, 5301АР, 5301БЕ, 5301БО, 5301В2, 5301В4, 5301ГО, 5301ДО, 5301Е2, 5301ЕЕ, 5301ИО, 5301КЕ, 5301К2, 5301К4, 5301МЕ, 5301М2, 5301ПО, 5301РО, 5301Р1, 5301ТО, 5301ЮО, 5301ЯО, 5301СС" 1
14218772
Примечание Нет
Модель 245
Группа Двигатель
Подгруппа Фильтр очистки масла центробежный
Порядковый номер детали 010
Дополнительно Взаимозаменяема с деталью, выпущенной ранее под этим же номером
245-1017012 Штуцер
Подробнее
Дополнительная информация:
Кол-во на "5310АО, 5301АР, 5301БЕ, 5301БО, 5301В2, 5301В4, 5301ГО, 5301ДО, 5301Е2, 5301ЕЕ, 5301ИО, 5301КЕ, 5301К2, 5301К4, 5301МЕ, 5301М2, 5301ПО, 5301РО, 5301Р1, 5301ТО, 5301ЮО, 5301ЯО, 5301СС" 1
14218773
Модель 245
Группа Двигатель
Подгруппа Фильтр очистки масла центробежный
Порядковый номер детали 012
245-1017015 Корпус фильтра в сборе
Подробнее
Дополнительная информация:
Кол-во на "5310АО, 5301АР, 5301БЕ, 5301БО, 5301В2, 5301В4, 5301ГО, 5301ДО, 5301Е2, 5301ЕЕ, 5301ИО, 5301КЕ, 5301К2, 5301К4, 5301МЕ, 5301М2, 5301ПО, 5301РО, 5301Р1, 5301ТО, 5301ЮО, 5301ЯО, 5301СС" 1
14218761
Модель 245
Группа Двигатель
Подгруппа Фильтр очистки масла центробежный
Порядковый номер детали 015
  Код Название Артикул Цена
Корпус ЗИЛ-5301,ГАЗ-3309 дв.245 фильтра масляного СБ Н/О 211819 Корпус ЗИЛ-5301,ГАЗ-3309 дв.245 фильтра масляного СБ Н/О 245-1017015 5 600,00 р.
245-1017022 Корпус фильтра
Подробнее
Дополнительная информация:
Кол-во на "5310АО, 5301АР, 5301БЕ, 5301БО, 5301В2, 5301В4, 5301ГО, 5301ДО, 5301Е2, 5301ЕЕ, 5301ИО, 5301КЕ, 5301К2, 5301К4, 5301МЕ, 5301М2, 5301ПО, 5301РО, 5301Р1, 5301ТО, 5301ЮО, 5301ЯО, 5301СС" 1
14218760
Модель 245
Группа Двигатель
Подгруппа Фильтр очистки масла центробежный
Порядковый номер детали 022
36-1104788 Прокладка
Подробнее
Дополнительная информация:
Кол-во на "5310АО, 5301АР, 5301БЕ, 5301БО, 5301В2, 5301В4, 5301ГО, 5301ДО, 5301Е2, 5301ЕЕ, 5301ИО, 5301КЕ, 5301К2, 5301К4, 5301МЕ, 5301М2, 5301ПО, 5301РО, 5301Р1, 5301ТО, 5301ЮО, 5301ЯО, 5301СС" 4
14218768
Модель 36
Группа Cистема питания двигателя
Подгруппа Трубопроводы топливные
Порядковый номер детали 788
Корпус ЗИЛ-5301,ГАЗ-3309 дв.245 фильтра масляного СБ Н/О 50-1404068 Прокладка
Подробнее
Дополнительная информация:
Кол-во на "5310АО, 5301АР, 5301БЕ, 5301БО, 5301В2, 5301В4, 5301ГО, 5301ДО, 5301Е2, 5301ЕЕ, 5301ИО, 5301КЕ, 5301К2, 5301К4, 5301МЕ, 5301М2, 5301ПО, 5301РО, 5301Р1, 5301ТО, 5301ЮО, 5301ЯО, 5301СС" 1
14218766
Модель 50
Группа Система управления двигателем электронная
Подгруппа 1404
Порядковый номер детали 068
  Код Название Артикул Цена
Прокладка ЗИЛ-5301,ГАЗ-3310 фильтра масляного к блоку 226805 Прокладка ЗИЛ-5301,ГАЗ-3310 фильтра масляного к блоку 50-1404068 145,00 р.
50-1404071-А Клапан
Подробнее
Дополнительная информация:
Кол-во на "5310АО, 5301АР, 5301БЕ, 5301БО, 5301В2, 5301В4, 5301ГО, 5301ДО, 5301Е2, 5301ЕЕ, 5301ИО, 5301КЕ, 5301К2, 5301К4, 5301МЕ, 5301М2, 5301ПО, 5301РО, 5301Р1, 5301ТО, 5301ЮО, 5301ЯО, 5301СС" 2
14218758
Модель 50
Группа Система управления двигателем электронная
Подгруппа 1404
Порядковый номер детали 071
Дополнительно Взаимозаменяема с деталью, выпущенной ранее под этим же номером
50-1404072 Пробка
Подробнее
Дополнительная информация:
Кол-во на "5310АО, 5301АР, 5301БЕ, 5301БО, 5301В2, 5301В4, 5301ГО, 5301ДО, 5301Е2, 5301ЕЕ, 5301ИО, 5301КЕ, 5301К2, 5301К4, 5301МЕ, 5301М2, 5301ПО, 5301РО, 5301Р1, 5301ТО, 5301ЮО, 5301ЯО, 5301СС" 1
14218762
Модель 50
Группа Система управления двигателем электронная
Подгруппа 1404
Порядковый номер детали 072
50-1404075 Пробка
Подробнее
Дополнительная информация:
Кол-во на "5310АО, 5301АР, 5301БЕ, 5301БО, 5301В2, 5301В4, 5301ГО, 5301ДО, 5301Е2, 5301ЕЕ, 5301ИО, 5301КЕ, 5301К2, 5301К4, 5301МЕ, 5301М2, 5301ПО, 5301РО, 5301Р1, 5301ТО, 5301ЮО, 5301ЯО, 5301СС" 2
14218763
Модель 50
Группа Система управления двигателем электронная
Подгруппа 1404
Порядковый номер детали 075
50-1404077-А Пробка
Подробнее
Дополнительная информация:
Кол-во на "5310АО, 5301АР, 5301БЕ, 5301БО, 5301В2, 5301В4, 5301ГО, 5301ДО, 5301Е2, 5301ЕЕ, 5301ИО, 5301КЕ, 5301К2, 5301К4, 5301МЕ, 5301М2, 5301ПО, 5301РО, 5301Р1, 5301ТО, 5301ЮО, 5301ЯО, 5301СС" 2
14218764
Модель 50
Группа Система управления двигателем электронная
Подгруппа 1404
Порядковый номер детали 077
Дополнительно Взаимозаменяема с деталью, выпущенной ранее под этим же номером
50-1404083-А1 Пружина
Подробнее
Дополнительная информация:
Кол-во на "5310АО, 5301АР, 5301БЕ, 5301БО, 5301В2, 5301В4, 5301ГО, 5301ДО, 5301Е2, 5301ЕЕ, 5301ИО, 5301КЕ, 5301К2, 5301К4, 5301МЕ, 5301М2, 5301ПО, 5301РО, 5301Р1, 5301ТО, 5301ЮО, 5301ЯО, 5301СС" 1
14218769
Модель 50
Группа Система управления двигателем электронная
Подгруппа 1404
Порядковый номер детали 083
Дополнительно Взаимозаменяема с деталью, выпущенной ранее под этим же номером
50-1404085-А1 Пружина
Подробнее
Дополнительная информация:
Кол-во на "5310АО, 5301АР, 5301БЕ, 5301БО, 5301В2, 5301В4, 5301ГО, 5301ДО, 5301Е2, 5301ЕЕ, 5301ИО, 5301КЕ, 5301К2, 5301К4, 5301МЕ, 5301М2, 5301ПО, 5301РО, 5301Р1, 5301ТО, 5301ЮО, 5301ЯО, 5301СС" 1
14218770
Модель 50
Группа Система управления двигателем электронная
Подгруппа 1404
Порядковый номер детали 085
Дополнительно Взаимозаменяема с деталью, выпущенной ранее под этим же номером
Д09-035-А Прокладка
Подробнее
Дополнительная информация:
Кол-во на "5310АО, 5301АР, 5301БЕ, 5301БО, 5301В2, 5301В4, 5301ГО, 5301ДО, 5301Е2, 5301ЕЕ, 5301ИО, 5301КЕ, 5301К2, 5301К4, 5301МЕ, 5301М2, 5301ПО, 5301РО, 5301Р1, 5301ТО, 5301ЮО, 5301ЯО, 5301СС" 2
14218767
Д16-111-А Втулка защитная
Подробнее
Дополнительная информация:
Кол-во на "5310АО, 5301АР, 5301БЕ, 5301БО, 5301В2, 5301В4, 5301ГО, 5301ДО, 5301Е2, 5301ЕЕ, 5301ИО, 5301КЕ, 5301К2, 5301К4, 5301МЕ, 5301М2, 5301ПО, 5301РО, 5301Р1, 5301ТО, 5301ЮО, 5301ЯО, 5301СС" 1
14218757
Прокладка ЗИЛ-5301,ГАЗ-3310 фильтра масляного к блоку Д18-051-А Болт поворотного угольника
Подробнее
Дополнительная информация:
Кол-во на "5310АО, 5301АР, 5301БЕ, 5301БО, 5301В2, 5301В4, 5301ГО, 5301ДО, 5301Е2, 5301ЕЕ, 5301ИО, 5301КЕ, 5301К2, 5301К4, 5301МЕ, 5301М2, 5301ПО, 5301РО, 5301Р1, 5301ТО, 5301ЮО, 5301ЯО, 5301СС" 1
14218756
  Код Название Артикул Цена
Болт ЗИЛ-5301 поворотного угольника ФТОТ 222332 Болт ЗИЛ-5301 поворотного угольника ФТОТ Д18-051-А 290,00 р.
Болт ЗИЛ-5301 поворотного угольника ФТОТ Д18-055-А Кольцо уплотнительное
Подробнее
Дополнительная информация:
Кол-во на "5310АО, 5301АР, 5301БЕ, 5301БО, 5301В2, 5301В4, 5301ГО, 5301ДО, 5301Е2, 5301ЕЕ, 5301ИО, 5301КЕ, 5301К2, 5301К4, 5301МЕ, 5301М2, 5301ПО, 5301РО, 5301Р1, 5301ТО, 5301ЮО, 5301ЯО, 5301СС" 2
14218759
  Код Название Артикул Цена
Кольцо Д-245 уплотнит.d=14мм медь ММЗ 629087 Кольцо Д-245 уплотнит.d=14мм медь ММЗ Д18-055-А 80,00 р.
КГ1/4"А12.016 Пробка
Подробнее
Дополнительная информация:
Кол-во на "5310АО, 5301АР, 5301БЕ, 5301БО, 5301В2, 5301В4, 5301ГО, 5301ДО, 5301Е2, 5301ЕЕ, 5301ИО, 5301КЕ, 5301К2, 5301К4, 5301МЕ, 5301М2, 5301ПО, 5301РО, 5301Р1, 5301ТО, 5301ЮО, 5301ЯО, 5301СС" 2
14218765
М10-6gх30.88.35.016 Болт
Подробнее
Дополнительная информация:
Кол-во на "5310АО, 5301АР, 5301БЕ, 5301БО, 5301В2, 5301В4, 5301ГО, 5301ДО, 5301Е2, 5301ЕЕ, 5301ИО, 5301КЕ, 5301К2, 5301К4, 5301МЕ, 5301М2, 5301ПО, 5301РО, 5301Р1, 5301ТО, 5301ЮО, 5301ЯО, 5301СС" 3
14218754
М10-6gх50.88.35.016 Болт
Подробнее
Дополнительная информация:
Кол-во на "5310АО, 5301АР, 5301БЕ, 5301БО, 5301В2, 5301В4, 5301ГО, 5301ДО, 5301Е2, 5301ЕЕ, 5301ИО, 5301КЕ, 5301К2, 5301К4, 5301МЕ, 5301М2, 5301ПО, 5301РО, 5301Р1, 5301ТО, 5301ЮО, 5301ЯО, 5301СС" 1
14218755
ФМ009-1012005 Фильтр
Подробнее
Дополнительная информация:
Кол-во на "5310АО, 5301АР, 5301БЕ, 5301БО, 5301В2, 5301В4, 5301ГО, 5301ДО, 5301Е2, 5301ЕЕ, 5301ИО, 5301КЕ, 5301К2, 5301К4, 5301МЕ, 5301М2, 5301ПО, 5301РО, 5301Р1, 5301ТО, 5301ЮО, 5301ЯО, 5301СС" 1
14218771
Примечание Нет
Модель ФМ009
Группа Двигатель
Подгруппа Насос масляный грубой очистки (полнопоточный ф.)
Порядковый номер детали 005