← Картер сцепления Установка педалей сцепления и тормоза →
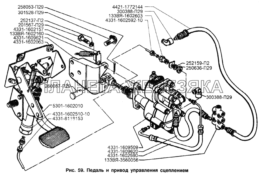
Педаль и привод управления сцеплением ЗИЛ-133Г40
  Номер детали Наименование детали  
133ВЯ-1602160 Пружина оттяжная рычага вилки выключения сцепления
Подробнее
Дополнительная информация:
Кол-во на "133Г40" 1
Модель 133Р’РЇ
Группа Сцепление
Подгруппа Педаль и привод управления сцеплением
Порядковый номер детали 160
  Код Название Артикул Цена
Пружина ЗИЛ-5301,4331,133ГЯ оттяжная ПГУ ЗИЛ АМО 079713 Пружина ЗИЛ-5301,4331,133ГЯ оттяжная ПГУ ЗИЛ АМО 133ВЯ-1602160 85,00 р.
133ВЯ-1602603 Штуцер соединительный привода управления сцеплением
Подробнее
Дополнительная информация:
Кол-во на "133Г40" 1
Модель 133Р’РЇ
Группа Сцепление
Подгруппа Педаль и привод управления сцеплением
Порядковый номер детали 603
133ВЯ-3560056 Коробка распределительная
Подробнее
Дополнительная информация:
Кол-во на "133Г40" 1
Модель 133Р’РЇ
Группа Тормоза
Подгруппа Трубопроводы пневмотормозов
Порядковый номер детали 056
Пружина ЗИЛ-5301,4331,133ГЯ оттяжная ПГУ ЗИЛ АМО 201567-П29 Болт
Подробнее
Дополнительная информация:
Кол-во на "133Г40" 2
Покрытие цинкование и пассивирование (цинковое с хроматированием)
  Код Название Артикул Цена
Болт М12х40х1.25 крепления ПГУ ЗИЛ-4331 075353 Болт М12х40х1.25 крепления ПГУ ЗИЛ-4331 201567-П29 35,00 р.
250636-П29 Гайка
Подробнее
Дополнительная информация:
Кол-во на "133Г40" 1
Покрытие цинкование и пассивирование (цинковое с хроматированием)
252137-П2 Шайба пружинная
Подробнее
Дополнительная информация:
Кол-во на "133Г40" 2
Покрытие фосфатирование и промасливание
252159-П2 Шайба пружинная
Подробнее
Дополнительная информация:
Кол-во на "133Г40" 1
Покрытие фосфатирование и промасливание
258053-П29 Шплинт
Подробнее
Дополнительная информация:
Кол-во на "133Г40" 1
Покрытие цинкование и пассивирование (цинковое с хроматированием)
Болт М12х40х1.25 крепления ПГУ ЗИЛ-4331 260087-П29 Палец
Подробнее
Дополнительная информация:
Кол-во на "133Г40" 1
Покрытие цинкование и пассивирование (цинковое с хроматированием)
  Код Название Артикул Цена
Палец ф12х35 506846 Палец ф12х35 260087-П29 35,00 р.
Палец Ф12х35 ЗИЛ вилки пневмогидроусилителя сцепления d=12х35 925426 Палец Ф12х35 ЗИЛ вилки пневмогидроусилителя сцепления d=12х35 260087-П29 50,00 р.
300388-П29 Угольник ввертной
Подробнее
Дополнительная информация:
Кол-во на "133Г40" 2
Покрытие цинкование и пассивирование (цинковое с хроматированием)
301528-П29 Болт
Подробнее
Дополнительная информация:
Кол-во на "133Г40" 3
Покрытие цинкование и пассивирование (цинковое с хроматированием)
4331-1602063 Кронштейн педалей сцепления и тормоза в сборе
Подробнее
Дополнительная информация:
Кол-во на "133Г40" 1
Модель 4331
Группа Сцепление
Подгруппа Педаль и привод управления сцеплением
Порядковый номер детали 063
4331-1602157 Скоба оттяжной пружины вилки выключения сцепления
Подробнее
Дополнительная информация:
Кол-во на "133Г40" 1
Модель 4331
Группа Сцепление
Подгруппа Педаль и привод управления сцеплением
Порядковый номер детали 157
Палец Ф12х35 ЗИЛ вилки пневмогидроусилителя сцепления d=12х35 4331-1602510-10 Главный цилиндр управления сцеплением в сборе
Подробнее
Дополнительная информация:
Кол-во на "133Г40" 1
Модель 4331
Группа Сцепление
Подгруппа Педаль и привод управления сцеплением
Порядковый номер детали 510
Дополнительно Не взаимозаменяема с деталью, выпущенной ранее под этим же номером
  Код Название Артикул Цена
Цилиндр сцепления главный ЗИЛ-4331,5301 MEGAPOWER 715011 Цилиндр сцепления главный ЗИЛ-4331,5301 MEGAPOWER 4331-1602510-10 1 450,00 р.
Цилиндр сцепления главный ЗИЛ-4331,5301 MEGAPOWER 4331-1602590 Шланг привода управления сцеплением
Подробнее
Дополнительная информация:
Кол-во на "133Г40" 1
Модель 4331
Группа Сцепление
Подгруппа Педаль и привод управления сцеплением
Порядковый номер детали 590
  Код Название Артикул Цена
Шланг ЗИЛ-4331,5301 ПГУ ЗИЛ АМО 020784 Шланг ЗИЛ-4331,5301 ПГУ ЗИЛ АМО 4331-1602590 375,00 р.
4331-1602592-10 Трубка привода управления сцеплением в сборе
Подробнее
Дополнительная информация:
Кол-во на "133Г40" 1
Модель 4331
Группа Сцепление
Подгруппа Педаль и привод управления сцеплением
Порядковый номер детали 592
Дополнительно Не взаимозаменяема с деталью, выпущенной ранее под этим же номером
4331-1609509 Пневмогидравлический усилитель привода управления сцеплением в сборе
Подробнее
Дополнительная информация:
Кол-во на "133Г40" 1
Модель 4331
Группа Сцепление
Подгруппа Усилитель привода управления сцеплением
Порядковый номер детали 509
4331-1609510 Пневмогидравлический усилитель привода управления сцеплением в сборе
Подробнее
Дополнительная информация:
Кол-во на "133Г40" 1
Примечание Нет
Модель 4331
Группа Сцепление
Подгруппа Усилитель привода управления сцеплением
Порядковый номер детали 510
Шланг ЗИЛ-4331,5301 ПГУ ЗИЛ АМО 4331-1609620 Шланг
Подробнее
Дополнительная информация:
Кол-во на "133Г40" 1
Модель 4331
Группа Сцепление
Подгруппа Усилитель привода управления сцеплением
Порядковый номер детали 620
  Код Название Артикул Цена
Шланг ЗИЛ-4331 подвода воздуха ПГУ ЗИЛ АМО 080133 Шланг ЗИЛ-4331 подвода воздуха ПГУ ЗИЛ АМО 4331-1609620 400,00 р.
Шланг ЗИЛ-4331 подвода воздуха ПГУ ЗИЛ АМО 4331-1609621 Кронштейн крепления пневмогидравлического усилителя
Подробнее
Дополнительная информация:
Кол-во на "133Г40" 1
Модель 4331
Группа Сцепление
Подгруппа Усилитель привода управления сцеплением
Порядковый номер детали 621
  Код Название Артикул Цена
Кронштейн ЗИЛ-4331 ПГУ МЛЗ ЗИЛ АМО 085696 Кронштейн ЗИЛ-4331 ПГУ МЛЗ ЗИЛ АМО 4331-1609621 3 150,00 р.
4331-8118153 Втулка крепления трубки привода управления сцеплением
Подробнее
Дополнительная информация:
Кол-во на "133Г40" 1
Модель 4331
Группа Отопление и вентиляция кабины
Подгруппа Вентиляторы
Порядковый номер детали 153
4421-1772144 Шланг в сборе
Подробнее
Дополнительная информация:
Кол-во на "133Г40" 1
Модель 4421
Группа Коробка передач
Подгруппа Привод управления механизмом переключения делителя передач
Порядковый номер детали 144
5301-1602008-20 Педали сцепления и тормоза с кронштейном в сборе
Подробнее
Дополнительная информация:
Кол-во на "133Г40" 1
Примечание Нет
Модель 5301
Группа Сцепление
Подгруппа Педаль и привод управления сцеплением
Порядковый номер детали 008
Дополнительно Не взаимозаменяема с деталью, выпущенной ранее под этим же номером
5301-1602010 Педаль сцепления в сборе
Подробнее
Дополнительная информация:
Кол-во на "133Г40" 1
Модель 5301
Группа Сцепление
Подгруппа Педаль и привод управления сцеплением
Порядковый номер детали 010