← Установка кранов управления давлением Редуктор лебедки →
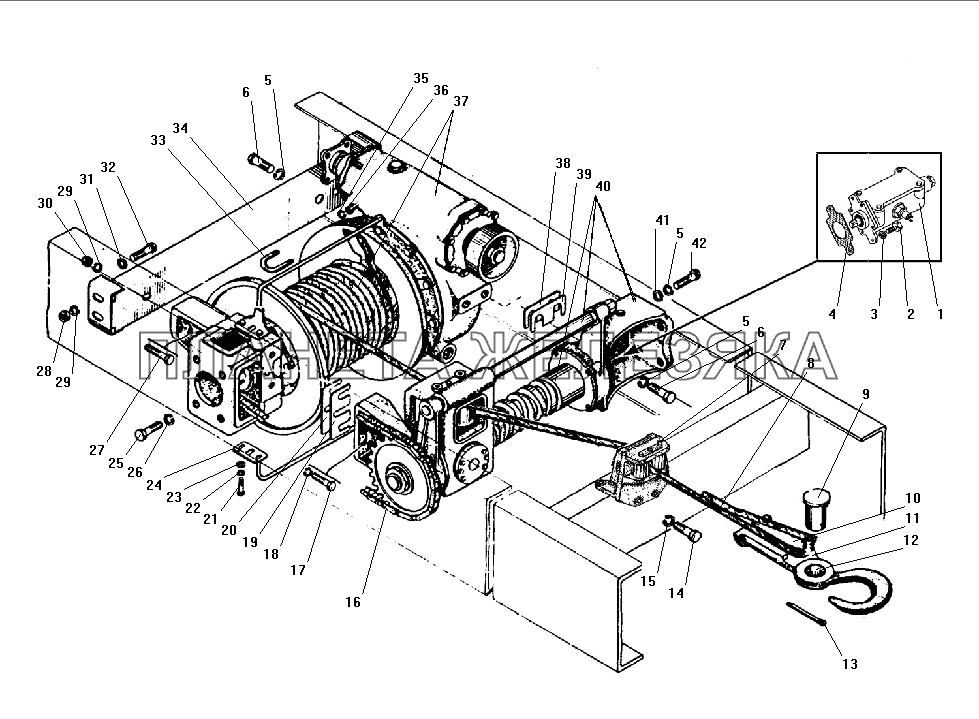
Лебедка с тросоукладчиком в сборе УРАЛ-532301
  Номер детали Наименование детали  
1 4322-3721050 Сигнализатор
Подробнее
Дополнительная информация:
Кол-во на "532301" 1
Модель 4322
Группа Электрооборудование
Подгруппа Сигналы звуковые
Порядковый номер детали 050
2 201454-П29 Болт М8-6gх16
Подробнее
Дополнительная информация:
Кол-во на "532301" 2
Покрытие цинкование и пассивирование (цинковое с хроматированием)
3 252155-П2 Шайба 8 пружинная
Подробнее
Дополнительная информация:
Кол-во на "532301" 2
Покрытие фосфатирование и промасливание
4 4322-3721065 Прокладка
Подробнее
Дополнительная информация:
Кол-во на "532301" 1
Модель 4322
Группа Электрооборудование
Подгруппа Сигналы звуковые
Порядковый номер детали 065
5 252142-П2 Шайба 22.ОТ
Подробнее
Дополнительная информация:
Кол-во на "532301" 1
Покрытие фосфатирование и промасливание
6 332760-П29 Болт М22х45
Подробнее
Дополнительная информация:
Кол-во на "532301" 4
Покрытие цинкование и пассивирование (цинковое с хроматированием)
7 5323-4501244 Кронштейн с роликами
Подробнее
Дополнительная информация:
Кол-во на "532301" 1
Модель 5323
Группа Лебедка
Подгруппа Лебедка
Порядковый номер детали 244
8 375-4504015 Трос 17,5-Н-190-1 длиной 70,5м
Подробнее
Дополнительная информация:
Кол-во на "532301" 1
Модель 375
Группа Лебедка
Подгруппа Трос, крюк и цепь лебедки
Порядковый номер детали 015
9 375-4504023 Валик
Подробнее
Дополнительная информация:
Кол-во на "532301" 1
Модель 375
Группа Лебедка
Подгруппа Трос, крюк и цепь лебедки
Порядковый номер детали 023
10 375-4504021 Клин коуша
Подробнее
Дополнительная информация:
Кол-во на "532301" 1
Модель 375
Группа Лебедка
Подгруппа Трос, крюк и цепь лебедки
Порядковый номер детали 021
11 375-4504020 Коуш троса
Подробнее
Дополнительная информация:
Кол-во на "532301" 1
Модель 375
Группа Лебедка
Подгруппа Трос, крюк и цепь лебедки
Порядковый номер детали 020
12 375-4504035 Крюк лебедки
Подробнее
Дополнительная информация:
Кол-во на "532301" 1
Модель 375
Группа Лебедка
Подгруппа Трос, крюк и цепь лебедки
Порядковый номер детали 035
13 258069 Шплинт 5х36
Подробнее
Дополнительная информация:
Кол-во на "532301" 1
Покрытие без покрытия
14 202125-П29 Болт М16х60
Подробнее
Дополнительная информация:
Кол-во на "532301" 4
Покрытие цинкование и пассивирование (цинковое с хроматированием)
15 252159-П2 Шайба 16Л
Подробнее
Дополнительная информация:
Кол-во на "532301" 4
Покрытие фосфатирование и промасливание
16 375-4511052 Цепь приводная роликовая однорядная нормальная 12х19,05 в сборе
Подробнее
Дополнительная информация:
Кол-во на "532301" 1
Модель 375
Группа Лебедка
Подгруппа 4511
Порядковый номер детали 052
17 330009-П29 Болт М14х1,5х39
Подробнее
Дополнительная информация:
Кол-во на "532301" 3
Покрытие цинкование и пассивирование (цинковое с хроматированием)
18 252138-П2 Шайба 14 пружинная
Подробнее
Дополнительная информация:
Кол-во на "532301" 3
Покрытие фосфатирование и промасливание
19 375-4511074-А Прокладка регулировочная левая толщ. 4 мм
Подробнее
Дополнительная информация:
Модель 375
Группа Лебедка
Подгруппа 4511
Порядковый номер детали 074
Дополнительно Взаимозаменяема с деталью, выпущенной ранее под этим же номером
20 375-4511073-01 Прокладка регулировочная левая толщиной 0,5 мм
Подробнее
Дополнительная информация:
Модель 375
Группа Лебедка
Подгруппа 4511
Порядковый номер детали 073
21 201496-П29 Болт М10-6gх22
Подробнее
Дополнительная информация:
Кол-во на "532301" 4
Покрытие цинкование и пассивирование (цинковое с хроматированием)
  Код Название Артикул Цена
Болт М10х22х1.5 поперечины КПП ГАЗ-2410 092625 Болт М10х22х1.5 поперечины КПП ГАЗ-2410 201496-П29 10,00 р.
22 252136-П2 Шайба 10 пружинная
Подробнее
Дополнительная информация:
Кол-во на "532301" 4
Покрытие фосфатирование и промасливание
23 252006-П29 Шайба 10
Подробнее
Дополнительная информация:
Кол-во на "532301" 4
Покрытие цинкование и пассивирование (цинковое с хроматированием)
24 375-4504005 Отбойник троса в сборе
Подробнее
Дополнительная информация:
Кол-во на "532301" 2
Модель 375
Группа Лебедка
Подгруппа Трос, крюк и цепь лебедки
Порядковый номер детали 005
25 202220-П29 Болт М20-6gх45
Подробнее
Дополнительная информация:
Кол-во на "532301" 4
Покрытие цинкование и пассивирование (цинковое с хроматированием)
26 252141-П2 Шайба 20.ОТ
Подробнее
Дополнительная информация:
Кол-во на "532301" 4
Покрытие фосфатирование и промасливание
27 202172-П29 Болт М18-6gх55
Подробнее
Дополнительная информация:
Кол-во на "532301" 1
Покрытие цинкование и пассивирование (цинковое с хроматированием)
Болт М10х22х1.5 поперечины КПП ГАЗ-2410 28 250563-П29 Гайка М18х1,5-6Н
Подробнее
Дополнительная информация:
Кол-во на "532301" 4
Покрытие цинкование и пассивирование (цинковое с хроматированием)
  Код Название Артикул Цена
Гайка колеса М18х1.5х14 ЗИЛ-130 внутренняя РААЗ 074316 Гайка колеса М18х1.5х14 ЗИЛ-130 внутренняя РААЗ 250563-П29 35,00 р.
29 252140-П2 Шайба 18.ОТ
Подробнее
Дополнительная информация:
Кол-во на "532301" 5
Покрытие фосфатирование и промасливание
30 250562-П29 Гайка М18-6Н
Подробнее
Дополнительная информация:
Кол-во на "532301" 1
Покрытие цинкование и пассивирование (цинковое с хроматированием)
31 336024-П29 Шайба 19
Подробнее
Дополнительная информация:
Кол-во на "532301" 4
Покрытие цинкование и пассивирование (цинковое с хроматированием)
32 202195-П29 Болт М18х1,5-6gх45
Подробнее
Дополнительная информация:
Кол-во на "532301" 4
Покрытие цинкование и пассивирование (цинковое с хроматированием)
33 375-4501138-01 Скоба крепления троса
Подробнее
Дополнительная информация:
Кол-во на "532301" 1
Модель 375
Группа Лебедка
Подгруппа Лебедка
Порядковый номер детали 138
34 4322-4501215 Поперечина подвески лебедки
Подробнее
Дополнительная информация:
Кол-во на "532301" 1
Модель 4322
Группа Лебедка
Подгруппа Лебедка
Порядковый номер детали 215
35 252137-П2 Шайба 12 пружинная
Подробнее
Дополнительная информация:
Кол-во на "532301" 2
Покрытие фосфатирование и промасливание
Гайка колеса М18х1.5х14 ЗИЛ-130 внутренняя РААЗ 36 250514-П29 Гайка М12-6Н
Подробнее
Дополнительная информация:
Кол-во на "532301" 2
Покрытие цинкование и пассивирование (цинковое с хроматированием)
  Код Название Артикул Цена
Гайка М12х1.75 рулевого механизма ГАЗ-24 091618 Гайка М12х1.75 рулевого механизма ГАЗ-24 250514-П29 8,00 р.
37 4322-4501005 Лебедка с редуктором в сборе
Подробнее
Дополнительная информация:
Кол-во на "532301" 1
Модель 4322
Группа Лебедка
Подгруппа Лебедка
Порядковый номер детали 005
38 375-4511079-01 Прокладка регулировочная правая толщиной 0,5 мм
Подробнее
Дополнительная информация:
Модель 375
Группа Лебедка
Подгруппа 4511
Порядковый номер детали 079
39 375-4511077 Прокладка регулировочная правая, толщиной 4 или 5мм
Подробнее
Дополнительная информация:
Модель 375
Группа Лебедка
Подгруппа 4511
Порядковый номер детали 077
40 4322-4511030 Тросоукладчик в сборе
Подробнее
Дополнительная информация:
Кол-во на "532301" 1
Модель 4322
Группа Лебедка
Подгруппа 4511
Порядковый номер детали 030
41 252020-П29 Шайба 22
Подробнее
Дополнительная информация:
Кол-во на "532301" 4
Покрытие цинкование и пассивирование (цинковое с хроматированием)
42 202273-П29 Болт М22-6gх45
Подробнее
Дополнительная информация:
Кол-во на "532301" 4
Покрытие цинкование и пассивирование (цинковое с хроматированием)