← Колодка с накладками 2200080061 Схема пневматическая WABCO →
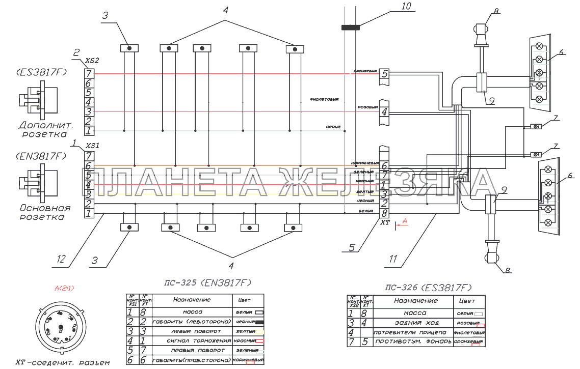
Схема принципиальная Тонар-9523 (вариант)
  Номер детали Наименование детали  
1 3421313003 Розетка ПС-325 EN3817F
Подробнее
Дополнительная информация:
Группа Управление рулевое
Подгруппа 3421
Порядковый номер детали 313
2 3421313018 Розетка ПС-326 EN3817F
Подробнее
Дополнительная информация:
Группа Управление рулевое
Подгруппа 3421
Порядковый номер детали 313
Дополнительно Не взаимозаменяема с деталью, выпущенной ранее под этим же номером
3 4573640533 Передний габаритный фонарь ГФ1-15
Подробнее
Дополнительная информация:
Группа Лебедка
Подгруппа 4573
Порядковый номер детали 640
Дополнительно Не взаимозаменяема с деталью, выпущенной ранее под этим же номером
4 4573640532 Боковой габаритный фонарь ГФ1-25
Подробнее
Дополнительная информация:
Группа Лебедка
Подгруппа 4573
Порядковый номер детали 640
Дополнительно Не взаимозаменяема с деталью, выпущенной ранее под этим же номером
5 Разъём Разъём соединительный
6 4573641023 Фонарь задний
Подробнее
Дополнительная информация:
Группа Лебедка
Подгруппа 4573
Порядковый номер детали 641
Дополнительно Не взаимозаменяема с деталью, выпущенной ранее под этим же номером
7 4573640999 Фонарь освещения номерного знака
Подробнее
Дополнительная информация:
Группа Лебедка
Подгруппа 4573
Порядковый номер детали 640
Дополнительно Не взаимозаменяема с деталью, выпущенной ранее под этим же номером
8 4573641000 Указатель габаритов
Подробнее
Дополнительная информация:
Группа Лебедка
Подгруппа 4573
Порядковый номер детали 641
9 1282000824 Колодка семиконтактная
Подробнее
Дополнительная информация:
Группа Система выпуска газов двигателя
Подгруппа 1282
Порядковый номер детали 000
Дополнительно Не взаимозаменяема с деталью, выпущенной ранее под этим же номером
10 9746 Только для модели 9746
11 4524140025 Жгут задних фонарей 9746-3724150
Подробнее
Дополнительная информация:
Группа Лебедка
Подгруппа 4524
Порядковый номер детали 140
Дополнительно Не взаимозаменяема с деталью, выпущенной ранее под этим же номером
12 4524140026 Жгут дорожный сигнализации 9523-3730100
Подробнее
Дополнительная информация:
Группа Лебедка
Подгруппа 4524
Порядковый номер детали 140
Дополнительно Не взаимозаменяема с деталью, выпущенной ранее под этим же номером