| |
№ |
Номер детали |
Наименование детали |
|
|
|
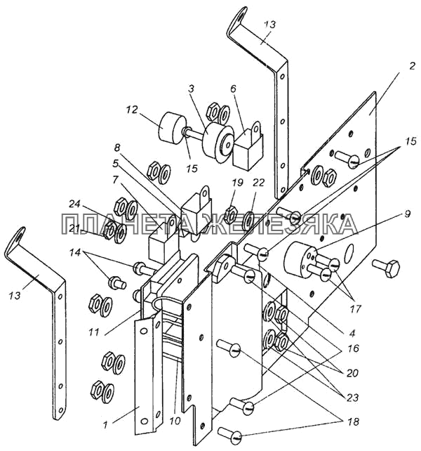
1 |
64221-3711047 |
Петля
Подробнее
Дополнительная информация:
| Кол-во на "437040-020, 437040-021, 437040-022, 437040-023, 437040-040, 437040-041, 437040-060, 437040-061, 437040-062, 437040-063, 437040-080, 437040-081" |
1 |
| Модель |
64221 |
| Группа |
Электрооборудование |
| Подгруппа |
Фары |
| Порядковый номер детали |
047 |
|
|
|
|
2 |
64221-3722023 |
Кронштейн блоков предохранителей и реле
Подробнее
Дополнительная информация:
| Кол-во на "437040-020, 437040-021, 437040-022, 437040-023, 437040-040, 437040-041, 437040-060, 437040-061, 437040-062, 437040-063, 437040-080, 437040-081" |
1 |
| Модель |
64221 |
| Группа |
Электрооборудование |
| Подгруппа |
Предохранители (электрических цепей) |
| Порядковый номер детали |
023 |
|
|
|
|
3 |
64221-3747015 |
Кронштейн реле
Подробнее
Дополнительная информация:
| Кол-во на "437040-020, 437040-021, 437040-022, 437040-023, 437040-040, 437040-041, 437040-060, 437040-061, 437040-062, 437040-063, 437040-080, 437040-081" |
1 |
| Модель |
64221 |
| Группа |
Электрооборудование |
| Подгруппа |
Реле разного назначения |
| Порядковый номер детали |
015 |
|
|
|
|
4 |
4370-3903066 |
Табличка блоков предохранителей
Подробнее
Дополнительная информация:
| Кол-во на "437040-020, 437040-021, 437040-022, 437040-023, 437040-040, 437040-041, 437040-060, 437040-061, 437040-062, 437040-063, 437040-080, 437040-081" |
1 |
| Модель |
4370 |
| Группа |
Инструмент шоферский и принадлежности |
| Подгруппа |
Таблички (инструкционные) |
| Порядковый номер детали |
066 |
|
|
|
|
5 |
Пр112-3722000 |
Блок предохранителей
Подробнее
Дополнительная информация:
| Кол-во на "437040-020, 437040-021, 437040-022, 437040-023, 437040-040, 437040-041, 437040-060, 437040-061, 437040-062, 437040-063, 437040-080, 437040-081" |
1 |
| Модель |
РџСЂ112 |
| Группа |
Электрооборудование |
| Подгруппа |
Предохранители (электрических цепей) |
| Порядковый номер детали |
000 |
|
|
|
6 |
733.3747-10 |
Реле-сигнализатор
Подробнее
Дополнительная информация:
| Кол-во на "437040-020, 437040-021, 437040-022, 437040-023, 437040-040, 437040-041, 437040-060, 437040-061, 437040-062, 437040-063, 437040-080, 437040-081" |
1 |
|
|
|
|
|
7 |
738.3747-20 |
Реле стартера
Подробнее
Дополнительная информация:
| Кол-во на "437040-020, 437040-021, 437040-022, 437040-023, 437040-040, 437040-041, 437040-060, 437040-061, 437040-062, 437040-063, 437040-080, 437040-081" |
1 |
|
|
|
|
|
|
8 |
901.3747-10 |
Реле блокировки стартера
Подробнее
Дополнительная информация:
| Кол-во на "437040-020, 437040-021, 437040-022, 437040-023, 437040-040, 437040-041, 437040-060, 437040-061, 437040-062, 437040-063, 437040-080, 437040-081" |
1 |
|
|
|
|
9 |
47К ТУ16.526.358-74 |
Розетка
Подробнее
Дополнительная информация:
| Кол-во на "437040-020, 437040-021, 437040-022, 437040-023, 437040-040, 437040-041, 437040-060, 437040-061, 437040-062, 437040-063, 437040-080, 437040-081" |
1 |
|
|
|
|
10 |
64226-3724095 |
Перемычка
Подробнее
Дополнительная информация:
| Кол-во на "437040-020, 437040-021, 437040-022, 437040-023, 437040-040, 437040-041, 437040-060, 437040-061, 437040-062, 437040-063, 437040-080, 437040-081" |
1 |
| Модель |
64226 |
| Группа |
Электрооборудование |
| Подгруппа |
Электропровода |
| Порядковый номер детали |
095 |
|
|
|
|
11 |
111.3722000 |
Блок предохранителей
Подробнее
Дополнительная информация:
| Кол-во на "437040-020, 437040-021, 437040-022, 437040-023, 437040-040, 437040-041, 437040-060, 437040-061, 437040-062, 437040-063, 437040-080, 437040-081" |
1 |
| Модель |
111 |
| Группа |
Электрооборудование |
| Подгруппа |
Предохранители (электрических цепей) |
| Порядковый номер детали |
000 |
|
|
|
|
12 |
РС 493-3803010 |
Реле лампы стояночного тормоза
Подробнее
Дополнительная информация:
| Кол-во на "437040-020, 437040-021, 437040-022, 437040-023, 437040-040, 437040-041, 437040-060, 437040-061, 437040-062, 437040-063, 437040-080, 437040-081" |
1 |
| Модель |
Р РЎ 493 |
| Группа |
Приборы |
| Подгруппа |
Лампы контрольные (Фонари контрольных ламп) |
| Порядковый номер детали |
010 |
|
|
|
|
13 |
64221-3722020 |
Кронштейн блоков предохранителей и реле
Подробнее
Дополнительная информация:
| Кол-во на "437040-020, 437040-021, 437040-022, 437040-023, 437040-040, 437040-041, 437040-060, 437040-061, 437040-062, 437040-063, 437040-080, 437040-081" |
2 |
| Модель |
64221 |
| Группа |
Электрооборудование |
| Подгруппа |
Предохранители (электрических цепей) |
| Порядковый номер детали |
020 |
|
|
|
|
14 |
220082 |
Винт М5-6gх20
Подробнее
Дополнительная информация:
| Кол-во на "437040-020, 437040-021, 437040-022, 437040-023, 437040-040, 437040-041, 437040-060, 437040-061, 437040-062, 437040-063, 437040-080, 437040-081" |
2 |
| Покрытие |
без покрытия |
|
|
|
|
15 |
220104 |
Винт М6-6gх14
Подробнее
Дополнительная информация:
| Кол-во на "437040-020, 437040-021, 437040-022, 437040-023, 437040-040, 437040-041, 437040-060, 437040-061, 437040-062, 437040-063, 437040-080, 437040-081" |
4 |
| Покрытие |
без покрытия |
|
|
|
|
16 |
220107 |
Винт М6-6gх20
Подробнее
Дополнительная информация:
| Кол-во на "437040-020, 437040-021, 437040-022, 437040-023, 437040-040, 437040-041, 437040-060, 437040-061, 437040-062, 437040-063, 437040-080, 437040-081" |
2 |
| Покрытие |
без покрытия |
|
|
|
|
17 |
221512 |
Винт М3-6gх28
Подробнее
Дополнительная информация:
| Кол-во на "437040-020, 437040-021, 437040-022, 437040-023, 437040-040, 437040-041, 437040-060, 437040-061, 437040-062, 437040-063, 437040-080, 437040-081" |
2 |
| Покрытие |
без покрытия |
|
|
|
|
18 |
231604 |
Винт 2М6-6gх14
Подробнее
Дополнительная информация:
| Кол-во на "437040-020, 437040-021, 437040-022, 437040-023, 437040-040, 437040-041, 437040-060, 437040-061, 437040-062, 437040-063, 437040-080, 437040-081" |
2 |
| Покрытие |
без покрытия |
|
|
|
|
19 |
250458 |
Гайка М3-6Н
Подробнее
Дополнительная информация:
| Кол-во на "437040-020, 437040-021, 437040-022, 437040-023, 437040-040, 437040-041, 437040-060, 437040-061, 437040-062, 437040-063, 437040-080, 437040-081" |
2 |
| Покрытие |
без покрытия |
|
|
|
|
20 |
250464 |
Гайка М5-6Н
Подробнее
Дополнительная информация:
| Кол-во на "437040-020, 437040-021, 437040-022, 437040-023, 437040-040, 437040-041, 437040-060, 437040-061, 437040-062, 437040-063, 437040-080, 437040-081" |
2 |
| Покрытие |
без покрытия |
|
|
|
|
21 |
250508 |
Гайка М6-6Н
Подробнее
Дополнительная информация:
| Кол-во на "437040-020, 437040-021, 437040-022, 437040-023, 437040-040, 437040-041, 437040-060, 437040-061, 437040-062, 437040-063, 437040-080, 437040-081" |
8 |
| Покрытие |
без покрытия |
|
|
|
|
22 |
252000 |
Шайба 3 ОСТ 37.001.144-75
Подробнее
Дополнительная информация:
| Кол-во на "437040-020, 437040-021, 437040-022, 437040-023, 437040-040, 437040-041, 437040-060, 437040-061, 437040-062, 437040-063, 437040-080, 437040-081" |
2 |
| Покрытие |
без покрытия |
|
|
|
|
23 |
252003 |
Шайба 5
Подробнее
Дополнительная информация:
| Кол-во на "437040-020, 437040-021, 437040-022, 437040-023, 437040-040, 437040-041, 437040-060, 437040-061, 437040-062, 437040-063, 437040-080, 437040-081" |
2 |
| Покрытие |
без покрытия |
|
|
|
|
24 |
252004 |
Шайба 6
Подробнее
Дополнительная информация:
| Кол-во на "437040-020, 437040-021, 437040-022, 437040-023, 437040-040, 437040-041, 437040-060, 437040-061, 437040-062, 437040-063, 437040-080, 437040-081" |
8 |
| Покрытие |
без покрытия |
|
|