← Крыло переднее и подножки Платформа →
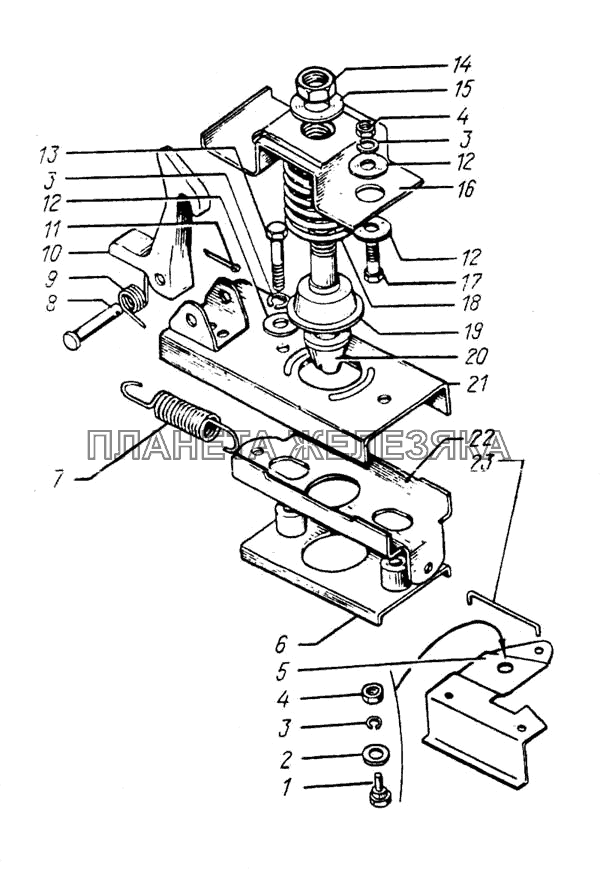
Замок капота КрАЗ-6443
  Номер детали Наименование детали  
1 250-8406059 Ось привода замка капота
Подробнее
Дополнительная информация:
Кол-во на "6443, 644301, 65032, 650321" 1
Модель 250
Группа Оперение
Подгруппа Запор капота (замок и привод замка капота)
Порядковый номер детали 059
2 250-5304078 Прокладка рычагов
Подробнее
Дополнительная информация:
Кол-во на "6443, 644301, 65032, 650321" 1
Модель 250
Группа Передок кабины
Подгруппа Вентиляция передка
Порядковый номер детали 078
3 252134-П2 Шайба 6 пружинная
Подробнее
Дополнительная информация:
Кол-во на "6443, 644301, 65032, 650321" 5
Покрытие фосфатирование и промасливание
4 250508-П29 Гайка М6-6Н
Подробнее
Дополнительная информация:
Кол-во на "6443, 644301, 65032, 650321" 3
Покрытие цинкование и пассивирование (цинковое с хроматированием)
5 250-8406058 Привод замка капота
Подробнее
Дополнительная информация:
Кол-во на "6443, 644301, 65032, 650321" 1
Модель 250
Группа Оперение
Подгруппа Запор капота (замок и привод замка капота)
Порядковый номер детали 058
6 250-8406070 Направляющая запорной пластины
Подробнее
Дополнительная информация:
Кол-во на "6443, 644301, 65032, 650321" 1
Модель 250
Группа Оперение
Подгруппа Запор капота (замок и привод замка капота)
Порядковый номер детали 070
7 250-8406034 Пружина запорной пластины
Подробнее
Дополнительная информация:
Кол-во на "6443, 644301, 65032, 650321" 1
Модель 250
Группа Оперение
Подгруппа Запор капота (замок и привод замка капота)
Порядковый номер детали 034
8 260006-П18С+П29 Палец 5х25
Подробнее
Дополнительная информация:
Кол-во на "6443, 644301, 65032, 650321" 1
Покрытие цинкование и пассивирование (цинковое с хроматированием)
9 250-8406116 Пружина крюка
Подробнее
Дополнительная информация:
Кол-во на "6443, 644301, 65032, 650321" 1
Модель 250
Группа Оперение
Подгруппа Запор капота (замок и привод замка капота)
Порядковый номер детали 116
10 250-8406106 Крюк предохранительный
Подробнее
Дополнительная информация:
Кол-во на "6443, 644301, 65032, 650321" 1
Модель 250
Группа Оперение
Подгруппа Запор капота (замок и привод замка капота)
Порядковый номер детали 106
11 258012-П29 Шплинт разводной 2х12
Подробнее
Дополнительная информация:
Кол-во на "6443, 644301, 65032, 650321" 1
Покрытие цинкование и пассивирование (цинковое с хроматированием)
12 252037-П29 Шайба 6
Подробнее
Дополнительная информация:
Кол-во на "6443, 644301, 65032, 650321" 6
Покрытие цинкование и пассивирование (цинковое с хроматированием)
13 201426-П29 Болт М6х1х35
Подробнее
Дополнительная информация:
Кол-во на "6443, 644301, 65032, 650321" 2
Покрытие цинкование и пассивирование (цинковое с хроматированием)
14 250514-П29 Гайка М12х1,75
Подробнее
Дополнительная информация:
Кол-во на "6443, 644301, 65032, 650321" 1
Покрытие цинкование и пассивирование (цинковое с хроматированием)
  Код Название Артикул Цена
Гайка М12х1.75 рулевого механизма ГАЗ-24 091618 Гайка М12х1.75 рулевого механизма ГАЗ-24 250514-П29 8,00 р.
15 252045-П29 Шайба 12
Подробнее
Дополнительная информация:
Кол-во на "6443, 644301, 65032, 650321" 1
Покрытие цинкование и пассивирование (цинковое с хроматированием)
16 250-8406060 Пластина штыря
Подробнее
Дополнительная информация:
Кол-во на "6443, 644301, 65032, 650321" 1
Модель 250
Группа Оперение
Подгруппа Запор капота (замок и привод замка капота)
Порядковый номер детали 060
Гайка М12х1.75 рулевого механизма ГАЗ-24 17 201420-П29 Болт М6х1х20
Подробнее
Дополнительная информация:
Кол-во на "6443, 644301, 65032, 650321" 2
Покрытие цинкование и пассивирование (цинковое с хроматированием)
  Код Название Артикул Цена
Болт М6х20 044663 Болт М6х20 201420-П29 6,00 р.
18 250-8406046 Пружина штыря
Подробнее
Дополнительная информация:
Кол-во на "6443, 644301, 65032, 650321" 1
Модель 250
Группа Оперение
Подгруппа Запор капота (замок и привод замка капота)
Порядковый номер детали 046
19 250-8406048 Чашка пружины штыря
Подробнее
Дополнительная информация:
Кол-во на "6443, 644301, 65032, 650321" 1
Модель 250
Группа Оперение
Подгруппа Запор капота (замок и привод замка капота)
Порядковый номер детали 048
20 250-8406044 Штырь замка капота
Подробнее
Дополнительная информация:
Кол-во на "6443, 644301, 65032, 650321" 1
Модель 250
Группа Оперение
Подгруппа Запор капота (замок и привод замка капота)
Порядковый номер детали 044
21 250-8406020 Корпус замка капота в сборе
Подробнее
Дополнительная информация:
Кол-во на "6443, 644301, 65032, 650321" 1
Модель 250
Группа Оперение
Подгруппа Запор капота (замок и привод замка капота)
Порядковый номер детали 020
22 250-8406032 Пластина запорная
Подробнее
Дополнительная информация:
Кол-во на "6443, 644301, 65032, 650321" 1
Модель 250
Группа Оперение
Подгруппа Запор капота (замок и привод замка капота)
Порядковый номер детали 032
23 250-8406176 Тяга привода замка капота
Подробнее
Дополнительная информация:
Кол-во на "6443, 644301, 65032, 650321" 1
Модель 250
Группа Оперение
Подгруппа Запор капота (замок и привод замка капота)
Порядковый номер детали 176