← Радиатор масляный Баки топливные →
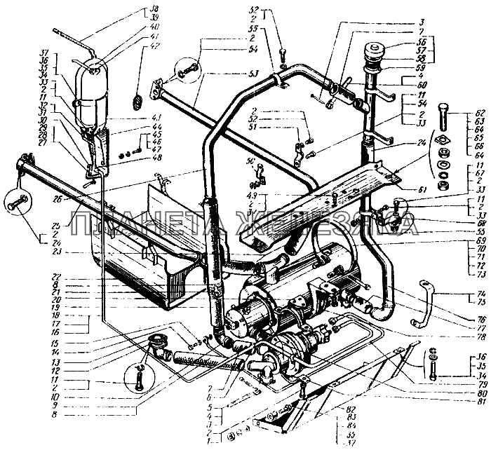
Подогреватель пусковой КрАЗ-6443
  Номер детали Наименование детали  
1 200315-П29 Болт М10х1,5х40
Подробнее
Дополнительная информация:
Кол-во на "6443, 644301, 65032, 650321" 2
Покрытие цинкование и пассивирование (цинковое с хроматированием)
  Код Название Артикул Цена
Болт М10х40х1.5 крепления сильфона ЯМЗ,генератора ЗИЛ РААЗ 044669 Болт М10х40х1.5 крепления сильфона ЯМЗ,генератора ЗИЛ РААЗ 200315-П29 15,00 р.
2 252135-П2 Шайба 8 пружинная
Подробнее
Дополнительная информация:
Кол-во на "6443, 644301, 65032, 650321" 16
Покрытие фосфатирование и промасливание
3 258080-П29 Шплинт 5,6х25
Подробнее
Дополнительная информация:
Кол-во на "6443, 644301, 65032, 650321" 18
Покрытие цинкование и пассивирование (цинковое с хроматированием)
4 212А-8101092 Пряжка хомута
Подробнее
Дополнительная информация:
Кол-во на "6443, 644301, 65032, 650321" 18
Модель 212Рђ
Группа Отопление и вентиляция кабины
Подгруппа Отопитель (кузова)
Порядковый номер детали 092
5 401500-П29 Лента стяжная 9,5х510
Подробнее
Дополнительная информация:
Кол-во на "6443, 644301, 65032, 650321" 2
Покрытие цинкование и пассивирование (цинковое с хроматированием)
6 256-1015526 Шланг соединительный
Подробнее
Дополнительная информация:
Кол-во на "6443, 644301, 65032, 650321" 1
Модель 256
Группа Двигатель
Подгруппа Подогреватель пусковой двигателя
Порядковый номер детали 526
7 256-1015528 Шланг соединительный
Подробнее
Дополнительная информация:
Кол-во на "6443, 644301, 65032, 650321" 2
Модель 256
Группа Двигатель
Подгруппа Подогреватель пусковой двигателя
Порядковый номер детали 528
8 260-1015044 Оболочка предохранительная
Подробнее
Дополнительная информация:
Кол-во на "6443, 644301, 65032, 650321" 2
Модель 260
Группа Двигатель
Подгруппа Подогреватель пусковой двигателя
Порядковый номер детали 044
9 260-1015043-10 Шланг
Подробнее
Дополнительная информация:
Кол-во на "6443, 644301, 65032, 650321" 1
Модель 260
Группа Двигатель
Подгруппа Подогреватель пусковой двигателя
Порядковый номер детали 043
Дополнительно Не взаимозаменяема с деталью, выпущенной ранее под этим же номером
10 256-1015075 Переходник
Подробнее
Дополнительная информация:
Кол-во на "6443, 644301, 65032, 650321" 1
Модель 256
Группа Двигатель
Подгруппа Подогреватель пусковой двигателя
Порядковый номер детали 075
Болт М10х40х1.5 крепления сильфона ЯМЗ,генератора ЗИЛ РААЗ 11 201456-П29 Болт М8х1,25х20
Подробнее
Дополнительная информация:
Кол-во на "6443, 644301, 65032, 650321" 9
Покрытие цинкование и пассивирование (цинковое с хроматированием)
  Код Название Артикул Цена
Болт М8х20 091585 Болт М8х20 201456-П29 6,00 р.
12 260-1015028-10 Патрубок отводящий
Подробнее
Дополнительная информация:
Кол-во на "6443, 644301, 65032, 650321" 1
Модель 260
Группа Двигатель
Подгруппа Подогреватель пусковой двигателя
Порядковый номер детали 028
Дополнительно Не взаимозаменяема с деталью, выпущенной ранее под этим же номером
13 256-1015030-А Прокладка фланца
Подробнее
Дополнительная информация:
Кол-во на "6443, 644301, 65032, 650321" 2
Модель 256
Группа Двигатель
Подгруппа Подогреватель пусковой двигателя
Порядковый номер детали 030
Дополнительно Взаимозаменяема с деталью, выпущенной ранее под этим же номером
14 256Б1-1015432 Штуцер
Подробнее
Дополнительная информация:
Кол-во на "6443, 644301, 65032, 650321" 1
Модель 256Р‘1
Группа Двигатель
Подгруппа Подогреватель пусковой двигателя
Порядковый номер детали 432
15 312434-П Шайба 10
Подробнее
Дополнительная информация:
Кол-во на "6443, 644301, 65032, 650321" 2
Покрытие без покрытия
16 312310-П Шайба 12,5
Подробнее
Дополнительная информация:
Кол-во на "6443, 644301, 65032, 650321" 1
Покрытие без покрытия
ОКПО класс 45 Изделия автомобильной промышленности
ОКПО подкласс 9 Унифицированные узлы, детали и крепежные изделия, применяемые в автомобильной промышленности, и ремонтно-эксплуатационные комплекты
Вид изделия 90-99 - детали, соединяющие трубопроводы, резьбовые пробки
Вид покрытия 6 - фосфатное с промасливанием (П2)
17 347467-П29 Штуцер М12х1,25
Подробнее
Дополнительная информация:
Кол-во на "6443, 644301, 65032, 650321" 1
Покрытие цинкование и пассивирование (цинковое с хроматированием)
ОКПО класс 45 Изделия автомобильной промышленности
ОКПО подкласс 9 Унифицированные узлы, детали и крепежные изделия, применяемые в автомобильной промышленности, и ремонтно-эксплуатационные комплекты
Вид изделия 90-99 - детали, соединяющие трубопроводы, резьбовые пробки
Вид покрытия 7 - цинковое с фосфатированием (П53)
18 250-1015406-20 Трубка от крана к насосу
Подробнее
Дополнительная информация:
Кол-во на "6443, 644301, 65032, 650321" 1
Модель 250
Группа Двигатель
Подгруппа Подогреватель пусковой двигателя
Порядковый номер детали 406
Дополнительно Не взаимозаменяема с деталью, выпущенной ранее под этим же номером
19 6437-1015319 Шланг
Подробнее
Дополнительная информация:
Кол-во на "6443, 644301, 65032, 650321" 1
Модель 6437
Группа Двигатель
Подгруппа Подогреватель пусковой двигателя
Порядковый номер детали 319
20 256Б1-1015101 Кронштейн насосного агрегата
Подробнее
Дополнительная информация:
Кол-во на "6443, 644301, 65032, 650321" 1
Модель 256Р‘1
Группа Двигатель
Подгруппа Подогреватель пусковой двигателя
Порядковый номер детали 101
21 347930-П29 Стяжка 8х107
Подробнее
Дополнительная информация:
Кол-во на "6443, 644301, 65032, 650321" 1
Покрытие цинкование и пассивирование (цинковое с хроматированием)
22 6505-1015190-01 Направляющая газов
Подробнее
Дополнительная информация:
Кол-во на "6443, 644301, 65032, 650321" 1
Модель 6505
Группа Двигатель
Подгруппа Подогреватель пусковой двигателя
Порядковый номер детали 190
23 256-1015534 Шланг соединительный заливной трубы
Подробнее
Дополнительная информация:
Кол-во на "6443, 644301, 65032, 650321" 3
Модель 256
Группа Двигатель
Подгруппа Подогреватель пусковой двигателя
Порядковый номер детали 534
Болт М8х20 24 201460-П29 Болт М8х1,25х30
Подробнее
Дополнительная информация:
Кол-во на "6443, 644301, 65032, 650321" 2
Покрытие цинкование и пассивирование (цинковое с хроматированием)
  Код Название Артикул Цена
Болт М8х30 кронштейна генератора ГАЗ-3110 091590 Болт М8х30 кронштейна генератора ГАЗ-3110 201460-П29 8,00 р.
25 256Б-1015031-03 Труба к правому блоку
Подробнее
Дополнительная информация:
Кол-во на "6443, 644301, 65032, 650321" 1
Модель 256Р‘
Группа Двигатель
Подгруппа Подогреватель пусковой двигателя
Порядковый номер детали 031
26 6437-1015317 Труба от водяного насоса
Подробнее
Дополнительная информация:
Кол-во на "6443, 644301, 65032, 650321" 1
Модель 6437
Группа Двигатель
Подгруппа Подогреватель пусковой двигателя
Порядковый номер детали 317
Болт М8х30 кронштейна генератора ГАЗ-3110 27 201422-П29 Болт М6х1х25
Подробнее
Дополнительная информация:
Кол-во на "6443, 644301, 65032, 650321" 3
Покрытие цинкование и пассивирование (цинковое с хроматированием)
  Код Название Артикул Цена
Болт М6х25 заднего сальника дв.406 ГАЗ, УАЗ 044665 Болт М6х25 заднего сальника дв.406 ГАЗ, УАЗ 201422-П29 5,00 р.
28 252134-П2 Шайба 6 пружинная
Подробнее
Дополнительная информация:
Кол-во на "6443, 644301, 65032, 650321" 3
Покрытие фосфатирование и промасливание
29 250508-П29 Гайка М6-6Н
Подробнее
Дополнительная информация:
Кол-во на "6443, 644301, 65032, 650321" 3
Покрытие цинкование и пассивирование (цинковое с хроматированием)
30 256-1015654 Пробка
Подробнее
Дополнительная информация:
Кол-во на "6443, 644301, 65032, 650321" 1
Модель 256
Группа Двигатель
Подгруппа Подогреватель пусковой двигателя
Порядковый номер детали 654
31 250-1015382 Шланг от бачка к крану
Подробнее
Дополнительная информация:
Кол-во на "6443, 644301, 65032, 650321" 1
Модель 250
Группа Двигатель
Подгруппа Подогреватель пусковой двигателя
Порядковый номер детали 382
32 346841-П29 Штуцер К 1/4" М20х1,5
Подробнее
Дополнительная информация:
Кол-во на "6443, 644301, 65032, 650321" 1
Покрытие цинкование и пассивирование (цинковое с хроматированием)
33 250510-П29 Гайка М8
Подробнее
Дополнительная информация:
Кол-во на "6443, 644301, 65032, 650321" 8
Покрытие цинкование и пассивирование (цинковое с хроматированием)
Болт М6х25 заднего сальника дв.406 ГАЗ, УАЗ 34 201497-П29 Болт М10х1,25х25
Подробнее
Дополнительная информация:
Кол-во на "6443, 644301, 65032, 650321" 5
Покрытие цинкование и пассивирование (цинковое с хроматированием)
  Код Название Артикул Цена
Болт М10х25х1.5 поперечины ГАЗ-3110 091554 Болт М10х25х1.5 поперечины ГАЗ-3110 201497-П29 12,00 р.
35 252006-П29 Шайба 10
Подробнее
Дополнительная информация:
Кол-во на "6443, 644301, 65032, 650321" 10
Покрытие цинкование и пассивирование (цинковое с хроматированием)
36 252136-П2 Шайба 10 пружинная
Подробнее
Дополнительная информация:
Кол-во на "6443, 644301, 65032, 650321" 14
Покрытие фосфатирование и промасливание
37 250512-П29 Гайка М10х1,5
Подробнее
Дополнительная информация:
Кол-во на "6443, 644301, 65032, 650321" 13
Покрытие цинкование и пассивирование (цинковое с хроматированием)
38 250-1015380 Шланг от фильтра тонкой очистки топлива к бачку
Подробнее
Дополнительная информация:
Кол-во на "6443, 644301, 65032, 650321" 1
Модель 250
Группа Двигатель
Подгруппа Подогреватель пусковой двигателя
Порядковый номер детали 380
39 256Б-1104536 Шайба уплотнительная
Подробнее
Дополнительная информация:
Кол-во на "6443, 644301, 65032, 650321" 1
Модель 256Р‘
Группа Cистема питания двигателя
Подгруппа Трубопроводы топливные
Порядковый номер детали 536
40 250-1015140 Бачок топливный подогревателя
Подробнее
Дополнительная информация:
Кол-во на "6443, 644301, 65032, 650321" 1
Модель 250
Группа Двигатель
Подгруппа Подогреватель пусковой двигателя
Порядковый номер детали 140
41 346109-П29 Угольник М20х1,5 К1/4"
Подробнее
Дополнительная информация:
Кол-во на "6443, 644301, 65032, 650321" 2
Покрытие цинкование и пассивирование (цинковое с хроматированием)
42 256-1015086 Прокладка
Подробнее
Дополнительная информация:
Кол-во на "6443, 644301, 65032, 650321" 2
Модель 256
Группа Двигатель
Подгруппа Подогреватель пусковой двигателя
Порядковый номер детали 086
43 250-1015138 Кронштейн
Подробнее
Дополнительная информация:
Кол-во на "6443, 644301, 65032, 650321" 1
Модель 250
Группа Двигатель
Подгруппа Подогреватель пусковой двигателя
Порядковый номер детали 138
44 250-1015126-10 Кронштейн бачка ПЖД
Подробнее
Дополнительная информация:
Кол-во на "6443, 644301, 65032, 650321" 1
Модель 250
Группа Двигатель
Подгруппа Подогреватель пусковой двигателя
Порядковый номер детали 126
Дополнительно Не взаимозаменяема с деталью, выпущенной ранее под этим же номером
Болт М10х25х1.5 поперечины ГАЗ-3110 45 201542-П29 Болт М12х1,75х30
Подробнее
Дополнительная информация:
Кол-во на "6443, 644301, 65032, 650321" 2
Покрытие цинкование и пассивирование (цинковое с хроматированием)
  Код Название Артикул Цена
Болт М12х35 крепления рул.механизма ГАЗ-3302 091559 Болт М12х35 крепления рул.механизма ГАЗ-3302 201542-П29 20,00 р.
46 252137-П2 Шайба 12 пружинная
Подробнее
Дополнительная информация:
Кол-во на "6443, 644301, 65032, 650321" 2
Покрытие фосфатирование и промасливание
Болт М12х35 крепления рул.механизма ГАЗ-3302 47 250514-П29 Гайка М12х1,75
Подробнее
Дополнительная информация:
Кол-во на "6443, 644301, 65032, 650321" 2
Покрытие цинкование и пассивирование (цинковое с хроматированием)
  Код Название Артикул Цена
Гайка М12х1.75 рулевого механизма ГАЗ-24 091618 Гайка М12х1.75 рулевого механизма ГАЗ-24 250514-П29 8,00 р.
48 256Б-1104010 Кран ПП6-2
Подробнее
Дополнительная информация:
Кол-во на "6443, 644301, 65032, 650321" 1
Модель 256Р‘
Группа Cистема питания двигателя
Подгруппа Трубопроводы топливные
Порядковый номер детали 010
Гайка М12х1.75 рулевого механизма ГАЗ-24 49 201499-П29 Болт М10х1,5х30
Подробнее
Дополнительная информация:
Кол-во на "6443, 644301, 65032, 650321" 7
Покрытие цинкование и пассивирование (цинковое с хроматированием)
  Код Название Артикул Цена
Болт М10х30х1.5 картера сцепления дв.406 091556 Болт М10х30х1.5 картера сцепления дв.406 201499-П29 12,00 р.
50 256Б-1015662 Скоба нижняя
Подробнее
Дополнительная информация:
Кол-во на "6443, 644301, 65032, 650321" 2
Модель 256Р‘
Группа Двигатель
Подгруппа Подогреватель пусковой двигателя
Порядковый номер детали 662
51 256Б-1015661 Скоба верхняя
Подробнее
Дополнительная информация:
Кол-во на "6443, 644301, 65032, 650321" 2
Модель 256Р‘
Группа Двигатель
Подгруппа Подогреватель пусковой двигателя
Порядковый номер детали 661
52 201454-П29 Болт М8х1,25х16
Подробнее
Дополнительная информация:
Кол-во на "6443, 644301, 65032, 650321" 3
Покрытие цинкование и пассивирование (цинковое с хроматированием)
53 643701-1015034 Труба к левому блоку
Подробнее
Дополнительная информация:
Кол-во на "6443, 644301, 65032, 650321" 1
Модель 643701
Группа Двигатель
Подгруппа Подогреватель пусковой двигателя
Порядковый номер детали 034
Болт М10х30х1.5 картера сцепления дв.406 54 201458-П29 Болт М8х1,25х25
Подробнее
Дополнительная информация:
Кол-во на "6443, 644301, 65032, 650321" 2
Покрытие цинкование и пассивирование (цинковое с хроматированием)
  Код Название Артикул Цена
Болт М8х25х1.25 картера масляного ГАЗ-3110 091589 Болт М8х25х1.25 картера масляного ГАЗ-3110 201458-П29 8,00 р.
55 347972-П29 Кляммер 32
Подробнее
Дополнительная информация:
Кол-во на "6443, 644301, 65032, 650321" 2
Покрытие цинкование и пассивирование (цинковое с хроматированием)
ОКПО класс 45 Изделия автомобильной промышленности
ОКПО подкласс 3 Агрегаты, узлы и детали автомобилей грузовых, специализированных, автопогрузчиков и кузовов- фургонов специальных
Вид изделия 50-54 - шпильки
Вид покрытия 3 - многослойное медь-никель (никелирование и полировка (П6)
56 256-1015071-11 Крышка
Подробнее
Дополнительная информация:
Кол-во на "6443, 644301, 65032, 650321" 1
Модель 256
Группа Двигатель
Подгруппа Подогреватель пусковой двигателя
Порядковый номер детали 071
Дополнительно Не взаимозаменяема с деталью, выпущенной ранее под этим же номером
57 256-1015070-02 Крышка в сборе
Подробнее
Дополнительная информация:
Кол-во на "6443, 644301, 65032, 650321" 1
Модель 256
Группа Двигатель
Подгруппа Подогреватель пусковой двигателя
Порядковый номер детали 070
58 256-1015072-А Прокладка
Подробнее
Дополнительная информация:
Кол-во на "6443, 644301, 65032, 650321" 1
Модель 256
Группа Двигатель
Подгруппа Подогреватель пусковой двигателя
Порядковый номер детали 072
Дополнительно Взаимозаменяема с деталью, выпущенной ранее под этим же номером
59 6437-1015065 Труба заливная
Подробнее
Дополнительная информация:
Кол-во на "6443, 644301, 65032, 650321" 1
Модель 6437
Группа Двигатель
Подгруппа Подогреватель пусковой двигателя
Порядковый номер детали 065
60 250-1303027 Лента стяжного хомута
Подробнее
Дополнительная информация:
Кол-во на "6443, 644301, 65032, 650321" 16
Модель 250
Группа Система охлаждения
Подгруппа Трубопроводы и шланги системы охлаждения
Порядковый номер детали 027
61 250-1015116-02 Балка крепления подогревателя
Подробнее
Дополнительная информация:
Кол-во на "6443, 644301, 65032, 650321" 1
Модель 250
Группа Двигатель
Подгруппа Подогреватель пусковой двигателя
Порядковый номер детали 116
62 202149-П29 Болт М16х1,5х60
Подробнее
Дополнительная информация:
Кол-во на "6443, 644301, 65032, 650321" 2
Покрытие цинкование и пассивирование (цинковое с хроматированием)
63 260-4501222-01 Пластина
Подробнее
Дополнительная информация:
Кол-во на "6443, 644301, 65032, 650321" 2
Модель 260
Группа Лебедка
Подгруппа Лебедка
Порядковый номер детали 222
Болт М8х25х1.25 картера масляного ГАЗ-3110 64 250561-П29 Гайка М16х1,5
Подробнее
Дополнительная информация:
Кол-во на "6443, 644301, 65032, 650321" 4
Покрытие цинкование и пассивирование (цинковое с хроматированием)
  Код Название Артикул Цена
Гайка М16х1.5х14.8 шпильки полуоси заднего моста ЗИЛ ЭТНА 610330 Гайка М16х1.5х14.8 шпильки полуоси заднего моста ЗИЛ ЭТНА 250561-П29 25,00 р.
65 252017-П29 Шайба 16
Подробнее
Дополнительная информация:
Кол-во на "6443, 644301, 65032, 650321" 2
Покрытие цинкование и пассивирование (цинковое с хроматированием)
66 252139-П2 Шайба 16 пружинная
Подробнее
Дополнительная информация:
Кол-во на "6443, 644301, 65032, 650321" 2
Покрытие фосфатирование и промасливание
67 252005-П29 Шайба 8
Подробнее
Дополнительная информация:
Кол-во на "6443, 644301, 65032, 650321" 1
Покрытие цинкование и пассивирование (цинковое с хроматированием)
68 260-1015186 Кронштейн
Подробнее
Дополнительная информация:
Кол-во на "6443, 644301, 65032, 650321" 1
Модель 260
Группа Двигатель
Подгруппа Подогреватель пусковой двигателя
Порядковый номер детали 186
69 256-1015022 Хомут крепления подогревателя
Подробнее
Дополнительная информация:
Кол-во на "6443, 644301, 65032, 650321" 2
Модель 256
Группа Двигатель
Подгруппа Подогреватель пусковой двигателя
Порядковый номер детали 022
71 256-1015018-А Втулка
Подробнее
Дополнительная информация:
Кол-во на "6443, 644301, 65032, 650321" 2
Модель 256
Группа Двигатель
Подгруппа Подогреватель пусковой двигателя
Порядковый номер детали 018
Дополнительно Взаимозаменяема с деталью, выпущенной ранее под этим же номером
71 256-1015023 Сухарь хомута
Подробнее
Дополнительная информация:
Кол-во на "6443, 644301, 65032, 650321" 2
Модель 256
Группа Двигатель
Подгруппа Подогреватель пусковой двигателя
Порядковый номер детали 023
72 256-1015024 Сухарь болта
Подробнее
Дополнительная информация:
Кол-во на "6443, 644301, 65032, 650321" 2
Модель 256
Группа Двигатель
Подгруппа Подогреватель пусковой двигателя
Порядковый номер детали 024
73 200272-П29 Болт М8х1,25х65
Подробнее
Дополнительная информация:
Кол-во на "6443, 644301, 65032, 650321" 2
Покрытие цинкование и пассивирование (цинковое с хроматированием)
ОКПО класс 45 Изделия автомобильной промышленности
ОКПО подкласс 9 Унифицированные узлы, детали и крепежные изделия, применяемые в автомобильной промышленности, и ремонтно-эксплуатационные комплекты
Вид изделия 30-39 - болты
Вид покрытия 1 - цинковое с хроматированием (цинкование и пассивирование(П29)
74 6443-1015133 Кронштейн крепления кожуха левый
Подробнее
Дополнительная информация:
Кол-во на "6443, 644301, 65032, 650321" 1
Модель 6443
Группа Двигатель
Подгруппа Подогреватель пусковой двигателя
Порядковый номер детали 133
75 6443-1015132 Кронштейн крепления кожуха правый
Подробнее
Дополнительная информация:
Кол-во на "6443, 644301, 65032, 650321" 1
Модель 6443
Группа Двигатель
Подгруппа Подогреватель пусковой двигателя
Порядковый номер детали 132
76 6437-1015082 Труба заливная промежуточная
Подробнее
Дополнительная информация:
Кол-во на "6443, 644301, 65032, 650321" 1
Модель 6437
Группа Двигатель
Подгруппа Подогреватель пусковой двигателя
Порядковый номер детали 082
77 256Б-1015148 Шланг соединительный
Подробнее
Дополнительная информация:
Кол-во на "6443, 644301, 65032, 650321" 1
Модель 256Р‘
Группа Двигатель
Подгруппа Подогреватель пусковой двигателя
Порядковый номер детали 148
78 250-1015114 Кронштейн котла подогревателя
Подробнее
Дополнительная информация:
Кол-во на "6443, 644301, 65032, 650321" 2
Модель 250
Группа Двигатель
Подгруппа Подогреватель пусковой двигателя
Порядковый номер детали 114
79 260-1015343-20 Трубка от насоса к клапану
Подробнее
Дополнительная информация:
Кол-во на "6443, 644301, 65032, 650321" 1
Модель 260
Группа Двигатель
Подгруппа Подогреватель пусковой двигателя
Порядковый номер детали 343
Дополнительно Не взаимозаменяема с деталью, выпущенной ранее под этим же номером
80 6443-1015108 Кожух защитный
Подробнее
Дополнительная информация:
Кол-во на "6443, 644301, 65032, 650321" 1
Модель 6443
Группа Двигатель
Подгруппа Подогреватель пусковой двигателя
Порядковый номер детали 108
80 ПЖД-44МБУ Подогреватель предпусковой (комплект)
Подробнее
Дополнительная информация:
Кол-во на "6443, 644301, 65032, 650321" 1
81 256Б1-1015206 Хомут
Подробнее
Дополнительная информация:
Кол-во на "6443, 644301, 65032, 650321" 1
Модель 256Р‘1
Группа Двигатель
Подгруппа Подогреватель пусковой двигателя
Порядковый номер детали 206
Гайка М16х1.5х14.8 шпильки полуоси заднего моста ЗИЛ ЭТНА 83 201505-П29 Болт М10х1,5х45
Подробнее
Дополнительная информация:
Кол-во на "6443, 644301, 65032, 650321" 2
Покрытие цинкование и пассивирование (цинковое с хроматированием)
  Код Название Артикул Цена
Болт М10х45 КР,5 КПП УАЗ-3160 066632 Болт М10х45 КР,5 КПП УАЗ-3160 201505-П29 20,00 р.
84 256-1302139 Подушка крепления радиатора малая
Подробнее
Дополнительная информация:
Кол-во на "6443, 644301, 65032, 650321" 2
Модель 256
Группа Система охлаждения
Подгруппа Подвеска радиатора
Порядковый номер детали 139