← Рычаг переключения передач, кран управления Коники, ограждение кабины и панели площадки сортиментовоза →
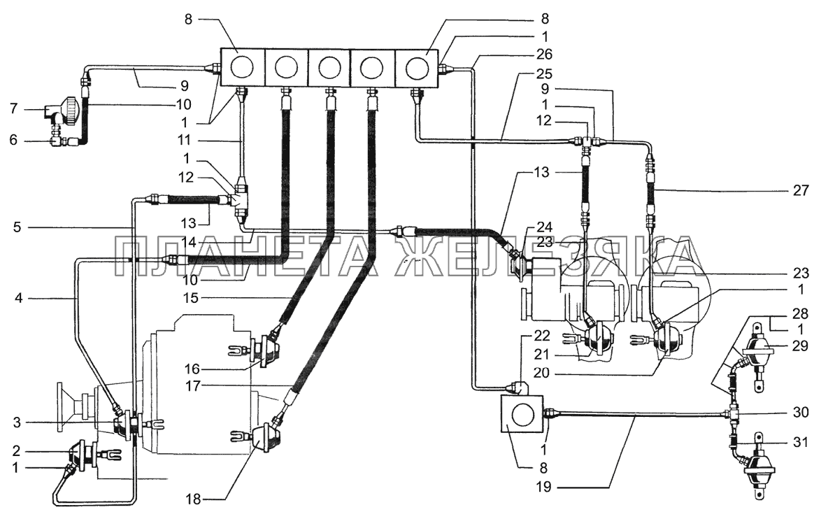
Воздухопроводы к потребителям КрАЗ-64372, 6133М6
  Номер детали Наименование детали  
1 347502 Штуцер К1/8"хМ10х1
Подробнее
Дополнительная информация:
Кол-во на "64372, 6133М6" 17
Покрытие без покрытия
2 Пневмокамера Пневмокамера включения переднего моста
Подробнее
Дополнительная информация:
Кол-во на "64372, 6133М6" 1
3 Пневмокамера Пневмокамера включения переднего моста
Подробнее
Дополнительная информация:
Кол-во на "64372, 6133М6" 1
4 6437-1811084 Трубка пневмокамеры отключения карданных валов
Подробнее
Дополнительная информация:
Кол-во на "64372, 6133М6" 1
Модель 6437
Группа Коробка раздаточная
Подгруппа 1811
Порядковый номер детали 084
5 65032-1831062 Трубка пневмокамеры включения переднего моста
Подробнее
Дополнительная информация:
Кол-во на "64372, 6133М6" 1
Модель 65032
Группа Коробка раздаточная
Подгруппа 1831
Порядковый номер детали 062
6 260-1723114 Тройник специальный
Подробнее
Дополнительная информация:
Кол-во на "64372, 6133М6" 1
Модель 260
Группа Коробка передач
Подгруппа 1723
Порядковый номер детали 114
7 238-1723050 Клапан редукционный
Подробнее
Дополнительная информация:
Кол-во на "64372, 6133М6" 1
Модель 238
Группа Коробка передач
Подгруппа 1723
Порядковый номер детали 050
8 11.3745000-21 Электромагнит клапана противоугонного устройства, блокировки межосевого дифференциала включения низшей передачи, блокировки межколесного дифференциала
Подробнее
Дополнительная информация:
Кол-во на "64372, 6133М6" 5
Модель 11
Группа Электрооборудование
Подгруппа 3745
Порядковый номер детали 000
Дополнительно Не взаимозаменяема с деталью, выпущенной ранее под этим же номером
9 65101-1804225 Трубка
Подробнее
Дополнительная информация:
Кол-во на "64372, 6133М6" 2
Модель 65101
Группа Коробка раздаточная
Подгруппа Привод управления механизмом переключения передач
Порядковый номер детали 225
10 64371-1804233-10 Шланг соединительный
Подробнее
Дополнительная информация:
Кол-во на "64372, 6133М6" 2
Модель 64371
Группа Коробка раздаточная
Подгруппа Привод управления механизмом переключения передач
Порядковый номер детали 233
Дополнительно Не взаимозаменяема с деталью, выпущенной ранее под этим же номером
11 6133М6-1804118-000 Трубка
Подробнее
Дополнительная информация:
Кол-во на "64372, 6133М6" 1
Модель 6133Рњ6
Группа Коробка раздаточная
Подгруппа Привод управления механизмом переключения передач
Порядковый номер детали 118
12 260-2511024 Блок развода воздуха
Подробнее
Дополнительная информация:
Кол-во на "64372, 6133М6" 2
Модель 260
Группа Мост средний
Подгруппа Привод включения блокировки межосевого дифференциала
Порядковый номер детали 024
13 6505-2511098 Шланг соединительный
Подробнее
Дополнительная информация:
Кол-во на "64372, 6133М6" 3
Модель 6505
Группа Мост средний
Подгруппа Привод включения блокировки межосевого дифференциала
Порядковый номер детали 098
14 260-2411032 Воздухопровод
Подробнее
Дополнительная информация:
Кол-во на "64372, 6133М6" 1
Модель 260
Группа Мост задний
Подгруппа 2411
Порядковый номер детали 032
ОКПО класс 45 Изделия автомобильной промышленности
ОКПО подкласс 3 Агрегаты, узлы и детали автомобилей грузовых, специализированных, автопогрузчиков и кузовов- фургонов специальных
Вид изделия 55-59 - гайки
Вид покрытия 0 - без покрытия (П)
15 64371-1804235 Шланг соединительный
Подробнее
Дополнительная информация:
Кол-во на "64372, 6133М6" 1
Модель 64371
Группа Коробка раздаточная
Подгруппа Привод управления механизмом переключения передач
Порядковый номер детали 235
16 Пневмокамера Пневмокамера включения переднего моста
Подробнее
Дополнительная информация:
Кол-во на "64372, 6133М6" 1
17 6505-2511094 Шланг соединительный
Подробнее
Дополнительная информация:
Кол-во на "64372, 6133М6" 1
Модель 6505
Группа Мост средний
Подгруппа Привод включения блокировки межосевого дифференциала
Порядковый номер детали 094
18 Пневмокамера Пневмокамера включения переднего моста
19 64372-2732132 Трубка
Подробнее
Дополнительная информация:
Кол-во на "64372, 6133М6" 1
Модель 64372
Группа Устройство седельное
Подгруппа 2732
Порядковый номер детали 132
20 Пневмокамера Пневмокамера включения переднего моста
Подробнее
Дополнительная информация:
Кол-во на "64372, 6133М6" 1
21 Пневмокамера Пневмокамера включения переднего моста
22 347214 Угольник К1/8"хМ10х1
Подробнее
Дополнительная информация:
Кол-во на "64372, 6133М6" 1
Покрытие без покрытия
23 6505-2411030-10 Трубка пневмокамеры блокировки мостов
Подробнее
Дополнительная информация:
Кол-во на "64372, 6133М6" 2
Модель 6505
Группа Мост задний
Подгруппа 2411
Порядковый номер детали 030
Дополнительно Не взаимозаменяема с деталью, выпущенной ранее под этим же номером
25 63221-2411032-10 Трубка
Подробнее
Дополнительная информация:
Кол-во на "64372, 6133М6" 1
Модель 63221
Группа Мост задний
Подгруппа 2411
Порядковый номер детали 032
Дополнительно Не взаимозаменяема с деталью, выпущенной ранее под этим же номером
26 64372-2732128 Трубка
Подробнее
Дополнительная информация:
Кол-во на "64372, 6133М6" 1
Модель 64372
Группа Устройство седельное
Подгруппа 2732
Порядковый номер детали 128
27 6505-2411098 Шланг соединительный
Подробнее
Дополнительная информация:
Кол-во на "64372, 6133М6" 1
Модель 6505
Группа Мост задний
Подгруппа 2411
Порядковый номер детали 098
28 256Б1-3509261 Трубка подвода масла задняя
Подробнее
Дополнительная информация:
Кол-во на "64372, 6133М6" 4
Модель 256Р‘1
Группа Тормоза
Подгруппа Компрессор пневмотормозов
Порядковый номер детали 261
29 643701-2732012 Пневмокамера запора дышла
Подробнее
Дополнительная информация:
Кол-во на "64372, 6133М6" 2
Модель 643701
Группа Устройство седельное
Подгруппа 2732
Порядковый номер детали 012
30 347369 Тройник проходной 6
Подробнее
Дополнительная информация:
Кол-во на "64372, 6133М6" 1
Покрытие без покрытия
31 256Б1-3509262-01 Шланг
Подробнее
Дополнительная информация:
Кол-во на "64372, 6133М6" 2
Модель 256Р‘1
Группа Тормоза
Подгруппа Компрессор пневмотормозов
Порядковый номер детали 262