| |
№ |
Номер детали |
Наименование детали |
|
|
|
|
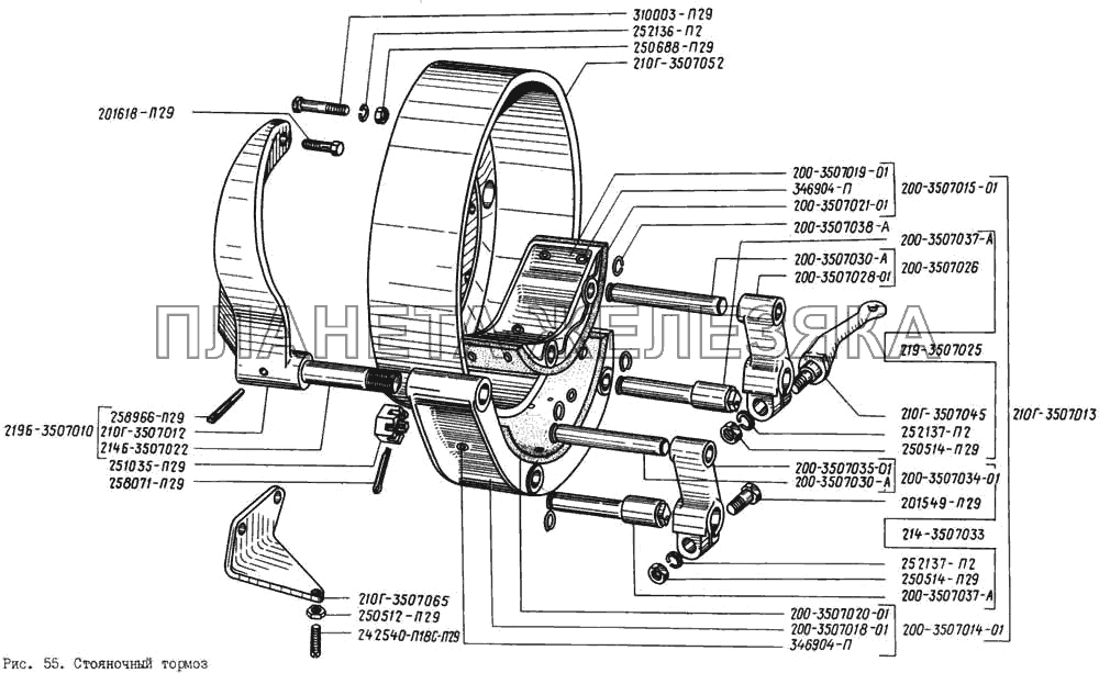
200-3507014-01 |
Колодка наружная в сборе
Подробнее
Дополнительная информация:
| Кол-во на "256 В1, 257 В1, 258 В1" |
1 |
| Модель |
200 |
| Группа |
Тормоза |
| Подгруппа |
Тормоз стояночный |
| Порядковый номер детали |
014 |
| ОКПО класс |
45 Изделия автомобильной промышленности |
| ОКПО подкласс |
3 Агрегаты, узлы и детали автомобилей грузовых, специализированных, автопогрузчиков и кузовов- фургонов специальных |
| Вид изделия |
50-54 - шпильки |
| Вид покрытия |
8 - не определено |
|
|
|
|
|
200-3507015-01 |
Колодка внутренняя в сборе
Подробнее
Дополнительная информация:
| Кол-во на "256 В1, 257 В1, 258 В1" |
1 |
| Модель |
200 |
| Группа |
Тормоза |
| Подгруппа |
Тормоз стояночный |
| Порядковый номер детали |
015 |
| ОКПО класс |
45 Изделия автомобильной промышленности |
| ОКПО подкласс |
3 Агрегаты, узлы и детали автомобилей грузовых, специализированных, автопогрузчиков и кузовов- фургонов специальных |
| Вид изделия |
50-54 - шпильки |
| Вид покрытия |
8 - не определено |
|
|
|
|
|
200-3507018-01 |
Колодка наружная
Подробнее
Дополнительная информация:
| Кол-во на "256 В1, 257 В1, 258 В1" |
1 |
| Модель |
200 |
| Группа |
Тормоза |
| Подгруппа |
Тормоз стояночный |
| Порядковый номер детали |
018 |
| ОКПО класс |
45 Изделия автомобильной промышленности |
| ОКПО подкласс |
3 Агрегаты, узлы и детали автомобилей грузовых, специализированных, автопогрузчиков и кузовов- фургонов специальных |
| Вид изделия |
50-54 - шпильки |
| Вид покрытия |
8 - не определено |
|
|
|
|
|
200-3507019-01 |
Колодка внутренняя
Подробнее
Дополнительная информация:
| Кол-во на "256 В1, 257 В1, 258 В1" |
1 |
| Модель |
200 |
| Группа |
Тормоза |
| Подгруппа |
Тормоз стояночный |
| Порядковый номер детали |
019 |
| ОКПО класс |
45 Изделия автомобильной промышленности |
| ОКПО подкласс |
3 Агрегаты, узлы и детали автомобилей грузовых, специализированных, автопогрузчиков и кузовов- фургонов специальных |
| Вид изделия |
50-54 - шпильки |
| Вид покрытия |
8 - не определено |
|
|
|
|
|
200-3507020-01 |
Накладка наружной колодки
Подробнее
Дополнительная информация:
| Кол-во на "256 В1, 257 В1, 258 В1" |
1 |
| Модель |
200 |
| Группа |
Тормоза |
| Подгруппа |
Тормоз стояночный |
| Порядковый номер детали |
020 |
| ОКПО класс |
45 Изделия автомобильной промышленности |
| ОКПО подкласс |
3 Агрегаты, узлы и детали автомобилей грузовых, специализированных, автопогрузчиков и кузовов- фургонов специальных |
| Вид изделия |
50-54 - шпильки |
| Вид покрытия |
8 - не определено |
|
|
|
|
|
200-3507021-01 |
Накладка внутренней колодки
Подробнее
Дополнительная информация:
| Кол-во на "256 В1, 257 В1, 258 В1" |
1 |
| Модель |
200 |
| Группа |
Тормоза |
| Подгруппа |
Тормоз стояночный |
| Порядковый номер детали |
021 |
| ОКПО класс |
45 Изделия автомобильной промышленности |
| ОКПО подкласс |
3 Агрегаты, узлы и детали автомобилей грузовых, специализированных, автопогрузчиков и кузовов- фургонов специальных |
| Вид изделия |
50-54 - шпильки |
| Вид покрытия |
6 - фосфатное с промасливанием (П2) |
|
|
|
|
|
200-3507026 |
Рычаг правый в сборе
Подробнее
Дополнительная информация:
| Кол-во на "256 В1, 257 В1, 258 В1" |
1 |
| Модель |
200 |
| Группа |
Тормоза |
| Подгруппа |
Тормоз стояночный |
| Порядковый номер детали |
026 |
| ОКПО класс |
45 Изделия автомобильной промышленности |
| ОКПО подкласс |
3 Агрегаты, узлы и детали автомобилей грузовых, специализированных, автопогрузчиков и кузовов- фургонов специальных |
| Вид изделия |
40-49 - винты |
| Вид покрытия |
3 - многослойное медь-никель (никелирование и полировка (П6) |
|
|
|
|
|
200-3507028-01 |
Рычаг правый
Подробнее
Дополнительная информация:
| Кол-во на "256 В1, 257 В1, 258 В1" |
1 |
| Модель |
200 |
| Группа |
Тормоза |
| Подгруппа |
Тормоз стояночный |
| Порядковый номер детали |
028 |
| ОКПО класс |
45 Изделия автомобильной промышленности |
| ОКПО подкласс |
3 Агрегаты, узлы и детали автомобилей грузовых, специализированных, автопогрузчиков и кузовов- фургонов специальных |
| Вид изделия |
50-54 - шпильки |
| Вид покрытия |
8 - не определено |
|
|
|
|
|
200-3507030-А |
Палец рычагов
Подробнее
Дополнительная информация:
| Кол-во на "256 В1, 257 В1, 258 В1" |
2 |
| Модель |
200 |
| Группа |
Тормоза |
| Подгруппа |
Тормоз стояночный |
| Порядковый номер детали |
030 |
| Дополнительно |
Взаимозаменяема с деталью, выпущенной ранее под этим же номером |
| ОКПО класс |
45 Изделия автомобильной промышленности |
| ОКПО подкласс |
3 Агрегаты, узлы и детали автомобилей грузовых, специализированных, автопогрузчиков и кузовов- фургонов специальных |
| Вид изделия |
40-49 - винты |
| Вид покрытия |
3 - многослойное медь-никель (никелирование и полировка (П6) |
|
|
|
|
|
200-3507034-01 |
Рычаг левый в сборе
Подробнее
Дополнительная информация:
| Кол-во на "256 В1, 257 В1, 258 В1" |
1 |
| Модель |
200 |
| Группа |
Тормоза |
| Подгруппа |
Тормоз стояночный |
| Порядковый номер детали |
034 |
| ОКПО класс |
45 Изделия автомобильной промышленности |
| ОКПО подкласс |
3 Агрегаты, узлы и детали автомобилей грузовых, специализированных, автопогрузчиков и кузовов- фургонов специальных |
| Вид изделия |
50-54 - шпильки |
| Вид покрытия |
8 - не определено |
|
|
|
|
|
200-3507035-01 |
Рычаг левый
Подробнее
Дополнительная информация:
| Кол-во на "256 В1, 257 В1, 258 В1" |
1 |
| Модель |
200 |
| Группа |
Тормоза |
| Подгруппа |
Тормоз стояночный |
| Порядковый номер детали |
035 |
| ОКПО класс |
45 Изделия автомобильной промышленности |
| ОКПО подкласс |
3 Агрегаты, узлы и детали автомобилей грузовых, специализированных, автопогрузчиков и кузовов- фургонов специальных |
| Вид изделия |
50-54 - шпильки |
| Вид покрытия |
8 - не определено |
|
|
|
|
|
200-3507037-А |
Палец
Подробнее
Дополнительная информация:
| Кол-во на "256 В1, 257 В1, 258 В1" |
2 |
| Модель |
200 |
| Группа |
Тормоза |
| Подгруппа |
Тормоз стояночный |
| Порядковый номер детали |
037 |
| Дополнительно |
Взаимозаменяема с деталью, выпущенной ранее под этим же номером |
| ОКПО класс |
45 Изделия автомобильной промышленности |
| ОКПО подкласс |
3 Агрегаты, узлы и детали автомобилей грузовых, специализированных, автопогрузчиков и кузовов- фургонов специальных |
| Вид изделия |
40-49 - винты |
| Вид покрытия |
3 - многослойное медь-никель (никелирование и полировка (П6) |
|
|
|
|
|
200-3507038-А |
Кольцо
Подробнее
Дополнительная информация:
| Кол-во на "256 В1, 257 В1, 258 В1" |
4 |
| Модель |
200 |
| Группа |
Тормоза |
| Подгруппа |
Тормоз стояночный |
| Порядковый номер детали |
038 |
| Дополнительно |
Взаимозаменяема с деталью, выпущенной ранее под этим же номером |
| ОКПО класс |
45 Изделия автомобильной промышленности |
| ОКПО подкласс |
3 Агрегаты, узлы и детали автомобилей грузовых, специализированных, автопогрузчиков и кузовов- фургонов специальных |
| Вид изделия |
40-49 - винты |
| Вид покрытия |
3 - многослойное медь-никель (никелирование и полировка (П6) |
|
|
|
|
|
201618-П29 |
Болт М14х1,5х50
Подробнее
Дополнительная информация:
| Кол-во на "256 В1, 257 В1, 258 В1" |
1 |
| Покрытие |
цинкование и пассивирование (цинковое с хроматированием) |
|
|
|
|
|
210549-П29 |
Болт
Подробнее
Дополнительная информация:
| Кол-во на "256 В1, 257 В1, 258 В1" |
1 |
| Покрытие |
цинкование и пассивирование (цинковое с хроматированием) |
| ОКПО класс |
45 Изделия автомобильной промышленности |
| ОКПО подкласс |
9 Унифицированные узлы, детали и крепежные изделия, применяемые в автомобильной промышленности, и ремонтно-эксплуатационные комплекты |
| Вид изделия |
30-39 - болты |
| Вид покрытия |
1 - цинковое с хроматированием (цинкование и пассивирование(П29) |
|
|
|
|
|
210Г-3507012 |
Кронштейн колодки
Подробнее
Дополнительная информация:
| Кол-во на "256 В1, 257 В1, 258 В1" |
1 |
| Модель |
210Р“ |
| Группа |
Тормоза |
| Подгруппа |
Тормоз стояночный |
| Порядковый номер детали |
012 |
| ОКПО класс |
45 Изделия автомобильной промышленности |
| ОКПО подкласс |
3 Агрегаты, узлы и детали автомобилей грузовых, специализированных, автопогрузчиков и кузовов- фургонов специальных |
| Вид изделия |
50-54 - шпильки |
| Вид покрытия |
0 - без покрытия (П) |
|
|
|
|
|
210Г-3507013 |
Колодка тормоза (комплект)
Подробнее
Дополнительная информация:
| Кол-во на "256 В1, 257 В1, 258 В1" |
1 |
| Модель |
210Р“ |
| Группа |
Тормоза |
| Подгруппа |
Тормоз стояночный |
| Порядковый номер детали |
013 |
| ОКПО класс |
45 Изделия автомобильной промышленности |
| ОКПО подкласс |
3 Агрегаты, узлы и детали автомобилей грузовых, специализированных, автопогрузчиков и кузовов- фургонов специальных |
| Вид изделия |
50-54 - шпильки |
| Вид покрытия |
0 - без покрытия (П) |
|
|
|
|
|
210Г-3507045 |
Рычаг поперечный
Подробнее
Дополнительная информация:
| Кол-во на "256 В1, 257 В1, 258 В1" |
1 |
| Модель |
210Р“ |
| Группа |
Тормоза |
| Подгруппа |
Тормоз стояночный |
| Порядковый номер детали |
045 |
| ОКПО класс |
45 Изделия автомобильной промышленности |
| ОКПО подкласс |
3 Агрегаты, узлы и детали автомобилей грузовых, специализированных, автопогрузчиков и кузовов- фургонов специальных |
| Вид изделия |
50-54 - шпильки |
| Вид покрытия |
0 - без покрытия (П) |
|
|
|
|
210Г-3507052 |
Барабан
Подробнее
Дополнительная информация:
| Кол-во на "256 В1, 257 В1, 258 В1" |
1 |
| Модель |
210Р“ |
| Группа |
Тормоза |
| Подгруппа |
Тормоз стояночный |
| Порядковый номер детали |
052 |
| ОКПО класс |
45 Изделия автомобильной промышленности |
| ОКПО подкласс |
3 Агрегаты, узлы и детали автомобилей грузовых, специализированных, автопогрузчиков и кузовов- фургонов специальных |
| Вид изделия |
50-54 - шпильки |
| Вид покрытия |
0 - без покрытия (П) |
|
|
|
|
|
|
|
210Г-3507065 |
Кронштейн
Подробнее
Дополнительная информация:
| Кол-во на "256 В1, 257 В1, 258 В1" |
1 |
| Модель |
210Р“ |
| Группа |
Тормоза |
| Подгруппа |
Тормоз стояночный |
| Порядковый номер детали |
065 |
| ОКПО класс |
45 Изделия автомобильной промышленности |
| ОКПО подкласс |
3 Агрегаты, узлы и детали автомобилей грузовых, специализированных, автопогрузчиков и кузовов- фургонов специальных |
| Вид изделия |
50-54 - шпильки |
| Вид покрытия |
0 - без покрытия (П) |
|
|
|
|
|
214-3507033 |
Рычаг колодки левый с пальцами в сборе
Подробнее
Дополнительная информация:
| Кол-во на "256 В1, 257 В1, 258 В1" |
1 |
| Модель |
214 |
| Группа |
Тормоза |
| Подгруппа |
Тормоз стояночный |
| Порядковый номер детали |
033 |
| ОКПО класс |
45 Изделия автомобильной промышленности |
| ОКПО подкласс |
3 Агрегаты, узлы и детали автомобилей грузовых, специализированных, автопогрузчиков и кузовов- фургонов специальных |
| Вид изделия |
50-54 - шпильки |
| Вид покрытия |
1 - цинковое с хроматированием (цинкование и пассивирование(П29) |
|
|
|
|
|
214Б-3507022 |
Ось колодки
Подробнее
Дополнительная информация:
| Кол-во на "256 В1, 257 В1, 258 В1" |
1 |
| Модель |
214Р‘ |
| Группа |
Тормоза |
| Подгруппа |
Тормоз стояночный |
| Порядковый номер детали |
022 |
| ОКПО класс |
45 Изделия автомобильной промышленности |
| ОКПО подкласс |
3 Агрегаты, узлы и детали автомобилей грузовых, специализированных, автопогрузчиков и кузовов- фургонов специальных |
| Вид изделия |
50-54 - шпильки |
| Вид покрытия |
1 - цинковое с хроматированием (цинкование и пассивирование(П29) |
|
|
|
|
|
219-3507025 |
Рычаг колодки правый с пальцами в сборе
Подробнее
Дополнительная информация:
| Кол-во на "256 В1, 257 В1, 258 В1" |
1 |
| Модель |
219 |
| Группа |
Тормоза |
| Подгруппа |
Тормоз стояночный |
| Порядковый номер детали |
025 |
| ОКПО класс |
45 Изделия автомобильной промышленности |
| ОКПО подкласс |
3 Агрегаты, узлы и детали автомобилей грузовых, специализированных, автопогрузчиков и кузовов- фургонов специальных |
| Вид изделия |
50-54 - шпильки |
| Вид покрытия |
3 - многослойное медь-никель (никелирование и полировка (П6) |
|
|
|
|
|
219Б-3507010 |
Кронштейн колодки в сборе
Подробнее
Дополнительная информация:
| Кол-во на "256 В1, 257 В1, 258 В1" |
1 |
| Модель |
219Р‘ |
| Группа |
Тормоза |
| Подгруппа |
Тормоз стояночный |
| Порядковый номер детали |
010 |
| ОКПО класс |
45 Изделия автомобильной промышленности |
| ОКПО подкласс |
3 Агрегаты, узлы и детали автомобилей грузовых, специализированных, автопогрузчиков и кузовов- фургонов специальных |
| Вид изделия |
50-54 - шпильки |
| Вид покрытия |
3 - многослойное медь-никель (никелирование и полировка (П6) |
|
|
|
|
|
242540-П18С-П29 |
Винт
Подробнее
Дополнительная информация:
| Кол-во на "256 В1, 257 В1, 258 В1" |
1 |
| Покрытие |
цинкование и пассивирование (цинковое с хроматированием) |
|
|
|
|
|
250512-П29 |
Гайка М10х1,5
Подробнее
Дополнительная информация:
| Кол-во на "256 В1, 257 В1, 258 В1" |
1 |
| Покрытие |
цинкование и пассивирование (цинковое с хроматированием) |
|
|
|
|
250514-П29 |
Гайка М12х1,75
Подробнее
Дополнительная информация:
| Кол-во на "256 В1, 257 В1, 258 В1" |
2 |
| Покрытие |
цинкование и пассивирование (цинковое с хроматированием) |
|
|
|
|
|
|
|
250688-П29 |
Гайка М10х1
Подробнее
Дополнительная информация:
| Кол-во на "256 В1, 257 В1, 258 В1" |
8 |
| Покрытие |
цинкование и пассивирование (цинковое с хроматированием) |
| ОКПО класс |
45 Изделия автомобильной промышленности |
| ОКПО подкласс |
9 Унифицированные узлы, детали и крепежные изделия, применяемые в автомобильной промышленности, и ремонтно-эксплуатационные комплекты |
| Вид изделия |
90-99 - детали, соединяющие трубопроводы, резьбовые пробки |
| Вид покрытия |
4 - многослойное медь-никель-хром (хромирование блестящее с полировкой (П13) |
|
|
|
|
|
251035-П29 |
Гайка М24х2
Подробнее
Дополнительная информация:
| Кол-во на "256 В1, 257 В1, 258 В1" |
1 |
| Покрытие |
цинкование и пассивирование (цинковое с хроматированием) |
|
|
|
|
|
252136-П2 |
Шайба 10 пружинная
Подробнее
Дополнительная информация:
| Кол-во на "256 В1, 257 В1, 258 В1" |
8 |
| Покрытие |
фосфатирование и промасливание |
|
|
|
|
|
252137-П2 |
Шайба 12 пружинная
Подробнее
Дополнительная информация:
| Кол-во на "256 В1, 257 В1, 258 В1" |
2 |
| Покрытие |
фосфатирование и промасливание |
|
|
|
|
|
258071-П29 |
Шплинт 5х45
Подробнее
Дополнительная информация:
| Кол-во на "256 В1, 257 В1, 258 В1" |
1 |
| Покрытие |
цинкование и пассивирование (цинковое с хроматированием) |
|
|
|
|
|
258966-П29 |
Штифт
Подробнее
Дополнительная информация:
| Кол-во на "256 В1, 257 В1, 258 В1" |
1 |
| Покрытие |
цинкование и пассивирование (цинковое с хроматированием) |
| ОКПО класс |
45 Изделия автомобильной промышленности |
| ОКПО подкласс |
9 Унифицированные узлы, детали и крепежные изделия, применяемые в автомобильной промышленности, и ремонтно-эксплуатационные комплекты |
| Вид изделия |
84-85 - штифты |
| Вид покрытия |
1 - цинковое с хроматированием (цинкование и пассивирование(П29) |
|
|
|
|
|
310003-П29 |
Болт
Подробнее
Дополнительная информация:
| Кол-во на "256 В1, 257 В1, 258 В1" |
8 |
| Покрытие |
цинкование и пассивирование (цинковое с хроматированием) |
| ОКПО класс |
45 Изделия автомобильной промышленности |
| ОКПО подкласс |
9 Унифицированные узлы, детали и крепежные изделия, применяемые в автомобильной промышленности, и ремонтно-эксплуатационные комплекты |
| Вид изделия |
90-99 - детали, соединяющие трубопроводы, резьбовые пробки |
| Вид покрытия |
1 - цинковое с хроматированием (цинкование и пассивирование(П29) |
|
|
|
|
|
346904-П |
Заклепка 5х12
Подробнее
Дополнительная информация:
| Кол-во на "256 В1, 257 В1, 258 В1" |
14 |
| Покрытие |
без покрытия |
| ОКПО класс |
45 Изделия автомобильной промышленности |
| ОКПО подкласс |
9 Унифицированные узлы, детали и крепежные изделия, применяемые в автомобильной промышленности, и ремонтно-эксплуатационные комплекты |
| Вид изделия |
90-99 - детали, соединяющие трубопроводы, резьбовые пробки |
| Вид покрытия |
5 - окисное (оксидирование (П15) |
|
|