← 740.90-1112000 Установка форсунки 740.90-1115012-10 Коллектор впускной правый →
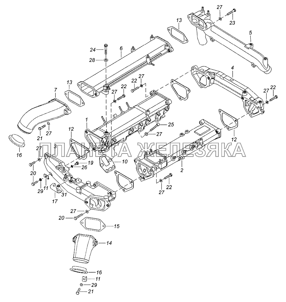
740.90-1115000-20 Установка системы впуска КамАЗ-6522 (Евро-4)
  Номер детали Наименование детали  
1 740.90-1115012-20 Коллектор впускной правый
Подробнее
Дополнительная информация:
Кол-во на "6522, 65225 (6522-3902003 КД)" 1
Примечание Нет
Модель 740.90
Группа Cистема питания двигателя
Подгруппа 1115
Порядковый номер детали 012
Дополнительно Не взаимозаменяема с деталью, выпущенной ранее под этим же номером
2 740.90-1115014-10 Коллектор впускной левый
Подробнее
Дополнительная информация:
Кол-во на "6522, 65225 (6522-3902003 КД)" 1
Модель 740.90
Группа Cистема питания двигателя
Подгруппа 1115
Порядковый номер детали 014
Дополнительно Не взаимозаменяема с деталью, выпущенной ранее под этим же номером
3 740.91-1115030 Патрубок соединительный
Подробнее
Дополнительная информация:
Кол-во на "6522, 65225 (6522-3902003 КД)" 1
Модель 740.91
Группа Cистема питания двигателя
Подгруппа 1115
Порядковый номер детали 030
4 7406.1115045-40 Патрубок объединительный
Подробнее
Дополнительная информация:
Кол-во на "6522, 65225 (6522-3902003 КД)" 1
Модель 7406
Группа Cистема питания двигателя
Подгруппа 1115
Порядковый номер детали 045
Дополнительно Не взаимозаменяема с деталью, выпущенной ранее под этим же номером
5 7406.1115110-20 Тройник
Подробнее
Дополнительная информация:
Кол-во на "6522, 65225 (6522-3902003 КД)" 1
Модель 7406
Группа Cистема питания двигателя
Подгруппа 1115
Порядковый номер детали 110
Дополнительно Не взаимозаменяема с деталью, выпущенной ранее под этим же номером
6 7406.1115122-10 Труба подводящая
Подробнее
Дополнительная информация:
Кол-во на "6522, 65225 (6522-3902003 КД)" 1
Модель 7406
Группа Cистема питания двигателя
Подгруппа 1115
Порядковый номер детали 122
Дополнительно Не взаимозаменяема с деталью, выпущенной ранее под этим же номером
7 53205-1170125 Патрубок отводящий
Подробнее
Дополнительная информация:
Кол-во на "6522, 65225 (6522-3902003 КД)" 1
Модель 53205
Группа Cистема питания двигателя
Подгруппа 1170
Порядковый номер детали 125
10 740.1115026-01 Прокладка впускного коллектора
Подробнее
Дополнительная информация:
Кол-во на "6522, 65225 (6522-3902003 КД)" 8
Модель 740
Группа Cистема питания двигателя
Подгруппа 1115
Порядковый номер детали 026
11 740.1115038 Шайба опорная
Подробнее
Дополнительная информация:
Кол-во на "6522, 65225 (6522-3902003 КД)" 3
Модель 740
Группа Cистема питания двигателя
Подгруппа 1115
Порядковый номер детали 038
12 7406.1115050-10 Прокладка патрубка объединительного
Подробнее
Дополнительная информация:
Кол-во на "6522, 65225 (6522-3902003 КД)" 4
Модель 7406
Группа Cистема питания двигателя
Подгруппа 1115
Порядковый номер детали 050
Дополнительно Не взаимозаменяема с деталью, выпущенной ранее под этим же номером
  Код Название Артикул Цена
Прокладка КАМАЗ-ЕВРО патрубка объединительного 1,5мм 350440 Прокладка КАМАЗ-ЕВРО патрубка объединительного 1,5мм 7406.1115050-10 23,00 р.
Прокладка КАМАЗ-ЕВРО патрубка объединительного 1,5мм 13 7406.1115115 Прокладка трубы подводящей
Подробнее
Дополнительная информация:
Кол-во на "6522, 65225 (6522-3902003 КД)" 2
Модель 7406
Группа Cистема питания двигателя
Подгруппа 1115
Порядковый номер детали 115
  Код Название Артикул Цена
Прокладка КАМАЗ трубы подводящей 161935 Прокладка КАМАЗ трубы подводящей 7406.1115115 40,00 р.
14 53205-1170132 Патрубок подводящий
Подробнее
Дополнительная информация:
Кол-во на "6522, 65225 (6522-3902003 КД)" 1
Модель 53205
Группа Cистема питания двигателя
Подгруппа 1170
Порядковый номер детали 132
15 53205-1170254 Прокладка патрубка подводящего
Подробнее
Дополнительная информация:
Кол-во на "6522, 65225 (6522-3902003 КД)" 1
Модель 53205
Группа Cистема питания двигателя
Подгруппа 1170
Порядковый номер детали 254
16 53205-1170336 Заглушка теплообменника
Подробнее
Дополнительная информация:
Кол-во на "6522, 65225 (6522-3902003 КД)" 2
Модель 53205
Группа Cистема питания двигателя
Подгруппа 1170
Порядковый номер детали 336
17 65115-1302048-10 Кронштейн крепления тяги радиатора
Подробнее
Дополнительная информация:
Кол-во на "6522, 65225 (6522-3902003 КД)" 1
Модель 65115
Группа Система охлаждения
Подгруппа Подвеска радиатора
Порядковый номер детали 048
Дополнительно Не взаимозаменяема с деталью, выпущенной ранее под этим же номером
20 1/59709/21 Болт М10х1,25-6gх35
Подробнее
Дополнительная информация:
Кол-во на "6522, 65225 (6522-3902003 КД)" 2
Примечание Нет
Крепежная деталь да
Материал сталь 80 (сталь с пределом прочности на разрыв 784-980 (80-100) МПа (кг/мм2)
Покрытие цинкование
21 1/12347/21 Болт М10х1,25-6gх45
Подробнее
Дополнительная информация:
Кол-во на "6522, 65225 (6522-3902003 КД)" 4
Примечание Нет
Крепежная деталь да
Материал сталь 80 (сталь с пределом прочности на разрыв 784-980 (80-100) МПа (кг/мм2)
Покрытие цинкование
22 1/13438/21 Болт М10х1,25-6gх50
Подробнее
Дополнительная информация:
Кол-во на "6522, 65225 (6522-3902003 КД)" 9
Примечание Нет
Крепежная деталь да
Материал сталь 80 (сталь с пределом прочности на разрыв 784-980 (80-100) МПа (кг/мм2)
Покрытие цинкование
23 1/12880/21 Болт М10х1,25-6gх60
Подробнее
Дополнительная информация:
Кол-во на "6522, 65225 (6522-3902003 КД)" 5
Примечание Нет
Крепежная деталь да
Материал сталь 80 (сталь с пределом прочности на разрыв 784-980 (80-100) МПа (кг/мм2)
Покрытие цинкование
25 1/59718/21 Болт М10х1,25-6gх100
Подробнее
Дополнительная информация:
Кол-во на "6522, 65225 (6522-3902003 КД)" 16
Примечание Нет
Крепежная деталь да
Материал сталь 80 (сталь с пределом прочности на разрыв 784-980 (80-100) МПа (кг/мм2)
Покрытие цинкование
27 1/26014/73 Шайба 10 волнистая
Подробнее
Дополнительная информация:
Кол-во на "6522, 65225 (6522-3902003 КД)" 33
Примечание Нет
Крепежная деталь да
Материал другие металлические материалы, т. е. не сталь, не латунь, не легкий сплав, не медь
Покрытие фосфатирование
28 1/26468/01 Шайба плоская 10,2х25х2
Подробнее
Дополнительная информация:
Кол-во на "6522, 65225 (6522-3902003 КД)" 1
Примечание Нет
Крепежная деталь да
Материал сталь 40 (сталь с пределом прочности на разрыв 333-490 (34-50) МПа (кг/мм2)
Покрытие цинкование
29 1/05168/73 Шайба 10 пружинная
Подробнее
Дополнительная информация:
Кол-во на "6522, 65225 (6522-3902003 КД)" 3
Примечание Нет
Крепежная деталь да
Материал другие металлические материалы, т. е. не сталь, не латунь, не легкий сплав, не медь
Покрытие фосфатирование
30 45104991007600 Болт
Подробнее
Дополнительная информация:
Кол-во на "6522, 65225 (6522-3902003 КД)" 1
Примечание Нет
Группа Лебедка
Подгруппа 4510
Порядковый номер детали 499
31 45104993014200 Гайка фланцевая М8-6Н
Подробнее
Дополнительная информация:
Кол-во на "6522, 65225 (6522-3902003 КД)" 2
Примечание Нет
Группа Лебедка
Подгруппа 4510
Порядковый номер детали 499