← Генератор Стартер →
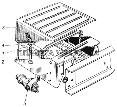
Установка аккумуляторных батарей и выключателя массы КамАЗ-65115
  Номер детали Наименование детали  
1 5320-3703084 Рамка крепления аккумуляторных батарей в сборе
Подробнее
Дополнительная информация:
Кол-во на "53215, 54115, 55111, 65115" 1
Модель 5320
Группа Электрооборудование
Подгруппа Батарея аккумуляторная
Порядковый номер детали 084
  Код Название Артикул Цена
Рамка КАМАЗ АКБ КАМАЗ ПАО 117671 Рамка КАМАЗ АКБ КАМАЗ ПАО 5320-3703084 900,00 р.
2 5320-3703058 Гнездо аккумуляторных батарей
Подробнее
Дополнительная информация:
Кол-во на "53215, 54115, 55111, 65115" 1
Модель 5320
Группа Электрооборудование
Подгруппа Батарея аккумуляторная
Порядковый номер детали 058
2 5320-3703058-30 Гнездо аккумуляторных батарей
Подробнее
Дополнительная информация:
Кол-во на "53215, 54115, 55111, 65115" 1
Модель 5320
Группа Электрооборудование
Подгруппа Батарея аккумуляторная
Порядковый номер детали 058
Дополнительно Не взаимозаменяема с деталью, выпущенной ранее под этим же номером
2 5511-3703058 Гнездо аккумуляторных батарей
Подробнее
Дополнительная информация:
Модель 5511
Группа Электрооборудование
Подгруппа Батарея аккумуляторная
Порядковый номер детали 058
Рамка КАМАЗ АКБ КАМАЗ ПАО 3 5320-3703158 Крышка гнезда
Подробнее
Дополнительная информация:
Кол-во на "53215, 54115, 55111, 65115" 1
Модель 5320
Группа Электрооборудование
Подгруппа Батарея аккумуляторная
Порядковый номер детали 158
  Код Название Артикул Цена
Крышка АКБ КАМАЗ-5320 пластмас 102089 Крышка АКБ КАМАЗ-5320 пластмас 5320-3703158 2 500,00 р.
Крышка АКБ КАМАЗ пластмас.2х яр 102105 Крышка АКБ КАМАЗ пластмас.2х яр 5320-3703158 1 900,00 р.
Крышка АКБ КАМАЗ-5320 пластм.с метал.защелкой МАСТЕРПЛАСТ 265496 Крышка АКБ КАМАЗ-5320 пластм.с метал.защелкой МАСТЕРПЛАСТ 5320-3703158 2 050,00 р.
Крышка АКБ КАМАЗ-5320 пласт. ТЕХНОТРОН 708775 Крышка АКБ КАМАЗ-5320 пласт. ТЕХНОТРОН 5320-3703158 2 900,00 р.
3 5320-3703158-20 Крышка гнезда аккумуляторных батарей
Подробнее
Дополнительная информация:
Кол-во на "53215, 54115, 55111, 65115" 1
Модель 5320
Группа Электрооборудование
Подгруппа Батарея аккумуляторная
Порядковый номер детали 158
Дополнительно Не взаимозаменяема с деталью, выпущенной ранее под этим же номером
4 6СТ-190А Батарея аккумуляторная
Подробнее
Дополнительная информация:
Кол-во на "53215, 54115, 55111, 65115" 2
4 6СТ-190ТР Батарея аккумуляторная
Подробнее
Дополнительная информация:
Кол-во на "53215, 54115, 55111, 65115" 2
5 1402.3737 Выключатель массы
Подробнее
Дополнительная информация:
Кол-во на "53215, 54115, 55111, 65115" 1