← Окно двери и механизм перемещения стекла двери Сиденье водителя →
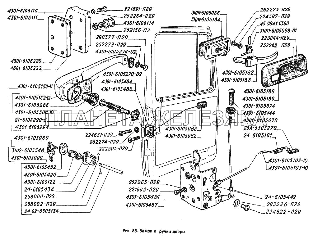
Замок и ручки две ГАЗ-3306
  Номер детали Наименование детали  
21-6105290-Б Пружина кнопки
Подробнее
Дополнительная информация:
Кол-во на "3306" 2
Модель 21
Группа Дверь кабины (передняя)
Подгруппа Замок и ручки (передней) двери
Порядковый номер детали 290
Дополнительно Взаимозаменяема с деталью, выпущенной ранее под этим же номером
221603-П29 Винт М6-6gх12 ОСТ 37.001.125-81
Подробнее
Дополнительная информация:
Кол-во на "3306" 2
Покрытие цинкование и пассивирование (цинковое с хроматированием)
221691-П29 Винт М8х1-6gх18 ОСТ 37.001.125-81
Подробнее
Дополнительная информация:
Кол-во на "3306" 4
Покрытие цинкование и пассивирование (цинковое с хроматированием)
222503-П29 Винт М5-6gх22 ОСТ 37.001.128-96
Подробнее
Дополнительная информация:
Кол-во на "3306" 2
Покрытие цинкование и пассивирование (цинковое с хроматированием)
223044-П29 Винт М5-6gх25 ОСТ 37.001.126-81
Подробнее
Дополнительная информация:
Кол-во на "3306" 2
Покрытие цинкование и пассивирование (цинковое с хроматированием)
224597-П29 Винт М5-6gх10 ОСТ 37.001.130-81
Подробнее
Дополнительная информация:
Кол-во на "3306" 8
Покрытие цинкование и пассивирование (цинковое с хроматированием)
  Код Название Артикул Цена
Винт М5х10 с плоской головкой 097479 Винт М5х10 с плоской головкой 224597-П29 3,00 р.
Винт М5х10 с плоской головкой 224622-П29 Винт М6-6gх10 ОСТ 37.001.130-81
Подробнее
Дополнительная информация:
Кол-во на "3306" 22
Покрытие цинкование и пассивирование (цинковое с хроматированием)
  Код Название Артикул Цена
Винт М6х10 с плоской головкой,многоцелевой 097430 Винт М6х10 с плоской головкой,многоцелевой 224622-П29 3,00 р.
224631-П29 Винт М6-6gх30 ОСТ 37.001.130-81
Подробнее
Дополнительная информация:
Кол-во на "3306" 8
Покрытие цинкование и пассивирование (цинковое с хроматированием)
23А-5303270 Зажим тяги
Подробнее
Дополнительная информация:
Кол-во на "3306" 2
Модель 23Рђ
Группа Передок кабины
Подгруппа Ящик вещевой
Порядковый номер детали 270
24-02-6305134 Стержень выключателя
Подробнее
Дополнительная информация:
Кол-во на "3306" 2
Модель 24-02
Группа Дверь задка кузова
Подгруппа Замок и ручка
Порядковый номер детали 134
24-6105101 Чехол тяги
Подробнее
Дополнительная информация:
Кол-во на "3306" 2
Модель 24
Группа Дверь кабины (передняя)
Подгруппа Замок и ручки (передней) двери
Порядковый номер детали 101
24-6105434 Пружина заслонки
Подробнее
Дополнительная информация:
Кол-во на "3306" 2
Модель 24
Группа Дверь кабины (передняя)
Подгруппа Замок и ручки (передней) двери
Порядковый номер детали 434
24-6105442 Зажим тяги
Подробнее
Дополнительная информация:
Кол-во на "3306" 4
Модель 24
Группа Дверь кабины (передняя)
Подгруппа Замок и ручки (передней) двери
Порядковый номер детали 442
252156-П2 Шайба 10Л ОСТ 37.001.115-75
Подробнее
Дополнительная информация:
Кол-во на "3306" 64
Покрытие фосфатирование и промасливание
252262-П29 Шайба 2-5 ОСТ 37.001.147-75
Подробнее
Дополнительная информация:
Кол-во на "3306" 6
Покрытие цинкование и пассивирование (цинковое с хроматированием)
252263-П29 Шайба 2-6 ОСТ 37.001.147-75
Подробнее
Дополнительная информация:
Кол-во на "3306" 2
Покрытие цинкование и пассивирование (цинковое с хроматированием)
252264-П29 Шайба 2-8 ОСТ 37.001.147-75
Подробнее
Дополнительная информация:
Кол-во на "3306" 4
Покрытие цинкование и пассивирование (цинковое с хроматированием)
252273-П29 Шайба 5 ОСТ 37.001.146-75
Подробнее
Дополнительная информация:
Кол-во на "3306" 10
Покрытие цинкование и пассивирование (цинковое с хроматированием)
252274-П29 Шайба 6 ОСТ 37.001.146-75
Подробнее
Дополнительная информация:
Кол-во на "3306" 12
Покрытие цинкование и пассивирование (цинковое с хроматированием)
258000-П29 Шплинт 1,6х10 ОСТ 37.001.171-93
Подробнее
Дополнительная информация:
Кол-во на "3306" 3
Покрытие цинкование и пассивирование (цинковое с хроматированием)
258002-П29 Шплинт 1,5х16
Подробнее
Дополнительная информация:
Кол-во на "3306" 2
Покрытие цинкование и пассивирование (цинковое с хроматированием)
ОКПО класс 45 Изделия автомобильной промышленности
ОКПО подкласс 9 Унифицированные узлы, детали и крепежные изделия, применяемые в автомобильной промышленности, и ремонтно-эксплуатационные комплекты
Вид изделия 87-89 - шплинты, хомуты
Вид покрытия 1 - цинковое с хроматированием (цинкование и пассивирование(П29)
290377-П29 Болт М5-6gх9
Подробнее
Дополнительная информация:
Кол-во на "3306" 18
Покрытие цинкование и пассивирование (цинковое с хроматированием)
293226-П29 Шайба 6,5
Подробнее
Дополнительная информация:
Кол-во на "3306" 18
Покрытие цинкование и пассивирование (цинковое с хроматированием)
31011-6105086 Основание привода замка двери
Подробнее
Дополнительная информация:
Кол-во на "3306" 2
Модель 31011
Группа Дверь кабины (передняя)
Подгруппа Замок и ручки (передней) двери
Порядковый номер детали 086
31011-6105098-01 Пружина привода
Подробнее
Дополнительная информация:
Кол-во на "3306" 2
Модель 31011
Группа Дверь кабины (передняя)
Подгруппа Замок и ручки (передней) двери
Порядковый номер детали 098
31011-6105184 Прокладка привода замка
Подробнее
Дополнительная информация:
Кол-во на "3306" 2
Модель 31011
Группа Дверь кабины (передняя)
Подгруппа Замок и ручки (передней) двери
Порядковый номер детали 184
3102-6105548 Ключи замка двери с кольцом
Подробнее
Дополнительная информация:
Кол-во на "3306" 1
Модель 3102
Группа Дверь кабины (передняя)
Подгруппа Замок и ручки (передней) двери
Порядковый номер детали 548
4301-6105070 Тяга выключения замка двери
Подробнее
Дополнительная информация:
Кол-во на "3306" 2
Модель 4301
Группа Дверь кабины (передняя)
Подгруппа Замок и ручки (передней) двери
Порядковый номер детали 070
Винт М6х10 с плоской головкой,многоцелевой 4301-6105074 Наконечник тяги выключения замка двери
Подробнее
Дополнительная информация:
Кол-во на "3306" 2
Модель 4301
Группа Дверь кабины (передняя)
Подгруппа Замок и ручки (передней) двери
Порядковый номер детали 074
  Код Название Артикул Цена
Кнопка ГАЗ-3307,4301 замка двери внутрисалонная ОАО ГАЗ 094753 Кнопка ГАЗ-3307,4301 замка двери внутрисалонная ОАО ГАЗ 4301-6105074 45,00 р.
4301-6105080 Выключатель замка двери с ключами
Подробнее
Дополнительная информация:
Кол-во на "3306" 1
Модель 4301
Группа Дверь кабины (передняя)
Подгруппа Замок и ручки (передней) двери
Порядковый номер детали 080
Кнопка ГАЗ-3307,4301 замка двери внутрисалонная ОАО ГАЗ 4301-6105082 Привод замка двери внутренний правый
Подробнее
Дополнительная информация:
Кол-во на "3306" 1
Модель 4301
Группа Дверь кабины (передняя)
Подгруппа Замок и ручки (передней) двери
Порядковый номер детали 082
  Код Название Артикул Цена
Ручка ГАЗ-3302,3307,КАМАЗ Н/О двери внутренняя правая СБ ОАО ГАЗ 019923 Ручка ГАЗ-3302,3307,КАМАЗ Н/О двери внутренняя правая СБ ОАО ГАЗ 4301-6105082 605,00 р.
Ручка КАМАЗ,ГАЗ двери внутренняя правая, крючок ПТИМАШ 020244 Ручка КАМАЗ,ГАЗ двери внутренняя правая, крючок ПТИМАШ 4301-6105082 280,00 р.
Ручка КАМАЗ,ГАЗ двери внутренняя правая, крючок ПТИМАШ 4301-6105083 Привод замка двери внутренний левый
Подробнее
Дополнительная информация:
Кол-во на "3306" 1
Модель 4301
Группа Дверь кабины (передняя)
Подгруппа Замок и ручки (передней) двери
Порядковый номер детали 083
  Код Название Артикул Цена
Ручка КАМАЗ,ГАЗ двери внутренняя левая, крючок ПТИМАШ 017356 Ручка КАМАЗ,ГАЗ двери внутренняя левая, крючок ПТИМАШ 4301-6105083 280,00 р.
Ручка ГАЗ-3302,3307,КАМАЗ Н/О двери внутренняя левая СБ ОАО ГАЗ 019922 Ручка ГАЗ-3302,3307,КАМАЗ Н/О двери внутренняя левая СБ ОАО ГАЗ 4301-6105083 455,00 р.
4301-6105090 Выключатель замка двери
Подробнее
Дополнительная информация:
Кол-во на "3306" 2
Модель 4301
Группа Дверь кабины (передняя)
Подгруппа Замок и ручки (передней) двери
Порядковый номер детали 090
4301-6105102-10 Тяга правая привода замка двери
Подробнее
Дополнительная информация:
Кол-во на "3306" 1
Модель 4301
Группа Дверь кабины (передняя)
Подгруппа Замок и ручки (передней) двери
Порядковый номер детали 102
Дополнительно Не взаимозаменяема с деталью, выпущенной ранее под этим же номером
4301-6105103-10 Тяга привода замка двери левая
Подробнее
Дополнительная информация:
Кол-во на "3306" 1
Модель 4301
Группа Дверь кабины (передняя)
Подгруппа Замок и ручки (передней) двери
Порядковый номер детали 103
Дополнительно Не взаимозаменяема с деталью, выпущенной ранее под этим же номером
4301-6105122 Корпус выключателя
Подробнее
Дополнительная информация:
Кол-во на "3306" 2
Модель 4301
Группа Дверь кабины (передняя)
Подгруппа Замок и ручки (передней) двери
Порядковый номер детали 122
4301-6105150-11 Ручка двери наружная в сборе
Подробнее
Дополнительная информация:
Кол-во на "3306" 2
Модель 4301
Группа Дверь кабины (передняя)
Подгруппа Замок и ручки (передней) двери
Порядковый номер детали 150
Дополнительно Не взаимозаменяема с деталью, выпущенной ранее под этим же номером
4301-6105152-01 Ручка двери наружная
Подробнее
Дополнительная информация:
Кол-во на "3306" 2
Модель 4301
Группа Дверь кабины (передняя)
Подгруппа Замок и ручки (передней) двери
Порядковый номер детали 152
4301-6105182 Ручка внутреннего привода правая
Подробнее
Дополнительная информация:
Кол-во на "3306" 1
Модель 4301
Группа Дверь кабины (передняя)
Подгруппа Замок и ручки (передней) двери
Порядковый номер детали 182
  Код Название Артикул Цена
770143 Ручка КАМАЗ,ГАЗ двери крючок голый прав.,внутрен. ПТИМАШ 4301-6105182 220,00 р.
4301-6105183 Ручка внутреннего привода левая
Подробнее
Дополнительная информация:
Кол-во на "3306" 1
Модель 4301
Группа Дверь кабины (передняя)
Подгруппа Замок и ручки (передней) двери
Порядковый номер детали 183
Ручка КАМАЗ,ГАЗ двери крючок голый прав.,внутрен. ПТИМАШ 4301-6105188 Розетка внутреннего привода правая
Подробнее
Дополнительная информация:
Кол-во на "3306" 1
Модель 4301
Группа Дверь кабины (передняя)
Подгруппа Замок и ручки (передней) двери
Порядковый номер детали 188
  Код Название Артикул Цена
Облицовка ручки двери ГАЗ-3302,4301 крючка правая ОАО ГАЗ 099445 Облицовка ручки двери ГАЗ-3302,4301 крючка правая ОАО ГАЗ 4301-6105188 90,00 р.
Облицовка ручки двери ГАЗ-3302,4301 крючка правая ОАО ГАЗ 4301-6105189 Розетка внутреннего привода левая
Подробнее
Дополнительная информация:
Кол-во на "3306" 1
Модель 4301
Группа Дверь кабины (передняя)
Подгруппа Замок и ручки (передней) двери
Порядковый номер детали 189
  Код Название Артикул Цена
Облицовка ручки двери ГАЗ-3302,4301 крючка левая ОАО ГАЗ 099444 Облицовка ручки двери ГАЗ-3302,4301 крючка левая ОАО ГАЗ 4301-6105189 100,00 р.
4301-6105270-02 Прокладка наружной ручки двери большая
Подробнее
Дополнительная информация:
Кол-во на "3306" 2
Модель 4301
Группа Дверь кабины (передняя)
Подгруппа Замок и ручки (передней) двери
Порядковый номер детали 270
4301-6105274-02 Прокладка наружной ручки двери малая
Подробнее
Дополнительная информация:
Кол-во на "3306" 2
Модель 4301
Группа Дверь кабины (передняя)
Подгруппа Замок и ручки (передней) двери
Порядковый номер детали 274
4301-6105286 Кнопка наружной ручки двери
Подробнее
Дополнительная информация:
Кол-во на "3306" 2
Модель 4301
Группа Дверь кабины (передняя)
Подгруппа Замок и ручки (передней) двери
Порядковый номер детали 286
4301-6105294 Направляющая кнопки наружной ручки двери
Подробнее
Дополнительная информация:
Кол-во на "3306" 2
Модель 4301
Группа Дверь кабины (передняя)
Подгруппа Замок и ручки (передней) двери
Порядковый номер детали 294
4301-6105304-10 Толкатель кнопки наружной ручки двери
Подробнее
Дополнительная информация:
Кол-во на "3306" 2
Модель 4301
Группа Дверь кабины (передняя)
Подгруппа Замок и ручки (передней) двери
Порядковый номер детали 304
Дополнительно Не взаимозаменяема с деталью, выпущенной ранее под этим же номером
4301-6105420 Цилиндр выключателя замка двери в сборе
Подробнее
Дополнительная информация:
Кол-во на "3306" 1
Модель 4301
Группа Дверь кабины (передняя)
Подгруппа Замок и ручки (передней) двери
Порядковый номер детали 420
4301-6105432 Заслонка выключателя замка двери
Подробнее
Дополнительная информация:
Кол-во на "3306" 1
Модель 4301
Группа Дверь кабины (передняя)
Подгруппа Замок и ручки (передней) двери
Порядковый номер детали 432
Облицовка ручки двери ГАЗ-3302,4301 крючка левая ОАО ГАЗ 4301-6105444 Втулка наконечника тяги выключения замка
Подробнее
Дополнительная информация:
Кол-во на "3306" 2
Модель 4301
Группа Дверь кабины (передняя)
Подгруппа Замок и ручки (передней) двери
Порядковый номер детали 444
  Код Название Артикул Цена
Втулка ГАЗ-4301 тяги блокировки дверей ОАО ГАЗ 110889 Втулка ГАЗ-4301 тяги блокировки дверей ОАО ГАЗ 4301-6105444 15,00 р.
Втулка ГАЗ-4301 тяги блокировки дверей ОАО ГАЗ 4301-6105484 Механизм запорный замка правый
Подробнее
Дополнительная информация:
Кол-во на "3306" 1
Модель 4301
Группа Дверь кабины (передняя)
Подгруппа Замок и ручки (передней) двери
Порядковый номер детали 484
  Код Название Артикул Цена
Механизм ГАЗ-3307 запорный замка двери правый 090388 Механизм ГАЗ-3307 запорный замка двери правый 4301-6105484 490,00 р.
Механизм ГАЗ-3307 запорный замка двери правый 4301-6105485 Механизм запорный замка левый
Подробнее
Дополнительная информация:
Кол-во на "3306" 1
Модель 4301
Группа Дверь кабины (передняя)
Подгруппа Замок и ручки (передней) двери
Порядковый номер детали 485
  Код Название Артикул Цена
Механизм ГАЗ-3307 запорный замка двери левый ОАО ГАЗ 090389 Механизм ГАЗ-3307 запорный замка двери левый ОАО ГАЗ 4301-6105485 590,00 р.
Механизм ГАЗ-3307 запорный замка двери левый ОАО ГАЗ 4301-6105486 Механизм рычажный замка правый
Подробнее
Дополнительная информация:
Кол-во на "3306" 1
Модель 4301
Группа Дверь кабины (передняя)
Подгруппа Замок и ручки (передней) двери
Порядковый номер детали 486
  Код Название Артикул Цена
Замок двери ГАЗ-3307 правый 019315 Замок двери ГАЗ-3307 правый 4301-6105486 740,00 р.
Замок двери ГАЗ-3307 правый 4301-6105487 Механизм рычажный замка левый
Подробнее
Дополнительная информация:
Кол-во на "3306" 1
Модель 4301
Группа Дверь кабины (передняя)
Подгруппа Замок и ручки (передней) двери
Порядковый номер детали 487
  Код Название Артикул Цена
Замок двери ГАЗ-3307 левый 019314 Замок двери ГАЗ-3307 левый 4301-6105487 640,00 р.
Замок двери ГАЗ-3307 левый 4301-6106110 Фиксатор замка двери правый
Подробнее
Дополнительная информация:
Кол-во на "3306" 1
Модель 4301
Группа Дверь кабины (передняя)
Подгруппа Навески (передней) двери
Порядковый номер детали 110
  Код Название Артикул Цена
Фиксатор ГАЗ-4301 замка правый ОАО ГАЗ 058692 Фиксатор ГАЗ-4301 замка правый ОАО ГАЗ 4301-6106110 530,00 р.
4301-6106111 Фиксатор замка двери левый
Подробнее
Дополнительная информация:
Кол-во на "3306" 1
Модель 4301
Группа Дверь кабины (передняя)
Подгруппа Навески (передней) двери
Порядковый номер детали 111
Фиксатор ГАЗ-4301 замка правый ОАО ГАЗ 4301-6106114 Шип фиксатора
Подробнее
Дополнительная информация:
Кол-во на "3306" 2
Модель 4301
Группа Дверь кабины (передняя)
Подгруппа Навески (передней) двери
Порядковый номер детали 114
  Код Название Артикул Цена
Шип ГАЗ-3309 замка двери направляющий ОАО ГАЗ 640222 Шип ГАЗ-3309 замка двери направляющий ОАО ГАЗ 4301-6106114 570,00 р.
4301-6106220 Прокладка регулировочная
Подробнее
Дополнительная информация:
Кол-во на "3306" 2
Модель 4301
Группа Дверь кабины (передняя)
Подгруппа Навески (передней) двери
Порядковый номер детали 220
4301-6106222 Прокладка регулировочная
Подробнее
Дополнительная информация:
Кол-во на "3306" 2
Модель 4301
Группа Дверь кабины (передняя)
Подгруппа Навески (передней) двери
Порядковый номер детали 222
45 9841 1360 Штифт 4х20
Подробнее
Дополнительная информация:
Кол-во на "3306" 3