← Сиденье. Сборка сиденья Оборудование кабины. Обогрев кабины →
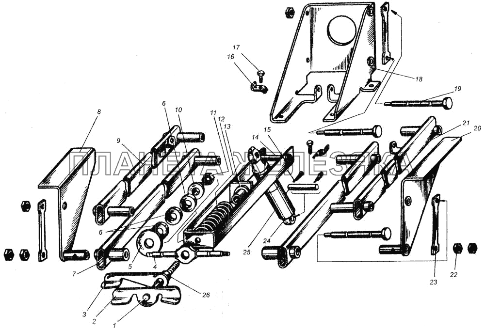
Сиденье. Сборка амортизатора ДТ-75В, ДТ-75БВ, ДТ75Н
  Номер детали Наименование детали  
1 А31.00.176 Винт
Подробнее
Дополнительная информация:
Кол-во на "ДТ-75В, ДТ-75БВ, ДТ75Н" 1
Сб. единица Материал Масса 78.44.002
2 А31.00.177 Рукоятка
Подробнее
Дополнительная информация:
Кол-во на "ДТ-75В, ДТ-75БВ, ДТ75Н" 1
Сб. единица Материал Масса 78.44.002
3 А31.00.147 Рукоятка
Подробнее
Дополнительная информация:
Кол-во на "ДТ-75В, ДТ-75БВ, ДТ75Н" 1
Сб. единица Материал Масса 78.44.002
4 А31.00.101 Ось фигурная
Подробнее
Дополнительная информация:
Кол-во на "ДТ-75В, ДТ-75БВ, ДТ75Н" 1
Сб. единица Материал Масса 78.44.002
5 А31.00.112 Шайба
Подробнее
Дополнительная информация:
Кол-во на "ДТ-75В, ДТ-75БВ, ДТ75Н" 1
Сб. единица Материал Масса 78.44.002
6 А31.00.109-01 Упор
Подробнее
Дополнительная информация:
Кол-во на "ДТ-75В, ДТ-75БВ, ДТ75Н" 3
Сб. единица Материал Масса 78.44.002
7 А31.00.130 Звено нижнее
Подробнее
Дополнительная информация:
Кол-во на "ДТ-75В, ДТ-75БВ, ДТ75Н" 1
Сб. единица Материал Масса 78.44.002
8 А31.00.165 Опоре правая
Подробнее
Дополнительная информация:
Кол-во на "ДТ-75В, ДТ-75БВ, ДТ75Н" 1
Сб. единица Материал Масса 78.44.002
1,240
9 А31.00.125 Звено правое
Подробнее
Дополнительная информация:
Кол-во на "ДТ-75В, ДТ-75БВ, ДТ75Н" 1
Сб. единица Материал Масса 78.44.002
10 А31.00.155 Кольцо
Подробнее
Дополнительная информация:
Кол-во на "ДТ-75В, ДТ-75БВ, ДТ75Н" 1
Сб. единица Материал Масса 78.44.002
11 М16.7.016 Гайка ГОСТ 5915-70
Подробнее
Дополнительная информация:
Кол-во на "ДТ-75В, ДТ-75БВ, ДТ75Н" 1
Сб. единица Материал Масса 78.44.002
12 А31.00.110 Пружина
Подробнее
Дополнительная информация:
Кол-во на "ДТ-75В, ДТ-75БВ, ДТ75Н" 1
Сб. единица Материал Масса 78.44.002
1,100
13 А31.00.150 Шайба задняя
Подробнее
Дополнительная информация:
Кол-во на "ДТ-75В, ДТ-75БВ, ДТ75Н" 1
Сб. единица Материал Масса 78.44.002
14 Шплинт 3,2х18 ГОСТ 397-79 Шплинт 3,2х18 ГОСТ 397-79
Подробнее
Дополнительная информация:
Кол-во на "ДТ-75В, ДТ-75БВ, ДТ75Н" 1
Сб. единица Материал Масса 78.44.002
15 А31.00.140 Вилка
Подробнее
Дополнительная информация:
Кол-во на "ДТ-75В, ДТ-75БВ, ДТ75Н" 1
Сб. единица Материал Масса 78.44.002
1,450
16 А31.00.604 Планка
Подробнее
Дополнительная информация:
Кол-во на "ДТ-75В, ДТ-75БВ, ДТ75Н" 2
Сб. единица Материал Масса 78.44.002
17 М10.6gх20.58.016 Болт ГОСТ 7796-70
Подробнее
Дополнительная информация:
Кол-во на "ДТ-75В, ДТ-75БВ, ДТ75Н" 1
Сб. единица Материал Масса 78.44.002
18 А31.00.135 Кронштейн
Подробнее
Дополнительная информация:
Кол-во на "ДТ-75В, ДТ-75БВ, ДТ75Н" 1
Сб. единица Материал Масса 78.44.002
3,974
19 А31.00.102 Ось кронштейна
Подробнее
Дополнительная информация:
Кол-во на "ДТ-75В, ДТ-75БВ, ДТ75Н" 2
Сб. единица Материал Масса 78.44.002
20 А31.00.160 Опора левая
Подробнее
Дополнительная информация:
Кол-во на "ДТ-75В, ДТ-75БВ, ДТ75Н" 1
Сб. единица Материал Масса 78.44.002
1,240
21 А31.00.120-01 Звено левое
Подробнее
Дополнительная информация:
Кол-во на "ДТ-75В, ДТ-75БВ, ДТ75Н" 1
Сб. единица Материал Масса 78.44.002
22 М12.6.016 Гайка ГОСТ 5915-70
Подробнее
Дополнительная информация:
Кол-во на "ДТ-75В, ДТ-75БВ, ДТ75Н" 1
Сб. единица Материал Масса 78.44.002
23 А31.00.111 Шайба замковая
Подробнее
Дополнительная информация:
Кол-во на "ДТ-75В, ДТ-75БВ, ДТ75Н" 4
Сб. единица Материал Масса 76.44.002
24 АС20-075.00.000 Амортизатор сиденья гидравлический
Подробнее
Дополнительная информация:
Кол-во на "ДТ-75В, ДТ-75БВ, ДТ75Н" 1
25 12-10С5х50 Ось ГОСТ 9650-71
Подробнее
Дополнительная информация:
Кол-во на "ДТ-75В, ДТ-75БВ, ДТ75Н" 1
Сб. единица Материал Масса 78.44.002
26 А31.00.145 Втулка
Подробнее
Дополнительная информация:
Кол-во на "ДТ-75В, ДТ-75БВ, ДТ75Н" 1
Сб. единица Материал Масса 78.44.002