← Сиденье дополнительное Зеркало заднего вида внутреннее →
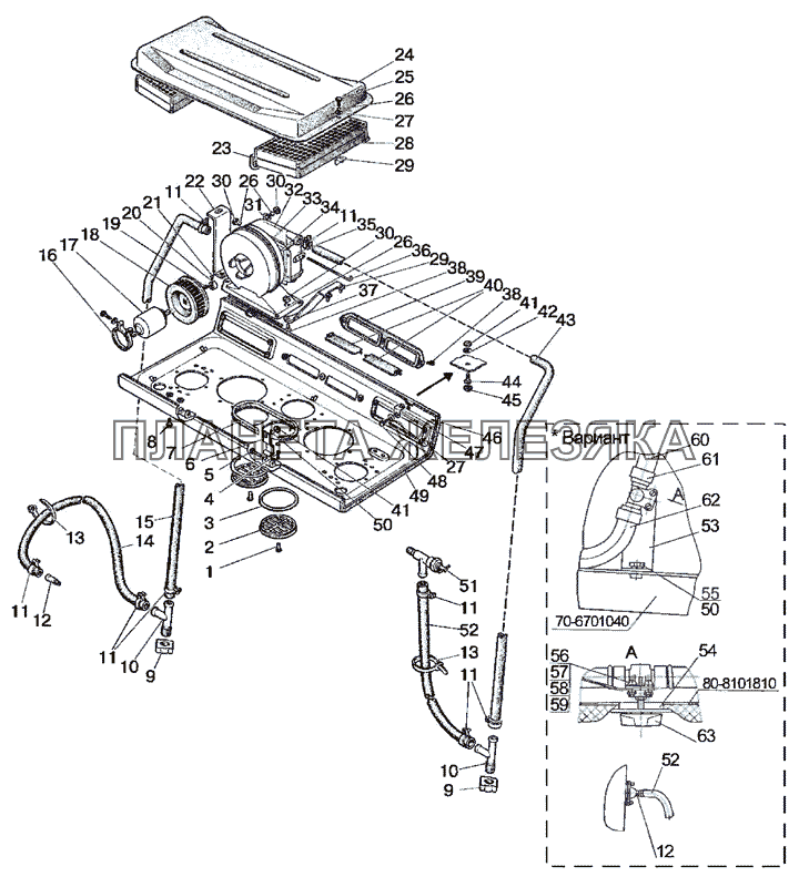
Отопитель МТЗ-900/920/950/952
  Номер детали Наименование детали  
80-8101720 Отопитель в сборе
Подробнее
Дополнительная информация:
Модель 80
Группа Отопление и вентиляция кабины
Подгруппа Отопитель (кузова)
Порядковый номер детали 720
80-8101810 Панель
Подробнее
Дополнительная информация:
Модель 80
Группа Отопление и вентиляция кабины
Подгруппа Отопитель (кузова)
Порядковый номер детали 810
80-8101810 Панель
Подробнее
Дополнительная информация:
Модель 80
Группа Отопление и вентиляция кабины
Подгруппа Отопитель (кузова)
Порядковый номер детали 810
80-8101830 Арматура отопителя
Подробнее
Дополнительная информация:
Модель 80
Группа Отопление и вентиляция кабины
Подгруппа Отопитель (кузова)
Порядковый номер детали 830
1 6x18 Палец
Подробнее
Дополнительная информация:
Кол-во на "900, 900.2, 900.3, 920, 920.2, 920.3, 950, 950.2, 950.3, 952, 952.2, 952.3" 2
Примечание Нет
2 150.95.301 Воздухораспределитель
Подробнее
Дополнительная информация:
Кол-во на "900, 900.2, 900.3, 920, 920.2, 920.3, 950, 950.2, 950.3, 952, 952.2, 952.3" 2
3 80-8100013 Накладка
Подробнее
Дополнительная информация:
Кол-во на "900, 900.2, 900.3, 920, 920.2, 920.3, 950, 950.2, 950.3, 952, 952.2, 952.3" 2
Модель 80
Группа Отопление и вентиляция кабины
Подгруппа Отопление и вентиляция
Порядковый номер детали 013
4 2x12.019 Шплинт
Подробнее
Дополнительная информация:
Кол-во на "900, 900.2, 900.3, 920, 920.2, 920.3, 950, 950.2, 950.3, 952, 952.2, 952.3" 2
Примечание Нет
5 50-8400031 Ось
Подробнее
Дополнительная информация:
Кол-во на "900, 900.2, 900.3, 920, 920.2, 920.3, 950, 950.2, 950.3, 952, 952.2, 952.3" 2
Модель 50
Группа Оперение
Подгруппа Оперение в сборе
Порядковый номер детали 031
6 80-8100048 Петля
Подробнее
Дополнительная информация:
Кол-во на "900, 900.2, 900.3, 920, 920.2, 920.3, 950, 950.2, 950.3, 952, 952.2, 952.3" 2
Модель 80
Группа Отопление и вентиляция кабины
Подгруппа Отопление и вентиляция
Порядковый номер детали 048
7 80-8101714-07 Уплотнитель
Подробнее
Дополнительная информация:
Кол-во на "900, 900.2, 900.3, 920, 920.2, 920.3, 950, 950.2, 950.3, 952, 952.2, 952.3" 1
Модель 80
Группа Отопление и вентиляция кабины
Подгруппа Отопитель (кузова)
Порядковый номер детали 714
8 2x12.019 Шплинт
Подробнее
Дополнительная информация:
Кол-во на "900, 900.2, 900.3, 920, 920.2, 920.3, 950, 950.2, 950.3, 952, 952.2, 952.3" 2
Примечание Нет
9 80-8100052 Пробка
Подробнее
Дополнительная информация:
Кол-во на "900, 900.2, 900.3, 920, 920.2, 920.3, 950, 950.2, 950.3, 952, 952.2, 952.3" 2
Модель 80
Группа Отопление и вентиляция кабины
Подгруппа Отопление и вентиляция
Порядковый номер детали 052
10 80-8100051 Тройник
Подробнее
Дополнительная информация:
Кол-во на "900, 900.2, 900.3, 920, 920.2, 920.3, 950, 950.2, 950.3, 952, 952.2, 952.3" 2
Модель 80
Группа Отопление и вентиляция кабины
Подгруппа Отопление и вентиляция
Порядковый номер детали 051
  Код Название Артикул Цена
Тройник МТЗ отопителя ОАО МТЗ 723468 Тройник МТЗ отопителя ОАО МТЗ 80-8100051 80,00 р.
11 ХС-23 Хомут
Подробнее
Дополнительная информация:
Кол-во на "900, 900.2, 900.3, 920, 920.2, 920.3, 950, 950.2, 950.3, 952, 952.2, 952.3" 8
Тройник МТЗ отопителя ОАО МТЗ 12 80-8100023 Штуцер
Подробнее
Дополнительная информация:
Кол-во на "900, 900.2, 900.3, 920, 920.2, 920.3, 950, 950.2, 950.3, 952, 952.2, 952.3" 1
Модель 80
Группа Отопление и вентиляция кабины
Подгруппа Отопление и вентиляция
Порядковый номер детали 023
  Код Название Артикул Цена
Штуцер МТЗ системы охлаждения 221536 Штуцер МТЗ системы охлаждения 80-8100023 80,00 р.
13 80-3723045-01 Манжета
Подробнее
Дополнительная информация:
Кол-во на "900, 900.2, 900.3, 920, 920.2, 920.3, 950, 950.2, 950.3, 952, 952.2, 952.3" 3
Модель 80
Группа Электрооборудование
Подгруппа Соединители электропроводов
Порядковый номер детали 045
14 80-8102015-02 Шланг L=1840 мм
Подробнее
Дополнительная информация:
Кол-во на "900, 900.2, 900.3, 920, 920.2, 920.3, 950, 950.2, 950.3, 952, 952.2, 952.3" 1
Примечание Нет
Модель 80
Группа Отопление и вентиляция кабины
Подгруппа Обогрев ветрового стекла
Порядковый номер детали 015
15 80-8101015 Шланг
Подробнее
Дополнительная информация:
Кол-во на "900, 900.2, 900.3, 920, 920.2, 920.3, 950, 950.2, 950.3, 952, 952.2, 952.3" 1
Примечание Нет
Модель 80
Группа Отопление и вентиляция кабины
Подгруппа Отопитель (кузова)
Порядковый номер детали 015
16 ХС-76 Хомут
Подробнее
Дополнительная информация:
Кол-во на "900, 900.2, 900.3, 920, 920.2, 920.3, 950, 950.2, 950.3, 952, 952.2, 952.3" 1
Штуцер МТЗ системы охлаждения 17 9742.3730 Электродвигатель
Подробнее
Дополнительная информация:
Кол-во на "900, 900.2, 900.3, 920, 920.2, 920.3, 950, 950.2, 950.3, 952, 952.2, 952.3" 1
  Код Название Артикул Цена
Мотор отопителя МТЗ-82 КЗАЭ 339790 Мотор отопителя МТЗ-82 КЗАЭ 9742.3730 5 225,00 р.
18 80-8104034 Ротор
Подробнее
Дополнительная информация:
Кол-во на "900, 900.2, 900.3, 920, 920.2, 920.3, 950, 950.2, 950.3, 952, 952.2, 952.3" 1
Модель 80
Группа Отопление и вентиляция кабины
Подгруппа Вентиляция кабины (кузова)
Порядковый номер детали 034
19 М4-6Н.6.019 Гайка
Подробнее
Дополнительная информация:
Кол-во на "900, 900.2, 900.3, 920, 920.2, 920.3, 950, 950.2, 950.3, 952, 952.2, 952.3" 1
Примечание Нет
20 80-8104039 Кольцо
Подробнее
Дополнительная информация:
Кол-во на "900, 900.2, 900.3, 920, 920.2, 920.3, 950, 950.2, 950.3, 952, 952.2, 952.3" 1
Модель 80
Группа Отопление и вентиляция кабины
Подгруппа Вентиляция кабины (кузова)
Порядковый номер детали 039
21 В.М4-6gx10.58.019 Винт
Подробнее
Дополнительная информация:
Кол-во на "900, 900.2, 900.3, 920, 920.2, 920.3, 950, 950.2, 950.3, 952, 952.2, 952.3" 1
Примечание Нет
22 80-8101721 Растяжка
Подробнее
Дополнительная информация:
Кол-во на "900, 900.2, 900.3, 920, 920.2, 920.3, 950, 950.2, 950.3, 952, 952.2, 952.3" 1
Модель 80
Группа Отопление и вентиляция кабины
Подгруппа Отопитель (кузова)
Порядковый номер детали 721
23 80-8101714-04 Уплотнитель
Подробнее
Дополнительная информация:
Кол-во на "900, 900.2, 900.3, 920, 920.2, 920.3, 950, 950.2, 950.3, 952, 952.2, 952.3" 2
Модель 80
Группа Отопление и вентиляция кабины
Подгруппа Отопитель (кузова)
Порядковый номер детали 714
24 80-8101760 Крышка
Подробнее
Дополнительная информация:
Кол-во на "900, 900.2, 900.3, 920, 920.2, 920.3, 950, 950.2, 950.3, 952, 952.2, 952.3" 1
Модель 80
Группа Отопление и вентиляция кабины
Подгруппа Отопитель (кузова)
Порядковый номер детали 760
25 М6-6gx20.88.35.019 Болт
Подробнее
Дополнительная информация:
Кол-во на "900, 900.2, 900.3, 920, 920.2, 920.3, 950, 950.2, 950.3, 952, 952.2, 952.3" 2
Примечание Нет
26 Шайба
Подробнее
Дополнительная информация:
Кол-во на "900, 900.2, 900.3, 920, 920.2, 920.3, 950, 950.2, 950.3, 952, 952.2, 952.3" 11
Примечание Нет
27 С6.01.019 Шайба
Подробнее
Дополнительная информация:
Кол-во на "900, 900.2, 900.3, 920, 920.2, 920.3, 950, 950.2, 950.3, 952, 952.2, 952.3" 4
Примечание Нет
28 80-8104070 Фильтр
Подробнее
Дополнительная информация:
Кол-во на "900, 900.2, 900.3, 920, 920.2, 920.3, 950, 950.2, 950.3, 952, 952.2, 952.3" 2
Модель 80
Группа Отопление и вентиляция кабины
Подгруппа Вентиляция кабины (кузова)
Порядковый номер детали 070
29 80-8101820 Подвеска
Подробнее
Дополнительная информация:
Кол-во на "900, 900.2, 900.3, 920, 920.2, 920.3, 950, 950.2, 950.3, 952, 952.2, 952.3" 1
Модель 80
Группа Отопление и вентиляция кабины
Подгруппа Отопитель (кузова)
Порядковый номер детали 820
30 М6-6Н.6.019 Гайка
Подробнее
Дополнительная информация:
Кол-во на "900, 900.2, 900.3, 920, 920.2, 920.3, 950, 950.2, 950.3, 952, 952.2, 952.3" 10
Примечание Нет
31 С6.01.019 Шайба
Подробнее
Дополнительная информация:
Кол-во на "900, 900.2, 900.3, 920, 920.2, 920.3, 950, 950.2, 950.3, 952, 952.2, 952.3" 3
Примечание Нет
32 1216-8101060 Радиатор отопителя
Подробнее
Дополнительная информация:
Кол-во на "900, 900.2, 900.3, 920, 920.2, 920.3, 950, 950.2, 950.3, 952, 952.2, 952.3" 1
Модель 1216
Группа Отопление и вентиляция кабины
Подгруппа Отопитель (кузова)
Порядковый номер детали 060
32 41.035-1013010 Радиатор отопителя
Подробнее
Дополнительная информация:
Кол-во на "900, 900.2, 900.3, 920, 920.2, 920.3, 950, 950.2, 950.3, 952, 952.2, 952.3" 1
Модель 41.035
Группа Двигатель
Подгруппа Радиатор масляный
Порядковый номер детали 010
32 70У-8101070-А Радиатор отопителя
Подробнее
Дополнительная информация:
Кол-во на "900, 900.2, 900.3, 920, 920.2, 920.3, 950, 950.2, 950.3, 952, 952.2, 952.3" 1
Модель 70РЈ
Группа Отопление и вентиляция кабины
Подгруппа Отопитель (кузова)
Порядковый номер детали 070
Дополнительно Взаимозаменяема с деталью, выпущенной ранее под этим же номером
32 РО-8101070 Радиатор отопителя
Подробнее
Дополнительная информация:
Кол-во на "900, 900.2, 900.3, 920, 920.2, 920.3, 950, 950.2, 950.3, 952, 952.2, 952.3" 1
Модель Р Рћ
Группа Отопление и вентиляция кабины
Подгруппа Отопитель (кузова)
Порядковый номер детали 070
33 80-8101730-А Кожух
Подробнее
Дополнительная информация:
Кол-во на "900, 900.2, 900.3, 920, 920.2, 920.3, 950, 950.2, 950.3, 952, 952.2, 952.3" 1
Модель 80
Группа Отопление и вентиляция кабины
Подгруппа Отопитель (кузова)
Порядковый номер детали 730
Дополнительно Взаимозаменяема с деталью, выпущенной ранее под этим же номером
34 ПР32-06 Уплотнитель
Подробнее
Дополнительная информация:
Кол-во на "900, 900.2, 900.3, 920, 920.2, 920.3, 950, 950.2, 950.3, 952, 952.2, 952.3" 2
35 80-8101800 Коробка
Подробнее
Дополнительная информация:
Кол-во на "900, 900.2, 900.3, 920, 920.2, 920.3, 950, 950.2, 950.3, 952, 952.2, 952.3" 1
Модель 80
Группа Отопление и вентиляция кабины
Подгруппа Отопитель (кузова)
Порядковый номер детали 800
36 80-3703046-А Шпилька
Подробнее
Дополнительная информация:
Кол-во на "900, 900.2, 900.3, 920, 920.2, 920.3, 950, 950.2, 950.3, 952, 952.2, 952.3" 1
Модель 80
Группа Электрооборудование
Подгруппа Батарея аккумуляторная
Порядковый номер детали 046
Дополнительно Взаимозаменяема с деталью, выпущенной ранее под этим же номером
37 80-8100014 Стержень
Подробнее
Дополнительная информация:
Кол-во на "900, 900.2, 900.3, 920, 920.2, 920.3, 950, 950.2, 950.3, 952, 952.2, 952.3" 1
Модель 80
Группа Отопление и вентиляция кабины
Подгруппа Отопление и вентиляция
Порядковый номер детали 014
38 В.М6-6gx20.58.019 Винт
Подробнее
Дополнительная информация:
Кол-во на "900, 900.2, 900.3, 920, 920.2, 920.3, 950, 950.2, 950.3, 952, 952.2, 952.3" 6
Примечание Нет
39 80-8100011-Б Крышка
Подробнее
Дополнительная информация:
Кол-во на "900, 900.2, 900.3, 920, 920.2, 920.3, 950, 950.2, 950.3, 952, 952.2, 952.3" 1
Модель 80
Группа Отопление и вентиляция кабины
Подгруппа Отопление и вентиляция
Порядковый номер детали 011
Дополнительно Взаимозаменяема с деталью, выпущенной ранее под этим же номером
40 80-8100012 Заслонка
Подробнее
Дополнительная информация:
Кол-во на "900, 900.2, 900.3, 920, 920.2, 920.3, 950, 950.2, 950.3, 952, 952.2, 952.3" 2
Модель 80
Группа Отопление и вентиляция кабины
Подгруппа Отопление и вентиляция
Порядковый номер детали 012
41 М8-6Н.6.019 Гайка
Подробнее
Дополнительная информация:
Кол-во на "900, 900.2, 900.3, 920, 920.2, 920.3, 950, 950.2, 950.3, 952, 952.2, 952.3" 4
Примечание Нет
42 С8.01.019 Шайба
Подробнее
Дополнительная информация:
Кол-во на "900, 900.2, 900.3, 920, 920.2, 920.3, 950, 950.2, 950.3, 952, 952.2, 952.3" 2
Примечание Нет
43 80-8102015 Шланг L=700 мм
Подробнее
Дополнительная информация:
Кол-во на "900, 900.2, 900.3, 920, 920.2, 920.3, 950, 950.2, 950.3, 952, 952.2, 952.3" 1
Примечание Нет
Модель 80
Группа Отопление и вентиляция кабины
Подгруппа Обогрев ветрового стекла
Порядковый номер детали 015
44 М8-6gx35.88.35.019 Болт
Подробнее
Дополнительная информация:
Кол-во на "900, 900.2, 900.3, 920, 920.2, 920.3, 950, 950.2, 950.3, 952, 952.2, 952.3" 2
Примечание Нет
45 А30.04.017-01 Колпачок
Подробнее
Дополнительная информация:
Кол-во на "900, 900.2, 900.3, 920, 920.2, 920.3, 950, 950.2, 950.3, 952, 952.2, 952.3" 2
46 80-8100100 Панель
Подробнее
Дополнительная информация:
Кол-во на "900, 900.2, 900.3, 920, 920.2, 920.3, 950, 950.2, 950.3, 952, 952.2, 952.3" 1
Модель 80
Группа Отопление и вентиляция кабины
Подгруппа Отопление и вентиляция
Порядковый номер детали 100
47 70-6702111 Угольник
Подробнее
Дополнительная информация:
Кол-во на "900, 900.2, 900.3, 920, 920.2, 920.3, 950, 950.2, 950.3, 952, 952.2, 952.3" 2
Модель 70
Подгруппа 6702
Порядковый номер детали 111
48 M6-6gx16.88.35.019 Болт
Подробнее
Дополнительная информация:
Кол-во на "900, 900.2, 900.3, 920, 920.2, 920.3, 950, 950.2, 950.3, 952, 952.2, 952.3" 2
Примечание Нет
49 80-8101713 Обивка
Подробнее
Дополнительная информация:
Кол-во на "900, 900.2, 900.3, 920, 920.2, 920.3, 950, 950.2, 950.3, 952, 952.2, 952.3" 1
Модель 80
Группа Отопление и вентиляция кабины
Подгруппа Отопитель (кузова)
Порядковый номер детали 713
50 8T Шайба
Подробнее
Дополнительная информация:
Кол-во на "900, 900.2, 900.3, 920, 920.2, 920.3, 950, 950.2, 950.3, 952, 952.2, 952.3" 2
Примечание Нет
51 ВС-11 Кран
Подробнее
Дополнительная информация:
Кол-во на "900, 900.2, 900.3, 920, 920.2, 920.3, 950, 950.2, 950.3, 952, 952.2, 952.3" 1
52 80-8102015-03 Шланг L=500 мм
Подробнее
Дополнительная информация:
Кол-во на "900, 900.2, 900.3, 920, 920.2, 920.3, 950, 950.2, 950.3, 952, 952.2, 952.3" 1
Примечание Нет
Модель 80
Группа Отопление и вентиляция кабины
Подгруппа Обогрев ветрового стекла
Порядковый номер детали 015