← Статор Установка сигнализатора крена →
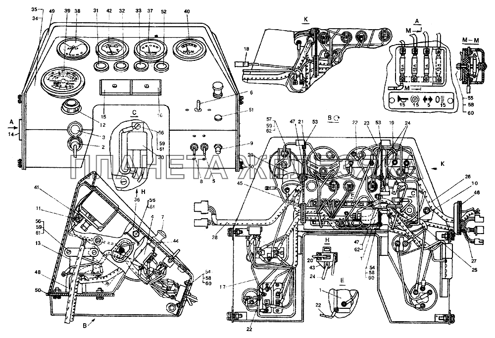
Щиток приборов ЛТЗ-55
  Номер детали Наименование детали  
Т40S1-3805010 Щиток приборов (для тракторов с каркасом безопасности)
Подробнее
Дополнительная информация:
Кол-во на "ЛТЗ-55, ЛТЗ-55Н, ЛТЗ-55А, ЛТЗ-55АН" 1
Примечание Нет
Модель Рў40S1
Группа Приборы
Подгруппа Щиток прибора
Порядковый номер детали 010
Т40S1-3805010-02 Щиток приборов (для тракторов с кабиной)
Подробнее
Дополнительная информация:
Кол-во на "ЛТЗ-55, ЛТЗ-55Н, ЛТЗ-55А, ЛТЗ-55АН" 1
Примечание Нет
Модель Рў40S1
Группа Приборы
Подгруппа Щиток прибора
Порядковый номер детали 010
1 СЭ52-3708000-Э Сопротивление дополнительное СЭ52-Э
Подробнее
Дополнительная информация:
Кол-во на "ЛТЗ-55, ЛТЗ-55Н, ЛТЗ-55А, ЛТЗ-55АН" 1
Модель РЎР­52
Группа Электрооборудование
Подгруппа Стартер
Порядковый номер детали 000
Дополнительно Взаимозаменяема с деталью, выпущенной ранее под этим же номером
2 ВК316Б-3708000-Э Включатель стартера ВК316Б-Э
Подробнее
Дополнительная информация:
Кол-во на "ЛТЗ-55, ЛТЗ-55Н, ЛТЗ-55А, ЛТЗ-55АН" 1
Модель Р’Рљ316Р‘
Группа Электрооборудование
Подгруппа Стартер
Порядковый номер детали 000
Дополнительно Взаимозаменяема с деталью, выпущенной ранее под этим же номером
3 ВК316Б-3708100 Устройство защитное ВК316Б-100-Э
Подробнее
Дополнительная информация:
Кол-во на "ЛТЗ-55, ЛТЗ-55Н, ЛТЗ-55А, ЛТЗ-55АН" 1
Модель Р’Рљ316Р‘
Группа Электрооборудование
Подгруппа Стартер
Порядковый номер детали 100
4 П305-3709000 Переключатель освещения П305 ТУ 37.003.417-82
Подробнее
Дополнительная информация:
Кол-во на "ЛТЗ-55, ЛТЗ-55Н, ЛТЗ-55А, ЛТЗ-55АН" 1
Модель Рџ305
Группа Электрооборудование
Подгруппа Переключатели электрические (переключатель света центральный)
Порядковый номер детали 000
5 51.06.3709010 Выключатель 51.06.3709
Подробнее
Дополнительная информация:
Кол-во на "ЛТЗ-55, ЛТЗ-55Н, ЛТЗ-55А, ЛТЗ-55АН" 1
Модель 51.06
Группа Электрооборудование
Подгруппа Переключатели электрические (переключатель света центральный)
Порядковый номер детали 010
6 51.16.3709010 Выключатель 51.16,3709
Подробнее
Дополнительная информация:
Кол-во на "ЛТЗ-55, ЛТЗ-55Н, ЛТЗ-55А, ЛТЗ-55АН" 1
Модель 51.16
Группа Электрооборудование
Подгруппа Переключатели электрические (переключатель света центральный)
Порядковый номер детали 010
7 Т40-3709120-У Ручка переключателя
Подробнее
Дополнительная информация:
Кол-во на "ЛТЗ-55, ЛТЗ-55Н, ЛТЗ-55А, ЛТЗ-55АН" 1
Модель Рў40
Группа Электрооборудование
Подгруппа Переключатели электрические (переключатель света центральный)
Порядковый номер детали 120
Дополнительно Взаимозаменяема с деталью, выпущенной ранее под этим же номером
8 46.06.3710000 Выключатель 46.06.3710
Подробнее
Дополнительная информация:
Кол-во на "ЛТЗ-55, ЛТЗ-55Н, ЛТЗ-55А, ЛТЗ-55АН" 1
Модель 46.06
Группа Электрооборудование
Подгруппа Выключатели электрические (переключатель света ножной)
Порядковый номер детали 000
9 ВК322.3710000-Э Включатель ВК322-Э
Подробнее
Дополнительная информация:
Кол-во на "ЛТЗ-55, ЛТЗ-55Н, ЛТЗ-55А, ЛТЗ-55АН" 1
Модель Р’Рљ322
Группа Электрооборудование
Подгруппа Выключатели электрические (переключатель света ножной)
Порядковый номер детали 000
Дополнительно Взаимозаменяема с деталью, выпущенной ранее под этим же номером
10 ПП158-3713000-Э Патрон ламп ПП158Э
Подробнее
Дополнительная информация:
Кол-во на "ЛТЗ-55, ЛТЗ-55Н, ЛТЗ-55А, ЛТЗ-55АН" 1
Модель РџРџ158
Группа Электрооборудование
Подгруппа Освещение щитка приборов
Порядковый номер детали 000
Дополнительно Взаимозаменяема с деталью, выпущенной ранее под этим же номером
11 ЛВ211-3714329-Э Патрон ламп ЛВ211-329Э
Подробнее
Дополнительная информация:
Кол-во на "ЛТЗ-55, ЛТЗ-55Н, ЛТЗ-55А, ЛТЗ-55АН" 4
Модель ЛВ211
Группа Электрооборудование
Подгруппа Плафоны внутреннего освещения
Порядковый номер детали 329
Дополнительно Взаимозаменяема с деталью, выпущенной ранее под этим же номером
12 ПД51-3720000-Э Элемент контрольный ПД51-Э
Подробнее
Дополнительная информация:
Кол-во на "ЛТЗ-55, ЛТЗ-55Н, ЛТЗ-55А, ЛТЗ-55АН" 1
Модель РџР”51
Группа Электрооборудование
Подгруппа Выключатель сигнала торможения
Порядковый номер детали 000
Дополнительно Взаимозаменяема с деталью, выпущенной ранее под этим же номером
13 РС502-3721000-Э Реле стартера РС502-Э
Подробнее
Дополнительная информация:
Кол-во на "ЛТЗ-55, ЛТЗ-55Н, ЛТЗ-55А, ЛТЗ-55АН" 1
Модель Р РЎ502
Группа Электрооборудование
Подгруппа Сигналы звуковые
Порядковый номер детали 000
Дополнительно Взаимозаменяема с деталью, выпущенной ранее под этим же номером
14 ПР11П-3722000-Э Предохранитель ПР11П-Э
Подробнее
Дополнительная информация:
Кол-во на "ЛТЗ-55, ЛТЗ-55Н, ЛТЗ-55А, ЛТЗ-55АН" 1
Модель РџР 11Рџ
Группа Электрооборудование
Подгруппа Предохранители (электрических цепей)
Порядковый номер детали 000
Дополнительно Взаимозаменяема с деталью, выпущенной ранее под этим же номером
15 ПР11С-3722000-Э Предохранитель ПР11С-Э
Подробнее
Дополнительная информация:
Кол-во на "ЛТЗ-55, ЛТЗ-55Н, ЛТЗ-55А, ЛТЗ-55АН" 1
Модель РџР 11РЎ
Группа Электрооборудование
Подгруппа Предохранители (электрических цепей)
Порядковый номер детали 000
Дополнительно Взаимозаменяема с деталью, выпущенной ранее под этим же номером
16 ПР11Т-3722000-Э Предохранитель ПР11Т-Э
Подробнее
Дополнительная информация:
Кол-во на "ЛТЗ-55, ЛТЗ-55Н, ЛТЗ-55А, ЛТЗ-55АН" 1
Модель РџР 11Рў
Группа Электрооборудование
Подгруппа Предохранители (электрических цепей)
Порядковый номер детали 000
Дополнительно Взаимозаменяема с деталью, выпущенной ранее под этим же номером
17 Т40М1-3724013-01 Провод прерывателя поворота
Подробнее
Дополнительная информация:
Кол-во на "ЛТЗ-55, ЛТЗ-55Н, ЛТЗ-55А, ЛТЗ-55АН" 2
Модель Рў40Рњ1
Группа Электрооборудование
Подгруппа Электропровода
Порядковый номер детали 013
18 Т40М1-3724015-01 Провод от предохранителя к вентилятору
Подробнее
Дополнительная информация:
Кол-во на "ЛТЗ-55, ЛТЗ-55Н, ЛТЗ-55А, ЛТЗ-55АН" 1
Примечание Нет
Модель Рў40Рњ1
Группа Электрооборудование
Подгруппа Электропровода
Порядковый номер детали 015
19 Т40М1-3724019-Б-01 Провод от предохранителя к вентилятору
Подробнее
Дополнительная информация:
Кол-во на "ЛТЗ-55, ЛТЗ-55Н, ЛТЗ-55А, ЛТЗ-55АН" 1
Модель Рў40Рњ1
Группа Электрооборудование
Подгруппа Электропровода
Порядковый номер детали 019
Дополнительно Взаимозаменяема с деталью, выпущенной ранее под этим же номером
20 Т40М1-3724022-Б-01 Провод от реле 111.3747 на массу
Подробнее
Дополнительная информация:
Кол-во на "ЛТЗ-55, ЛТЗ-55Н, ЛТЗ-55А, ЛТЗ-55АН" 1
Модель Рў40Рњ1
Группа Электрооборудование
Подгруппа Электропровода
Порядковый номер детали 022
Дополнительно Взаимозаменяема с деталью, выпущенной ранее под этим же номером
21 Т40М1-3724027-01 Провод от фонаря на массу
Подробнее
Дополнительная информация:
Кол-во на "ЛТЗ-55, ЛТЗ-55Н, ЛТЗ-55А, ЛТЗ-55АН" 1
Модель Рў40Рњ1
Группа Электрооборудование
Подгруппа Электропровода
Порядковый номер детали 027
22 Т40М1-3724028-01 Провод от включателя сигнала на массу
Подробнее
Дополнительная информация:
Кол-во на "ЛТЗ-55, ЛТЗ-55Н, ЛТЗ-55А, ЛТЗ-55АН" 2
Модель Рў40Рњ1
Группа Электрооборудование
Подгруппа Электропровода
Порядковый номер детали 028
23 Т40S1-3724037-01 Провод освещения
Подробнее
Дополнительная информация:
Кол-во на "ЛТЗ-55, ЛТЗ-55Н, ЛТЗ-55А, ЛТЗ-55АН" 1
Модель Рў40S1
Группа Электрооборудование
Подгруппа Электропровода
Порядковый номер детали 037
24 Т40М1-3724054-01 Провод двух реле
Подробнее
Дополнительная информация:
Кол-во на "ЛТЗ-55, ЛТЗ-55Н, ЛТЗ-55А, ЛТЗ-55АН" 1
Модель Рў40Рњ1
Группа Электрооборудование
Подгруппа Электропровода
Порядковый номер детали 054
25 Т40М1-3724220-01 Жгут сопротивления
Подробнее
Дополнительная информация:
Кол-во на "ЛТЗ-55, ЛТЗ-55Н, ЛТЗ-55А, ЛТЗ-55АН" 1
Модель Рў40Рњ1
Группа Электрооборудование
Подгруппа Электропровода
Порядковый номер детали 220
26 Т40М1-3724240-01 Жгут стартера
Подробнее
Дополнительная информация:
Кол-во на "ЛТЗ-55, ЛТЗ-55Н, ЛТЗ-55А, ЛТЗ-55АН" 1
Модель Рў40Рњ1
Группа Электрооборудование
Подгруппа Электропровода
Порядковый номер детали 240
27 Т40S1-3724530-В-01 Жгут двигателя от щитка
Подробнее
Дополнительная информация:
Кол-во на "ЛТЗ-55, ЛТЗ-55Н, ЛТЗ-55А, ЛТЗ-55АН" 1
Модель Рў40S1
Группа Электрооборудование
Подгруппа Электропровода
Порядковый номер детали 530
Дополнительно Взаимозаменяема с деталью, выпущенной ранее под этим же номером
28 Т40S1-3724560-Б-01 Жгут кабины от щитка
Подробнее
Дополнительная информация:
Кол-во на "ЛТЗ-55, ЛТЗ-55Н, ЛТЗ-55А, ЛТЗ-55АН" 1
Модель Рў40S1
Группа Электрооборудование
Подгруппа Электропровода
Порядковый номер детали 560
Дополнительно Взаимозаменяема с деталью, выпущенной ранее под этим же номером
29 РС410М-3726010-Э Прерыватель указателей поворота РС410М-Э
Подробнее
Дополнительная информация:
Кол-во на "ЛТЗ-55, ЛТЗ-55Н, ЛТЗ-55А, ЛТЗ-55АН" 1
Модель Р РЎ410Рњ
Группа Электрооборудование
Подгруппа Указатели поворота (передние)
Порядковый номер детали 010
Дополнительно Взаимозаменяема с деталью, выпущенной ранее под этим же номером
30 111.3747010 Реле 111.3747 ТУ 37.003.793-77
Подробнее
Дополнительная информация:
Кол-во на "ЛТЗ-55, ЛТЗ-55Н, ЛТЗ-55А, ЛТЗ-55АН" 1
Модель 111
Группа Электрооборудование
Подгруппа Реле разного назначения
Порядковый номер детали 010
31 12.3803010-Э Фонарь контрольной лампы 12.3803-Э
Подробнее
Дополнительная информация:
Кол-во на "ЛТЗ-55, ЛТЗ-55Н, ЛТЗ-55А, ЛТЗ-55АН" 1
Модель 12
Группа Приборы
Подгруппа Лампы контрольные (Фонари контрольных ламп)
Порядковый номер детали 010
Дополнительно Взаимозаменяема с деталью, выпущенной ранее под этим же номером
32 121.3803010-Э Фонарь контрольной лампы 121.3803-Э
Подробнее
Дополнительная информация:
Кол-во на "ЛТЗ-55, ЛТЗ-55Н, ЛТЗ-55А, ЛТЗ-55АН" 1
Модель 121
Группа Приборы
Подгруппа Лампы контрольные (Фонари контрольных ламп)
Порядковый номер детали 010
Дополнительно Взаимозаменяема с деталью, выпущенной ранее под этим же номером
33 122.3803010-Э Фонарь контрольной лампы 122.3803-Э
Подробнее
Дополнительная информация:
Кол-во на "ЛТЗ-55, ЛТЗ-55Н, ЛТЗ-55А, ЛТЗ-55АН" 1
Модель 122
Группа Приборы
Подгруппа Лампы контрольные (Фонари контрольных ламп)
Порядковый номер детали 010
Дополнительно Взаимозаменяема с деталью, выпущенной ранее под этим же номером
34 Т40S1-3805040-01 Щиток приборов
Подробнее
Дополнительная информация:
Кол-во на "ЛТЗ-55, ЛТЗ-55Н, ЛТЗ-55А, ЛТЗ-55АН" 1
Примечание Нет
Модель Рў40S1
Группа Приборы
Подгруппа Щиток прибора
Порядковый номер детали 040
35 Т40S1-3805040-03 Щиток приборов
Подробнее
Дополнительная информация:
Кол-во на "ЛТЗ-55, ЛТЗ-55Н, ЛТЗ-55А, ЛТЗ-55АН" 1
Примечание Нет
Модель Рў40S1
Группа Приборы
Подгруппа Щиток прибора
Порядковый номер детали 040
36 Т40М1-3805060 Кронштейн предохранителей
Подробнее
Дополнительная информация:
Кол-во на "ЛТЗ-55, ЛТЗ-55Н, ЛТЗ-55А, ЛТЗ-55АН" 1
Модель Рў40Рњ1
Группа Приборы
Подгруппа Щиток прибора
Порядковый номер детали 060
37 13.06.3806010 Указатель уровня топлива i3.06.3806
Подробнее
Дополнительная информация:
Кол-во на "ЛТЗ-55, ЛТЗ-55Н, ЛТЗ-55А, ЛТЗ-55АН" 1
Модель 13.06
Группа Приборы
Подгруппа Указатель уровня топлива
Порядковый номер детали 010
38 АП170-3811010 Указатель тока аккумуляторных батарей АП-170 ОСТ 37.003.069-85
Подробнее
Дополнительная информация:
Кол-во на "ЛТЗ-55, ЛТЗ-55Н, ЛТЗ-55А, ЛТЗ-55АН" 1
Модель РђРџ170
Группа Приборы
Подгруппа Указатель тока (амперметр)
Порядковый номер детали 010
39 ТХ121-3813010-Э Тахоспидометр ТХ121-Э
Подробнее
Дополнительная информация:
Кол-во на "ЛТЗ-55, ЛТЗ-55Н, ЛТЗ-55А, ЛТЗ-55АН" 1
Модель РўРҐ121
Группа Приборы
Подгруппа Тахометр
Порядковый номер детали 010
Дополнительно Взаимозаменяема с деталью, выпущенной ранее под этим же номером
40 16.3830010-Э Указатель давления масла 16.3830Э
Подробнее
Дополнительная информация:
Кол-во на "ЛТЗ-55, ЛТЗ-55Н, ЛТЗ-55А, ЛТЗ-55АН" 1
Модель 16
Группа Приборы
Подгруппа Манометры
Порядковый номер детали 010
Дополнительно Взаимозаменяема с деталью, выпущенной ранее под этим же номером
41 А12-1 Лампа
Подробнее
Дополнительная информация:
Кол-во на "ЛТЗ-55, ЛТЗ-55Н, ЛТЗ-55А, ЛТЗ-55АН" 5
42 УК133АМ-00000-01 Указатель температуры масла УК133АМ
Подробнее
Дополнительная информация:
Кол-во на "ЛТЗ-55, ЛТЗ-55Н, ЛТЗ-55А, ЛТЗ-55АН" 1
43 Колодка штекерная Колодка штекерная
Подробнее
Дополнительная информация:
Кол-во на "ЛТЗ-55, ЛТЗ-55Н, ЛТЗ-55А, ЛТЗ-55АН" 1
44 Т40-3709111-У Гайка специальная
Подробнее
Дополнительная информация:
Кол-во на "ЛТЗ-55, ЛТЗ-55Н, ЛТЗ-55А, ЛТЗ-55АН" 1
Модель Рў40
Группа Электрооборудование
Подгруппа Переключатели электрические (переключатель света центральный)
Порядковый номер детали 111
Дополнительно Взаимозаменяема с деталью, выпущенной ранее под этим же номером
45 Т25-3724264 Втулка
Подробнее
Дополнительная информация:
Кол-во на "ЛТЗ-55, ЛТЗ-55Н, ЛТЗ-55А, ЛТЗ-55АН" 1
Модель Рў25
Группа Электрооборудование
Подгруппа Электропровода
Порядковый номер детали 264
46 Т40М1-3724269 Втулка
Подробнее
Дополнительная информация:
Кол-во на "ЛТЗ-55, ЛТЗ-55Н, ЛТЗ-55А, ЛТЗ-55АН" 1
Модель Рў40Рњ1
Группа Электрооборудование
Подгруппа Электропровода
Порядковый номер детали 269
47 Т25-3724634 Скоба
Подробнее
Дополнительная информация:
Кол-во на "ЛТЗ-55, ЛТЗ-55Н, ЛТЗ-55А, ЛТЗ-55АН" 2
Модель Рў25
Группа Электрооборудование
Подгруппа Электропровода
Порядковый номер детали 634
48 Т40М1-3800011 Втулка
Подробнее
Дополнительная информация:
Кол-во на "ЛТЗ-55, ЛТЗ-55Н, ЛТЗ-55А, ЛТЗ-55АН" 1
Модель Рў40Рњ1
Группа Приборы
Подгруппа 3800
Порядковый номер детали 011
49 Т40М1-3805031 Кожух
Подробнее
Дополнительная информация:
Кол-во на "ЛТЗ-55, ЛТЗ-55Н, ЛТЗ-55А, ЛТЗ-55АН" 1
Модель Рў40Рњ1
Группа Приборы
Подгруппа Щиток прибора
Порядковый номер детали 031
50 Т40М1-3805049 Винт
Подробнее
Дополнительная информация:
Кол-во на "ЛТЗ-55, ЛТЗ-55Н, ЛТЗ-55А, ЛТЗ-55АН" 8
Модель Рў40Рњ1
Группа Приборы
Подгруппа Щиток прибора
Порядковый номер детали 049
51 Т40-3805063 Пробка
Подробнее
Дополнительная информация:
Кол-во на "ЛТЗ-55, ЛТЗ-55Н, ЛТЗ-55А, ЛТЗ-55АН" 1
Модель Рў40
Группа Приборы
Подгруппа Щиток прибора
Порядковый номер детали 063
52 Т40-3805066 Пробка
Подробнее
Дополнительная информация:
Кол-во на "ЛТЗ-55, ЛТЗ-55Н, ЛТЗ-55А, ЛТЗ-55АН" 1
Модель Рў40
Группа Приборы
Подгруппа Щиток прибора
Порядковый номер детали 066
53 А48124-А Втулка
Подробнее
Дополнительная информация:
Кол-во на "ЛТЗ-55, ЛТЗ-55Н, ЛТЗ-55А, ЛТЗ-55АН" 3
54 В.М4-6gх8.58.019 Винт
Подробнее
Дополнительная информация:
Кол-во на "ЛТЗ-55, ЛТЗ-55Н, ЛТЗ-55А, ЛТЗ-55АН" 10
55 В.М4-6gх12.58.019 Винт
Подробнее
Дополнительная информация:
Кол-во на "ЛТЗ-55, ЛТЗ-55Н, ЛТЗ-55А, ЛТЗ-55АН" 6
56 В.М6-6gх12.58.019 Винт
Подробнее
Дополнительная информация:
Кол-во на "ЛТЗ-55, ЛТЗ-55Н, ЛТЗ-55А, ЛТЗ-55АН" 5
57 В.М6-6gх18.58.019 Винт
Подробнее
Дополнительная информация:
Кол-во на "ЛТЗ-55, ЛТЗ-55Н, ЛТЗ-55А, ЛТЗ-55АН" 2
58 М4-6Н.6.019 Гайка
Подробнее
Дополнительная информация:
Кол-во на "ЛТЗ-55, ЛТЗ-55Н, ЛТЗ-55А, ЛТЗ-55АН" 16
59 М6-6Н.6.019 Гайка
Подробнее
Дополнительная информация:
Кол-во на "ЛТЗ-55, ЛТЗ-55Н, ЛТЗ-55А, ЛТЗ-55АН" 5
60 465Г06 Шайба
Подробнее
Дополнительная информация:
Кол-во на "ЛТЗ-55, ЛТЗ-55Н, ЛТЗ-55А, ЛТЗ-55АН" 16
61 6Т65Г06 Шайба
Подробнее
Дополнительная информация:
Кол-во на "ЛТЗ-55, ЛТЗ-55Н, ЛТЗ-55А, ЛТЗ-55АН" 5
62 А.6.01.019 Шайба
Подробнее
Дополнительная информация:
Кол-во на "ЛТЗ-55, ЛТЗ-55Н, ЛТЗ-55А, ЛТЗ-55АН" 6