← Колонка рулевая Гидроусилитель →
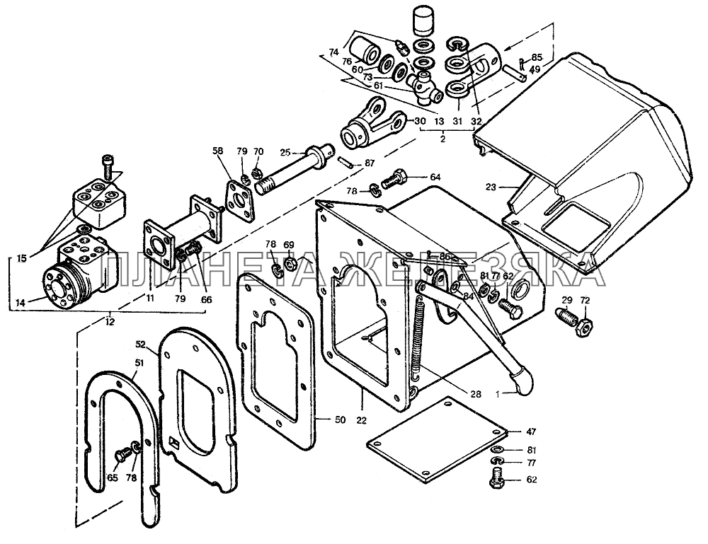
Колонка рулевая ЛТЗ-55
  Номер детали Наименование детали  
Т40М1-3401400 Колонка рулевая (гидромеханическая)
Подробнее
Дополнительная информация:
Кол-во на "ЛТЗ-55, ЛТЗ-55Н, ЛТЗ-55А, ЛТЗ-55АН" 1
Примечание Нет
Модель Рў40Рњ1
Группа Управление рулевое
Подгруппа Управление рулевое (механизм рулевого управления)
Порядковый номер детали 400
1 Т40М1-3401020 Фиксатор
Подробнее
Дополнительная информация:
Кол-во на "ЛТЗ-55, ЛТЗ-55Н, ЛТЗ-55А, ЛТЗ-55АН" 1
Модель Рў40Рњ1
Группа Управление рулевое
Подгруппа Управление рулевое (механизм рулевого управления)
Порядковый номер детали 020
2 Т40М1-3401050 Кардан
Подробнее
Дополнительная информация:
Кол-во на "ЛТЗ-55, ЛТЗ-55Н, ЛТЗ-55А, ЛТЗ-55АН" 1
Модель Рў40Рњ1
Группа Управление рулевое
Подгруппа Управление рулевое (механизм рулевого управления)
Порядковый номер детали 050
11 Т40S1-3401490 Переходник со шпильками
Подробнее
Дополнительная информация:
Кол-во на "ЛТЗ-55, ЛТЗ-55Н, ЛТЗ-55А, ЛТЗ-55АН" 1
Примечание Нет
Модель Рў40S1
Группа Управление рулевое
Подгруппа Управление рулевое (механизм рулевого управления)
Порядковый номер детали 490
12 Т40S1-3405070 Насос-дозатор с блоком клапанов
Подробнее
Дополнительная информация:
Кол-во на "ЛТЗ-55, ЛТЗ-55Н, ЛТЗ-55А, ЛТЗ-55АН" 1
Примечание Нет
Модель Рў40S1
Группа Управление рулевое
Подгруппа Цилиндр силовой гидроусилителя
Порядковый номер детали 070
13 К005-01 Крестовина кардана
Подробнее
Дополнительная информация:
Кол-во на "ЛТЗ-55, ЛТЗ-55Н, ЛТЗ-55А, ЛТЗ-55АН" 1
Примечание Нет
14 150-0040 Насос-дозатор ОSР В80 ОN
Подробнее
Дополнительная информация:
Кол-во на "ЛТЗ-55, ЛТЗ-55Н, ЛТЗ-55А, ЛТЗ-55АН" 1
Примечание Нет
15 152-0015 Блок клапанов
Подробнее
Дополнительная информация:
Кол-во на "ЛТЗ-55, ЛТЗ-55Н, ЛТЗ-55А, ЛТЗ-55АН" 1
Примечание Нет
22 Т40S1-3401410 Корпус
Подробнее
Дополнительная информация:
Кол-во на "ЛТЗ-55, ЛТЗ-55Н, ЛТЗ-55А, ЛТЗ-55АН" 1
Примечание Нет
Модель Рў40S1
Группа Управление рулевое
Подгруппа Управление рулевое (механизм рулевого управления)
Порядковый номер детали 410
23 Т40М1-3401420-01 Кожух
Подробнее
Дополнительная информация:
Кол-во на "ЛТЗ-55, ЛТЗ-55Н, ЛТЗ-55А, ЛТЗ-55АН" 1
Модель Рў40Рњ1
Группа Управление рулевое
Подгруппа Управление рулевое (механизм рулевого управления)
Порядковый номер детали 420
25 Т40S1-3401430 Вал промежуточный
Подробнее
Дополнительная информация:
Кол-во на "ЛТЗ-55, ЛТЗ-55Н, ЛТЗ-55А, ЛТЗ-55АН" 1
Примечание Нет
Модель Рў40S1
Группа Управление рулевое
Подгруппа Управление рулевое (механизм рулевого управления)
Порядковый номер детали 430
28 50-1605152 Пружина
Подробнее
Дополнительная информация:
Кол-во на "ЛТЗ-55, ЛТЗ-55Н, ЛТЗ-55А, ЛТЗ-55АН" 1
Модель 50
Группа Сцепление
Подгруппа 1605
Порядковый номер детали 152
  Код Название Артикул Цена
Пружина МТЗ педали тормоза ОАО МТЗ 583673 Пружина МТЗ педали тормоза ОАО МТЗ 50-1605152 180,00 р.
29 Т40М1-3401011 Ось
Подробнее
Дополнительная информация:
Кол-во на "ЛТЗ-55, ЛТЗ-55Н, ЛТЗ-55А, ЛТЗ-55АН" 2
Модель Рў40Рњ1
Группа Управление рулевое
Подгруппа Управление рулевое (механизм рулевого управления)
Порядковый номер детали 011
30 Т40М1-3401017 Вилка
Подробнее
Дополнительная информация:
Кол-во на "ЛТЗ-55, ЛТЗ-55Н, ЛТЗ-55А, ЛТЗ-55АН" 1
Модель Рў40Рњ1
Группа Управление рулевое
Подгруппа Управление рулевое (механизм рулевого управления)
Порядковый номер детали 017
31 Т40М1-3401052 Вилка
Подробнее
Дополнительная информация:
Кол-во на "ЛТЗ-55, ЛТЗ-55Н, ЛТЗ-55А, ЛТЗ-55АН" 1
Модель Рў40Рњ1
Группа Управление рулевое
Подгруппа Управление рулевое (механизм рулевого управления)
Порядковый номер детали 052
32 Т40М1-3401053 Кольцо
Подробнее
Дополнительная информация:
Кол-во на "ЛТЗ-55, ЛТЗ-55Н, ЛТЗ-55А, ЛТЗ-55АН" 4
Модель Рў40Рњ1
Группа Управление рулевое
Подгруппа Управление рулевое (механизм рулевого управления)
Порядковый номер детали 053
47 Т40М1-3401403 Крышка
Подробнее
Дополнительная информация:
Кол-во на "ЛТЗ-55, ЛТЗ-55Н, ЛТЗ-55А, ЛТЗ-55АН" 1
Модель Рў40Рњ1
Группа Управление рулевое
Подгруппа Управление рулевое (механизм рулевого управления)
Порядковый номер детали 403
49 Т40М1-3401407 Ось
Подробнее
Дополнительная информация:
Кол-во на "ЛТЗ-55, ЛТЗ-55Н, ЛТЗ-55А, ЛТЗ-55АН" 1
Модель Рў40Рњ1
Группа Управление рулевое
Подгруппа Управление рулевое (механизм рулевого управления)
Порядковый номер детали 407
50 Т40М1-3401408 Прокладка
Подробнее
Дополнительная информация:
Кол-во на "ЛТЗ-55, ЛТЗ-55Н, ЛТЗ-55А, ЛТЗ-55АН" 1
Модель Рў40Рњ1
Группа Управление рулевое
Подгруппа Управление рулевое (механизм рулевого управления)
Порядковый номер детали 408
51 Т40S1-3401456 Накладка
Подробнее
Дополнительная информация:
Кол-во на "ЛТЗ-55, ЛТЗ-55Н, ЛТЗ-55А, ЛТЗ-55АН" 1
Примечание Нет
Модель Рў40S1
Группа Управление рулевое
Подгруппа Управление рулевое (механизм рулевого управления)
Порядковый номер детали 456
52 Т40S1-3401457 Уплотнение
Подробнее
Дополнительная информация:
Кол-во на "ЛТЗ-55, ЛТЗ-55Н, ЛТЗ-55А, ЛТЗ-55АН" 1
Примечание Нет
Модель Рў40S1
Группа Управление рулевое
Подгруппа Управление рулевое (механизм рулевого управления)
Порядковый номер детали 457
58 Т40S1-3401491 Прокладка
Подробнее
Дополнительная информация:
Кол-во на "ЛТЗ-55, ЛТЗ-55Н, ЛТЗ-55А, ЛТЗ-55АН" 1
Примечание Нет
Модель Рў40S1
Группа Управление рулевое
Подгруппа Управление рулевое (механизм рулевого управления)
Порядковый номер детали 491
60 Н.051.01.401 Корпус уплотнителя
Подробнее
Дополнительная информация:
Кол-во на "ЛТЗ-55, ЛТЗ-55Н, ЛТЗ-55А, ЛТЗ-55АН" 4
61 Н.051.01.606-А Крестовина
Подробнее
Дополнительная информация:
Кол-во на "ЛТЗ-55, ЛТЗ-55Н, ЛТЗ-55А, ЛТЗ-55АН" 1
62 М6-6gх16.88.019 Болт
Подробнее
Дополнительная информация:
Кол-во на "ЛТЗ-55, ЛТЗ-55Н, ЛТЗ-55А, ЛТЗ-55АН" 6
64 М8-6gх20.88.019 Болт
Подробнее
Дополнительная информация:
Кол-во на "ЛТЗ-55, ЛТЗ-55Н, ЛТЗ-55А, ЛТЗ-55АН" 8
65 М8-6gх30.88.019 Болт
Подробнее
Дополнительная информация:
Кол-во на "ЛТЗ-55, ЛТЗ-55Н, ЛТЗ-55А, ЛТЗ-55АН" 3
Примечание Нет
66 М10-6gх20.88.019 Болт
Подробнее
Дополнительная информация:
Кол-во на "ЛТЗ-55, ЛТЗ-55Н, ЛТЗ-55А, ЛТЗ-55АН" 4
Примечание Нет
69 М8-6Н.6.019 Гайка
Подробнее
Дополнительная информация:
Кол-во на "ЛТЗ-55, ЛТЗ-55Н, ЛТЗ-55А, ЛТЗ-55АН" 1
70 М10-6Н.6.019 Гайка
Подробнее
Дополнительная информация:
Кол-во на "ЛТЗ-55, ЛТЗ-55Н, ЛТЗ-55А, ЛТЗ-55АН" 4
72 М20х1,5-6Н.8.019 Гайка
Подробнее
Дополнительная информация:
Кол-во на "ЛТЗ-55, ЛТЗ-55Н, ЛТЗ-55А, ЛТЗ-55АН" 2
73 010-014-25-2-2 Кольцо
Подробнее
Дополнительная информация:
Кол-во на "ЛТЗ-55, ЛТЗ-55Н, ЛТЗ-55А, ЛТЗ-55АН" 4
74 1.1.В1 Масленка
Подробнее
Дополнительная информация:
Кол-во на "ЛТЗ-55, ЛТЗ-55Н, ЛТЗ-55А, ЛТЗ-55АН" 1
76 904700УС17 Подшипник
Подробнее
Дополнительная информация:
Кол-во на "ЛТЗ-55, ЛТЗ-55Н, ЛТЗ-55А, ЛТЗ-55АН" 4
77 6Т65Г06 Шайба
Подробнее
Дополнительная информация:
Кол-во на "ЛТЗ-55, ЛТЗ-55Н, ЛТЗ-55А, ЛТЗ-55АН" 6
78 8Т65Г06 Шайба
Подробнее
Дополнительная информация:
Кол-во на "ЛТЗ-55, ЛТЗ-55Н, ЛТЗ-55А, ЛТЗ-55АН" 9
79 100Т65Г06 Шайба
Подробнее
Дополнительная информация:
Кол-во на "ЛТЗ-55, ЛТЗ-55Н, ЛТЗ-55А, ЛТЗ-55АН" 6
81 А.6.01.08кп.019 Шайба
Подробнее
Дополнительная информация:
Кол-во на "ЛТЗ-55, ЛТЗ-55Н, ЛТЗ-55А, ЛТЗ-55АН" 6
84 А.14.02.019 Шайба
Подробнее
Дополнительная информация:
Кол-во на "ЛТЗ-55, ЛТЗ-55Н, ЛТЗ-55А, ЛТЗ-55АН" 1
85 3,2х18.019 Шплинт
Подробнее
Дополнительная информация:
Кол-во на "ЛТЗ-55, ЛТЗ-55Н, ЛТЗ-55А, ЛТЗ-55АН" 2
86 3,2х20.019 Шплинт
Подробнее
Дополнительная информация:
Кол-во на "ЛТЗ-55, ЛТЗ-55Н, ЛТЗ-55А, ЛТЗ-55АН" 1
87 2.8х30 Штифт
Подробнее
Дополнительная информация:
Кол-во на "ЛТЗ-55, ЛТЗ-55Н, ЛТЗ-55А, ЛТЗ-55АН" 1