| |
№ |
Номер детали |
Наименование детали |
|
|
|
|
21-1004020-20 |
Палец поршневой диаметр 25,08 мм
Подробнее
Дополнительная информация:
| Кол-во на "469Б, 31512, 3152, 39121" |
4 |
| Модель |
21 |
| Группа |
Двигатель |
| Подгруппа |
Поршни и шатуны |
| Порядковый номер детали |
020 |
| Дополнительно |
Не взаимозаменяема с деталью, выпущенной ранее под этим же номером |
| ОКПО класс |
45 Изделия автомобильной промышленности |
| ОКПО подкласс |
6 Двигатели автомобильные и мотоциклетные, их узлы и детали |
| Вид изделия |
30-39 - болты |
| Вид покрытия |
1 - цинковое с хроматированием (цинкование и пассивирование(П29) |
|
|
|
|
|
21-1004020-30 |
Палец поршневой диаметр 25,12 мм
Подробнее
Дополнительная информация:
| Кол-во на "469Б, 31512, 3152, 39121" |
4 |
| Модель |
21 |
| Группа |
Двигатель |
| Подгруппа |
Поршни и шатуны |
| Порядковый номер детали |
020 |
| Дополнительно |
Не взаимозаменяема с деталью, выпущенной ранее под этим же номером |
| ОКПО класс |
45 Изделия автомобильной промышленности |
| ОКПО подкласс |
6 Двигатели автомобильные и мотоциклетные, их узлы и детали |
| Вид изделия |
30-39 - болты |
| Вид покрытия |
1 - цинковое с хроматированием (цинкование и пассивирование(П29) |
|
|
|
|
|
21-1004020-40 |
Палец поршневой диаметр 25,20 мм
Подробнее
Дополнительная информация:
| Кол-во на "469Б, 31512, 3152, 39121" |
4 |
| Модель |
21 |
| Группа |
Двигатель |
| Подгруппа |
Поршни и шатуны |
| Порядковый номер детали |
020 |
| Дополнительно |
Не взаимозаменяема с деталью, выпущенной ранее под этим же номером |
| ОКПО класс |
45 Изделия автомобильной промышленности |
| ОКПО подкласс |
6 Двигатели автомобильные и мотоциклетные, их узлы и детали |
| Вид изделия |
30-39 - болты |
| Вид покрытия |
1 - цинковое с хроматированием (цинкование и пассивирование(П29) |
|
|
|
|
|
53-1004015-АР1 |
Поршень в сборе ф92,50 мм
Подробнее
Дополнительная информация:
| Кол-во на "469Б, 31512, 3152, 39121" |
4 |
| Модель |
53 |
| Группа |
Двигатель |
| Подгруппа |
Поршни и шатуны |
| Порядковый номер детали |
015 |
| Дополнительно |
Взаимозаменяема с деталью, выпущенной ранее под этим же номером |
|
|
|
|
|
53-1004015-БР1 |
Поршень в сборе ф93,00 мм
Подробнее
Дополнительная информация:
| Кол-во на "469Б, 31512, 3152, 39121" |
4 |
| Модель |
53 |
| Группа |
Двигатель |
| Подгруппа |
Поршни и шатуны |
| Порядковый номер детали |
015 |
| Дополнительно |
Взаимозаменяема с деталью, выпущенной ранее под этим же номером |
|
|
|
|
|
ВК-53-1004014-А |
Поршень диаметром 92,00 мм с пальцем и стопорными кольцами в сборе (стандартный)
Подробнее
Дополнительная информация:
| Кол-во на "469Б, 31512, 3152, 39121" |
4 |
| Модель |
Р’Рљ-53 |
| Группа |
Двигатель |
| Подгруппа |
Поршни и шатуны |
| Порядковый номер детали |
014 |
| Дополнительно |
Взаимозаменяема с деталью, выпущенной ранее под этим же номером |
| ОКПО класс |
45 Изделия автомобильной промышленности |
| ОКПО подкласс |
6 Двигатели автомобильные и мотоциклетные, их узлы и детали |
| Вид изделия |
40-49 - винты |
| Вид покрытия |
0 - без покрытия (П) |
|
|
|
|
|
ВК-53-1004014-АР |
Поршень ф92,50 мм с пальцем и стопорными кольцами в сборе
Подробнее
Дополнительная информация:
| Кол-во на "469Б, 31512, 3152, 39121" |
4 |
| Модель |
Р’Рљ-53 |
| Группа |
Двигатель |
| Подгруппа |
Поршни и шатуны |
| Порядковый номер детали |
014 |
| Дополнительно |
Взаимозаменяема с деталью, выпущенной ранее под этим же номером |
|
|
|
|
|
ВК-53-1004014-БР |
Поршень диаметром 93,00 мм с пальцем и стопорными кольцами а сборе
Подробнее
Дополнительная информация:
| Кол-во на "469Б, 31512, 3152, 39121" |
4 |
| Модель |
Р’Рљ-53 |
| Группа |
Двигатель |
| Подгруппа |
Поршни и шатуны |
| Порядковый номер детали |
014 |
| Дополнительно |
Взаимозаменяема с деталью, выпущенной ранее под этим же номером |
| ОКПО класс |
45 Изделия автомобильной промышленности |
| ОКПО подкласс |
6 Двигатели автомобильные и мотоциклетные, их узлы и детали |
| Вид изделия |
40-49 - винты |
| Вид покрытия |
0 - без покрытия (П) |
|
|
|
|
|
ВК-53-1004023 |
Комплект поршневых колец диаметром 92,00 мм (стандартный)
Подробнее
Дополнительная информация:
| Кол-во на "469Б, 31512, 3152, 39121" |
4 |
| Примечание |
Нет |
| Модель |
Р’Рљ-53 |
| Группа |
Двигатель |
| Подгруппа |
Поршни и шатуны |
| Порядковый номер детали |
023 |
| ОКПО класс |
45 Изделия автомобильной промышленности |
| ОКПО подкласс |
6 Двигатели автомобильные и мотоциклетные, их узлы и детали |
| Вид изделия |
40-49 - винты |
| Вид покрытия |
0 - без покрытия (П) |
|
|
|
|
|
ВК-53-1004023-АР |
Комплект поршневых колец ф92,50 мм
Подробнее
Дополнительная информация:
| Кол-во на "469Б, 31512, 3152, 39121" |
4 |
| Примечание |
Нет |
| Модель |
Р’Рљ-53 |
| Группа |
Двигатель |
| Подгруппа |
Поршни и шатуны |
| Порядковый номер детали |
023 |
| Дополнительно |
Взаимозаменяема с деталью, выпущенной ранее под этим же номером |
|
|
|
|
|
ВК-53-1004023-БР |
Комплект поршневых колец ф 93,00 мм
Подробнее
Дополнительная информация:
| Кол-во на "469Б, 31512, 3152, 39121" |
4 |
| Примечание |
Нет |
| Модель |
Р’Рљ-53 |
| Группа |
Двигатель |
| Подгруппа |
Поршни и шатуны |
| Порядковый номер детали |
023 |
| Дополнительно |
Взаимозаменяема с деталью, выпущенной ранее под этим же номером |
|
|
|
|
|
ВК-53-1004024 |
Комплект поршневых колец ф92,00 мм (стандартный)
Подробнее
Дополнительная информация:
| Кол-во на "469Б, 31512, 3152, 39121" |
4 |
| Примечание |
Нет |
| Модель |
Р’Рљ-53 |
| Группа |
Двигатель |
| Подгруппа |
Поршни и шатуны |
| Порядковый номер детали |
024 |
|
|
|
|
|
ВК-53-1004024-АР |
Комплект поршневых колец ф92,50 мм
Подробнее
Дополнительная информация:
| Кол-во на "469Б, 31512, 3152, 39121" |
4 |
| Примечание |
Нет |
| Модель |
Р’Рљ-53 |
| Группа |
Двигатель |
| Подгруппа |
Поршни и шатуны |
| Порядковый номер детали |
024 |
| Дополнительно |
Взаимозаменяема с деталью, выпущенной ранее под этим же номером |
|
|
|
|
|
ВК-53-1004024-БР |
Комплект поршневых колец ф93,00 мм
Подробнее
Дополнительная информация:
| Кол-во на "469Б, 31512, 3152, 39121" |
4 |
| Примечание |
Нет |
| Модель |
Р’Рљ-53 |
| Группа |
Двигатель |
| Подгруппа |
Поршни и шатуны |
| Порядковый номер детали |
024 |
| Дополнительно |
Взаимозаменяема с деталью, выпущенной ранее под этим же номером |
|
|
|
|
1 |
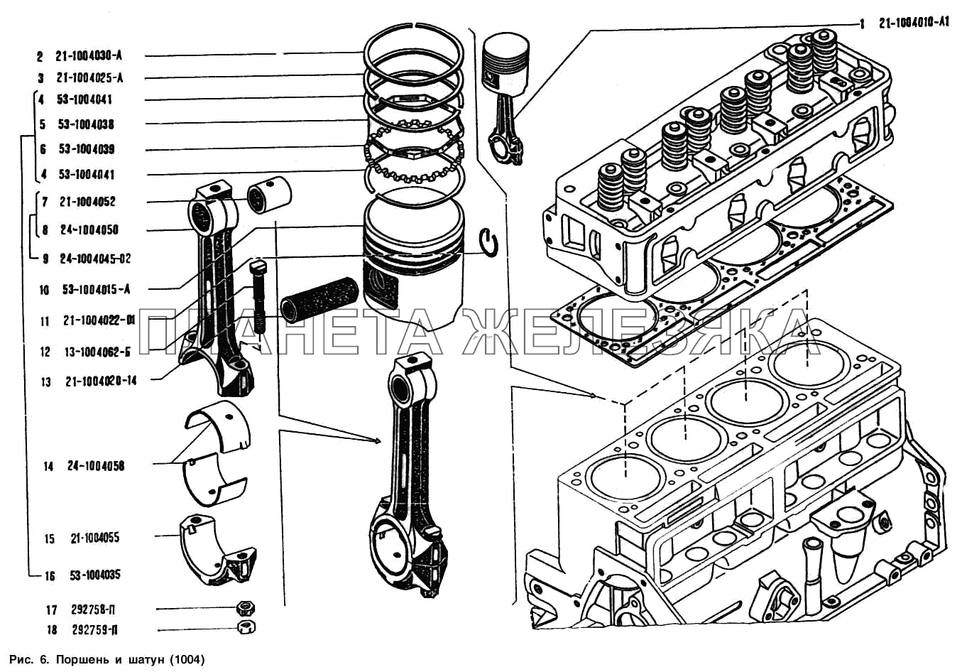
21-1004010-А1 |
Поршень и шатун в сборе
Подробнее
Дополнительная информация:
| Кол-во на "469Б, 31512, 3152, 39121" |
4 |
| Модель |
21 |
| Группа |
Двигатель |
| Подгруппа |
Поршни и шатуны |
| Порядковый номер детали |
010 |
| Дополнительно |
Взаимозаменяема с деталью, выпущенной ранее под этим же номером |
| ОКПО класс |
45 Изделия автомобильной промышленности |
| ОКПО подкласс |
6 Двигатели автомобильные и мотоциклетные, их узлы и детали |
| Вид изделия |
30-39 - болты |
| Вид покрытия |
0 - без покрытия (П) |
|
|
|
|
2 |
21-1004030-А |
Кольцо поршневое компрессионное верхнее
Подробнее
Дополнительная информация:
| Кол-во на "469Б, 31512, 3152, 39121" |
4 |
| Модель |
21 |
| Группа |
Двигатель |
| Подгруппа |
Поршни и шатуны |
| Порядковый номер детали |
030 |
| Дополнительно |
Взаимозаменяема с деталью, выпущенной ранее под этим же номером |
| ОКПО класс |
45 Изделия автомобильной промышленности |
| ОКПО подкласс |
6 Двигатели автомобильные и мотоциклетные, их узлы и детали |
| Вид изделия |
30-39 - болты |
| Вид покрытия |
0 - без покрытия (П) |
|
|
|
|
3 |
21-1004025-А |
Кольцо поршневое компрессионное нижнее
Подробнее
Дополнительная информация:
| Кол-во на "469Б, 31512, 3152, 39121" |
4 |
| Модель |
21 |
| Группа |
Двигатель |
| Подгруппа |
Поршни и шатуны |
| Порядковый номер детали |
025 |
| Дополнительно |
Взаимозаменяема с деталью, выпущенной ранее под этим же номером |
| ОКПО класс |
45 Изделия автомобильной промышленности |
| ОКПО подкласс |
6 Двигатели автомобильные и мотоциклетные, их узлы и детали |
| Вид изделия |
30-39 - болты |
| Вид покрытия |
0 - без покрытия (П) |
|
|
|
|
4 |
53-1004041 |
Кольцо поршневое маслосъемное
Подробнее
Дополнительная информация:
| Кол-во на "469Б, 31512, 3152, 39121" |
8 |
| Модель |
53 |
| Группа |
Двигатель |
| Подгруппа |
Поршни и шатуны |
| Порядковый номер детали |
041 |
| ОКПО класс |
45 Изделия автомобильной промышленности |
| ОКПО подкласс |
6 Двигатели автомобильные и мотоциклетные, их узлы и детали |
| Вид изделия |
40-49 - винты |
| Вид покрытия |
0 - без покрытия (П) |
|
|
|
|
5 |
53-1004038 |
Расширитель радиальный поршневого маслосъемного кольца
Подробнее
Дополнительная информация:
| Кол-во на "469Б, 31512, 3152, 39121" |
4 |
| Модель |
53 |
| Группа |
Двигатель |
| Подгруппа |
Поршни и шатуны |
| Порядковый номер детали |
038 |
| ОКПО класс |
45 Изделия автомобильной промышленности |
| ОКПО подкласс |
6 Двигатели автомобильные и мотоциклетные, их узлы и детали |
| Вид изделия |
40-49 - винты |
| Вид покрытия |
0 - без покрытия (П) |
|
|
|
|
6 |
53-1004039 |
Расширитель осевой поршневого маслосъемного кольца
Подробнее
Дополнительная информация:
| Кол-во на "469Б, 31512, 3152, 39121" |
4 |
| Модель |
53 |
| Группа |
Двигатель |
| Подгруппа |
Поршни и шатуны |
| Порядковый номер детали |
039 |
| ОКПО класс |
45 Изделия автомобильной промышленности |
| ОКПО подкласс |
6 Двигатели автомобильные и мотоциклетные, их узлы и детали |
| Вид изделия |
40-49 - винты |
| Вид покрытия |
0 - без покрытия (П) |
|
|
|
7 |
21-1004052 |
Втулка шатуна
Подробнее
Дополнительная информация:
| Кол-во на "469Б, 31512, 3152, 39121" |
4 |
| Модель |
21 |
| Группа |
Двигатель |
| Подгруппа |
Поршни и шатуны |
| Порядковый номер детали |
052 |
| ОКПО класс |
45 Изделия автомобильной промышленности |
| ОКПО подкласс |
6 Двигатели автомобильные и мотоциклетные, их узлы и детали |
| Вид изделия |
30-39 - болты |
| Вид покрытия |
0 - без покрытия (П) |
|
|
|
|
|
|
8 |
24-1004050 |
Шатун
Подробнее
Дополнительная информация:
| Кол-во на "469Б, 31512, 3152, 39121" |
4 |
| Модель |
24 |
| Группа |
Двигатель |
| Подгруппа |
Поршни и шатуны |
| Порядковый номер детали |
050 |
| ОКПО класс |
45 Изделия автомобильной промышленности |
| ОКПО подкласс |
6 Двигатели автомобильные и мотоциклетные, их узлы и детали |
| Вид изделия |
30-39 - болты |
| Вид покрытия |
0 - без покрытия (П) |
|
|
|
|
9 |
24-1004045-02 |
Шатун в сборе
Подробнее
Дополнительная информация:
| Кол-во на "469Б, 31512, 3152, 39121" |
4 |
| Модель |
24 |
| Группа |
Двигатель |
| Подгруппа |
Поршни и шатуны |
| Порядковый номер детали |
045 |
| ОКПО класс |
45 Изделия автомобильной промышленности |
| ОКПО подкласс |
6 Двигатели автомобильные и мотоциклетные, их узлы и детали |
| Вид изделия |
30-39 - болты |
| Вид покрытия |
0 - без покрытия (П) |
|
|
|
|
10 |
53-1004015-А |
Поршень в сборе диаметром 92,00 мм (стандартный)
Подробнее
Дополнительная информация:
| Кол-во на "469Б, 31512, 3152, 39121" |
4 |
| Модель |
53 |
| Группа |
Двигатель |
| Подгруппа |
Поршни и шатуны |
| Порядковый номер детали |
015 |
| Дополнительно |
Взаимозаменяема с деталью, выпущенной ранее под этим же номером |
| ОКПО класс |
45 Изделия автомобильной промышленности |
| ОКПО подкласс |
6 Двигатели автомобильные и мотоциклетные, их узлы и детали |
| Вид изделия |
40-49 - винты |
| Вид покрытия |
0 - без покрытия (П) |
|
|
|
|
11 |
21-1004022-01 |
Кольцо стопорное поршневого пальца
Подробнее
Дополнительная информация:
| Кол-во на "469Б, 31512, 3152, 39121" |
8 |
| Модель |
21 |
| Группа |
Двигатель |
| Подгруппа |
Поршни и шатуны |
| Порядковый номер детали |
022 |
| ОКПО класс |
45 Изделия автомобильной промышленности |
| ОКПО подкласс |
6 Двигатели автомобильные и мотоциклетные, их узлы и детали |
| Вид изделия |
30-39 - болты |
| Вид покрытия |
1 - цинковое с хроматированием (цинкование и пассивирование(П29) |
|
|
|
12 |
13-1004062-Б |
Болт крепления крышки шатуна
Подробнее
Дополнительная информация:
| Кол-во на "469Б, 31512, 3152, 39121" |
8 |
| Модель |
13 |
| Группа |
Двигатель |
| Подгруппа |
Поршни и шатуны |
| Порядковый номер детали |
062 |
| Дополнительно |
Взаимозаменяема с деталью, выпущенной ранее под этим же номером |
| ОКПО класс |
45 Изделия автомобильной промышленности |
| ОКПО подкласс |
6 Двигатели автомобильные и мотоциклетные, их узлы и детали |
| Вид изделия |
50-54 - шпильки |
| Вид покрытия |
0 - без покрытия (П) |
|
|
|
|
|
13 |
21-1004020-14 |
Палец поршневой диаметр 25,00 мм (стандартный)
Подробнее
Дополнительная информация:
| Кол-во на "469Б, 31512, 3152, 39121" |
4 |
| Модель |
21 |
| Группа |
Двигатель |
| Подгруппа |
Поршни и шатуны |
| Порядковый номер детали |
020 |
| Дополнительно |
Не взаимозаменяема с деталью, выпущенной ранее под этим же номером |
| ОКПО класс |
45 Изделия автомобильной промышленности |
| ОКПО подкласс |
6 Двигатели автомобильные и мотоциклетные, их узлы и детали |
| Вид изделия |
30-39 - болты |
| Вид покрытия |
1 - цинковое с хроматированием (цинкование и пассивирование(П29) |
|
|
|
|
|
|
14 |
24-1004058 |
Вкладыши шатуна диаметр 58,00 мм (стандартный)
Подробнее
Дополнительная информация:
| Кол-во на "469Б, 31512, 3152, 39121" |
2 |
| Примечание |
Нет |
| Модель |
24 |
| Группа |
Двигатель |
| Подгруппа |
Поршни и шатуны |
| Порядковый номер детали |
058 |
| ОКПО класс |
45 Изделия автомобильной промышленности |
| ОКПО подкласс |
6 Двигатели автомобильные и мотоциклетные, их узлы и детали |
| Вид изделия |
30-39 - болты |
| Вид покрытия |
0 - без покрытия (П) |
|
|
|
|
15 |
21-1004055 |
Крышка шатуна
Подробнее
Дополнительная информация:
| Кол-во на "469Б, 31512, 3152, 39121" |
4 |
| Модель |
21 |
| Группа |
Двигатель |
| Подгруппа |
Поршни и шатуны |
| Порядковый номер детали |
055 |
| ОКПО класс |
45 Изделия автомобильной промышленности |
| ОКПО подкласс |
6 Двигатели автомобильные и мотоциклетные, их узлы и детали |
| Вид изделия |
30-39 - болты |
| Вид покрытия |
0 - без покрытия (П) |
|
|
|
|
16 |
53-1004035 |
Кольцо поршневое маслосъемное (комплект)
Подробнее
Дополнительная информация:
| Кол-во на "469Б, 31512, 3152, 39121" |
1 |
| Модель |
53 |
| Группа |
Двигатель |
| Подгруппа |
Поршни и шатуны |
| Порядковый номер детали |
035 |
| ОКПО класс |
45 Изделия автомобильной промышленности |
| ОКПО подкласс |
6 Двигатели автомобильные и мотоциклетные, их узлы и детали |
| Вид изделия |
40-49 - винты |
| Вид покрытия |
0 - без покрытия (П) |
|
|
|
17 |
292758-П |
Гайка болта крышки шатуна
Подробнее
Дополнительная информация:
| Кол-во на "469Б, 31512, 3152, 39121" |
8 |
| Покрытие |
без покрытия |
| ОКПО класс |
45 Изделия автомобильной промышленности |
| ОКПО подкласс |
9 Унифицированные узлы, детали и крепежные изделия, применяемые в автомобильной промышленности, и ремонтно-эксплуатационные комплекты |
| Вид изделия |
90-99 - детали, соединяющие трубопроводы, резьбовые пробки |
| Вид покрытия |
4 - многослойное медь-никель-хром (хромирование блестящее с полировкой (П13) |
|
|
|
|
|
|
18 |
292759-П |
Гайка стопорная
Подробнее
Дополнительная информация:
| Кол-во на "469Б, 31512, 3152, 39121" |
8 |
| Покрытие |
без покрытия |
|
|