| |
№ |
Номер детали |
Наименование детали |
|
|
|
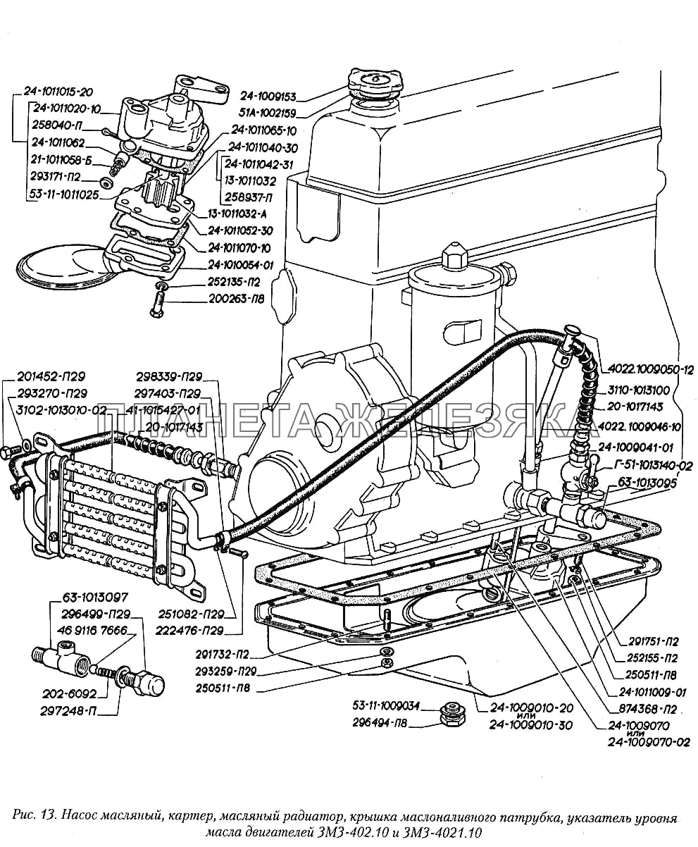
13-1011032 |
Шестерня масляного насоса ведущая
Подробнее
Дополнительная информация:
| Кол-во на "3110, 3110-101, 3110-111, 3110-311, 3110-331, 3110-341, 3110-411, 3110-441" |
1 |
| Модель |
13 |
| Группа |
Двигатель |
| Подгруппа |
Насос масляный |
| Порядковый номер детали |
032 |
|
|
|
|
|
|
|
13-1011032-А |
Шестерня масляного насоса ведомая
Подробнее
Дополнительная информация:
| Кол-во на "3110, 3110-101, 3110-111, 3110-311, 3110-331, 3110-341, 3110-411, 3110-441" |
1 |
| Модель |
13 |
| Группа |
Двигатель |
| Подгруппа |
Насос масляный |
| Порядковый номер детали |
032 |
| Дополнительно |
Взаимозаменяема с деталью, выпущенной ранее под этим же номером |
|
|
|
|
|
20-1017143 |
Оболочка защитная
Подробнее
Дополнительная информация:
| Кол-во на "3110, 3110-101, 3110-111, 3110-311, 3110-331, 3110-341, 3110-411, 3110-441" |
2 |
| Модель |
20 |
| Группа |
Двигатель |
| Подгруппа |
Фильтр очистки масла центробежный |
| Порядковый номер детали |
143 |
|
|
|
|
|
200263-П8 |
Болт М8-6gх35
Подробнее
Дополнительная информация:
| Кол-во на "3110, 3110-101, 3110-111, 3110-311, 3110-331, 3110-341, 3110-411, 3110-441" |
4 |
| Покрытие |
цинкование |
|
|
|
|
201452-П29 |
Болт М8-6gх12 ОСТ 37.001.123-96
Подробнее
Дополнительная информация:
| Кол-во на "3110, 3110-101, 3110-111, 3110-311, 3110-331, 3110-341, 3110-411, 3110-441" |
8 |
| Покрытие |
цинкование и пассивирование (цинковое с хроматированием) |
|
|
| |
Код |
Название |
Артикул |
Цена |
|
091581 |
Болт М8х12 |
201452-П29 |
5,00 р. |
|
|
|
|
|
202-6092 |
Пружина перепускного клапана масляного радиатора
Подробнее
Дополнительная информация:
| Кол-во на "3110, 3110-101, 3110-111, 3110-311, 3110-331, 3110-341, 3110-411, 3110-441" |
1 |
|
|
|
|
|
21-1011058-Б |
Пружина редукционного клапана
Подробнее
Дополнительная информация:
| Кол-во на "3110, 3110-101, 3110-111, 3110-311, 3110-331, 3110-341, 3110-411, 3110-441" |
1 |
| Модель |
21 |
| Группа |
Двигатель |
| Подгруппа |
Насос масляный |
| Порядковый номер детали |
058 |
| Дополнительно |
Взаимозаменяема с деталью, выпущенной ранее под этим же номером |
|
|
|
|
222476-П29 |
Винт М4-6gх20 ОСТ 37.001.128-96
Подробнее
Дополнительная информация:
| Кол-во на "3110, 3110-101, 3110-111, 3110-311, 3110-331, 3110-341, 3110-411, 3110-441" |
2 |
| Покрытие |
цинкование и пассивирование (цинковое с хроматированием) |
|
|
|
|
|
|
|
24-1009010-20 |
Картер масляный в сборе
Подробнее
Дополнительная информация:
| Кол-во на "3110, 3110-101, 3110-111, 3110-311, 3110-331, 3110-341, 3110-411, 3110-441" |
1 |
| Модель |
24 |
| Группа |
Двигатель |
| Подгруппа |
Картер масляный |
| Порядковый номер детали |
010 |
| Дополнительно |
Не взаимозаменяема с деталью, выпущенной ранее под этим же номером |
| ОКПО класс |
45 Изделия автомобильной промышленности |
| ОКПО подкласс |
6 Двигатели автомобильные и мотоциклетные, их узлы и детали |
| Вид изделия |
30-39 - болты |
| Вид покрытия |
1 - цинковое с хроматированием (цинкование и пассивирование(П29) |
|
|
|
|
|
24-1009010-30 |
Картер масляный
Подробнее
Дополнительная информация:
| Кол-во на "3110, 3110-101, 3110-111, 3110-311, 3110-331, 3110-341, 3110-411, 3110-441" |
1 |
| Примечание |
Нет |
| Модель |
24 |
| Группа |
Двигатель |
| Подгруппа |
Картер масляный |
| Порядковый номер детали |
010 |
| Дополнительно |
Не взаимозаменяема с деталью, выпущенной ранее под этим же номером |
| ОКПО класс |
45 Изделия автомобильной промышленности |
| ОКПО подкласс |
6 Двигатели автомобильные и мотоциклетные, их узлы и детали |
| Вид изделия |
30-39 - болты |
| Вид покрытия |
1 - цинковое с хроматированием (цинкование и пассивирование(П29) |
|
|
|
|
|
24-1009041-01 |
Штуцер трубки указателя уровня масла
Подробнее
Дополнительная информация:
| Кол-во на "3110, 3110-101, 3110-111, 3110-311, 3110-331, 3110-341, 3110-411, 3110-441" |
1 |
| Модель |
24 |
| Группа |
Двигатель |
| Подгруппа |
Картер масляный |
| Порядковый номер детали |
041 |
| ОКПО класс |
45 Изделия автомобильной промышленности |
| ОКПО подкласс |
6 Двигатели автомобильные и мотоциклетные, их узлы и детали |
| Вид изделия |
30-39 - болты |
| Вид покрытия |
0 - без покрытия (П) |
|
|
|
|
24-1009070 |
Прокладка масляного картера
Подробнее
Дополнительная информация:
| Кол-во на "3110, 3110-101, 3110-111, 3110-311, 3110-331, 3110-341, 3110-411, 3110-441" |
1 |
| Модель |
24 |
| Группа |
Двигатель |
| Подгруппа |
Картер масляный |
| Порядковый номер детали |
070 |
| ОКПО класс |
45 Изделия автомобильной промышленности |
| ОКПО подкласс |
6 Двигатели автомобильные и мотоциклетные, их узлы и детали |
| Вид изделия |
30-39 - болты |
| Вид покрытия |
0 - без покрытия (П) |
|
|
|
|
|
|
|
24-1009070-02 |
Прокладка масляного картера
Подробнее
Дополнительная информация:
| Кол-во на "3110, 3110-101, 3110-111, 3110-311, 3110-331, 3110-341, 3110-411, 3110-441" |
1 |
| Модель |
24 |
| Группа |
Двигатель |
| Подгруппа |
Картер масляный |
| Порядковый номер детали |
070 |
|
|
|
|
|
24-1009153 |
Крышка маслоналивного патрубка в сборе
Подробнее
Дополнительная информация:
| Кол-во на "3110, 3110-101, 3110-111, 3110-311, 3110-331, 3110-341, 3110-411, 3110-441" |
1 |
| Модель |
24 |
| Группа |
Двигатель |
| Подгруппа |
Картер масляный |
| Порядковый номер детали |
153 |
| ОКПО класс |
45 Изделия автомобильной промышленности |
| ОКПО подкласс |
6 Двигатели автомобильные и мотоциклетные, их узлы и детали |
| Вид изделия |
30-39 - болты |
| Вид покрытия |
1 - цинковое с хроматированием (цинкование и пассивирование(П29) |
|
|
|
|
24-1010054-01 |
Патрубок приемный масляного насоса с сеткой
Подробнее
Дополнительная информация:
| Кол-во на "3110, 3110-101, 3110-111, 3110-311, 3110-331, 3110-341, 3110-411, 3110-441" |
1 |
| Модель |
24 |
| Группа |
Двигатель |
| Подгруппа |
Маслоприемник |
| Порядковый номер детали |
054 |
| ОКПО класс |
45 Изделия автомобильной промышленности |
| ОКПО подкласс |
6 Двигатели автомобильные и мотоциклетные, их узлы и детали |
| Вид изделия |
30-39 - болты |
| Вид покрытия |
1 - цинковое с хроматированием (цинкование и пассивирование(П29) |
|
|
|
|
|
|
|
24-1011009-01 |
Насос масляный с маслоприемником
Подробнее
Дополнительная информация:
| Кол-во на "3110, 3110-101, 3110-111, 3110-311, 3110-331, 3110-341, 3110-411, 3110-441" |
1 |
| Модель |
24 |
| Группа |
Двигатель |
| Подгруппа |
Насос масляный |
| Порядковый номер детали |
009 |
| ОКПО класс |
45 Изделия автомобильной промышленности |
| ОКПО подкласс |
6 Двигатели автомобильные и мотоциклетные, их узлы и детали |
| Вид изделия |
30-39 - болты |
| Вид покрытия |
1 - цинковое с хроматированием (цинкование и пассивирование(П29) |
|
|
|
|
|
24-1011015-20 |
Корпус масляного насоса с осью в сборе
Подробнее
Дополнительная информация:
| Кол-во на "3110, 3110-101, 3110-111, 3110-311, 3110-331, 3110-341, 3110-411, 3110-441" |
1 |
| Модель |
24 |
| Группа |
Двигатель |
| Подгруппа |
Насос масляный |
| Порядковый номер детали |
015 |
| Дополнительно |
Не взаимозаменяема с деталью, выпущенной ранее под этим же номером |
| ОКПО класс |
45 Изделия автомобильной промышленности |
| ОКПО подкласс |
6 Двигатели автомобильные и мотоциклетные, их узлы и детали |
| Вид изделия |
30-39 - болты |
| Вид покрытия |
0 - без покрытия (П) |
|
|
|
|
|
24-1011020-10 |
Корпус масляного насоса
Подробнее
Дополнительная информация:
| Кол-во на "3110, 3110-101, 3110-111, 3110-311, 3110-331, 3110-341, 3110-411, 3110-441" |
1 |
| Модель |
24 |
| Группа |
Двигатель |
| Подгруппа |
Насос масляный |
| Порядковый номер детали |
020 |
| Дополнительно |
Не взаимозаменяема с деталью, выпущенной ранее под этим же номером |
| ОКПО класс |
45 Изделия автомобильной промышленности |
| ОКПО подкласс |
6 Двигатели автомобильные и мотоциклетные, их узлы и детали |
| Вид изделия |
30-39 - болты |
| Вид покрытия |
0 - без покрытия (П) |
|
|
|
|
|
24-1011040-30 |
Валик масляного насоса с ведущей шестерней
Подробнее
Дополнительная информация:
| Кол-во на "3110, 3110-101, 3110-111, 3110-311, 3110-331, 3110-341, 3110-411, 3110-441" |
1 |
| Модель |
24 |
| Группа |
Двигатель |
| Подгруппа |
Насос масляный |
| Порядковый номер детали |
040 |
| Дополнительно |
Не взаимозаменяема с деталью, выпущенной ранее под этим же номером |
| ОКПО класс |
45 Изделия автомобильной промышленности |
| ОКПО подкласс |
6 Двигатели автомобильные и мотоциклетные, их узлы и детали |
| Вид изделия |
30-39 - болты |
| Вид покрытия |
0 - без покрытия (П) |
|
|
|
|
|
24-1011042-31 |
Валик масляного насоса и привода распределителя
Подробнее
Дополнительная информация:
| Кол-во на "3110, 3110-101, 3110-111, 3110-311, 3110-331, 3110-341, 3110-411, 3110-441" |
2 |
| Модель |
24 |
| Группа |
Двигатель |
| Подгруппа |
Насос масляный |
| Порядковый номер детали |
042 |
| Дополнительно |
Не взаимозаменяема с деталью, выпущенной ранее под этим же номером |
| ОКПО класс |
45 Изделия автомобильной промышленности |
| ОКПО подкласс |
6 Двигатели автомобильные и мотоциклетные, их узлы и детали |
| Вид изделия |
30-39 - болты |
| Вид покрытия |
1 - цинковое с хроматированием (цинкование и пассивирование(П29) |
|
|
|
|
|
24-1011052-30 |
Крышка масляного насоса
Подробнее
Дополнительная информация:
| Кол-во на "3110, 3110-101, 3110-111, 3110-311, 3110-331, 3110-341, 3110-411, 3110-441" |
1 |
| Модель |
24 |
| Группа |
Двигатель |
| Подгруппа |
Насос масляный |
| Порядковый номер детали |
052 |
| Дополнительно |
Не взаимозаменяема с деталью, выпущенной ранее под этим же номером |
| ОКПО класс |
45 Изделия автомобильной промышленности |
| ОКПО подкласс |
6 Двигатели автомобильные и мотоциклетные, их узлы и детали |
| Вид изделия |
30-39 - болты |
| Вид покрытия |
1 - цинковое с хроматированием (цинкование и пассивирование(П29) |
|
|
|
|
|
24-1011062 |
Плунжер редукционного клапана
Подробнее
Дополнительная информация:
| Кол-во на "3110, 3110-101, 3110-111, 3110-311, 3110-331, 3110-341, 3110-411, 3110-441" |
1 |
| Модель |
24 |
| Группа |
Двигатель |
| Подгруппа |
Насос масляный |
| Порядковый номер детали |
062 |
| ОКПО класс |
45 Изделия автомобильной промышленности |
| ОКПО подкласс |
6 Двигатели автомобильные и мотоциклетные, их узлы и детали |
| Вид изделия |
30-39 - болты |
| Вид покрытия |
1 - цинковое с хроматированием (цинкование и пассивирование(П29) |
|
|
|
|
|
24-1011065-10 |
Прокладка крышки
Подробнее
Дополнительная информация:
| Кол-во на "3110, 3110-101, 3110-111, 3110-311, 3110-331, 3110-341, 3110-411, 3110-441" |
1 |
| Модель |
24 |
| Группа |
Двигатель |
| Подгруппа |
Насос масляный |
| Порядковый номер детали |
065 |
| Дополнительно |
Не взаимозаменяема с деталью, выпущенной ранее под этим же номером |
| ОКПО класс |
45 Изделия автомобильной промышленности |
| ОКПО подкласс |
6 Двигатели автомобильные и мотоциклетные, их узлы и детали |
| Вид изделия |
30-39 - болты |
| Вид покрытия |
0 - без покрытия (П) |
|
|
|
|
|
24-1011070-10 |
Прокладка приемного патрубка
Подробнее
Дополнительная информация:
| Кол-во на "3110, 3110-101, 3110-111, 3110-311, 3110-331, 3110-341, 3110-411, 3110-441" |
1 |
| Модель |
24 |
| Группа |
Двигатель |
| Подгруппа |
Насос масляный |
| Порядковый номер детали |
070 |
| Дополнительно |
Не взаимозаменяема с деталью, выпущенной ранее под этим же номером |
| ОКПО класс |
45 Изделия автомобильной промышленности |
| ОКПО подкласс |
6 Двигатели автомобильные и мотоциклетные, их узлы и детали |
| Вид изделия |
30-39 - болты |
| Вид покрытия |
1 - цинковое с хроматированием (цинкование и пассивирование(П29) |
|
|
|
|
|
250511-П8 |
Гайка М8х1
Подробнее
Дополнительная информация:
| Кол-во на "3110, 3110-101, 3110-111, 3110-311, 3110-331, 3110-341, 3110-411, 3110-441" |
35 |
| Покрытие |
цинкование |
|
|
|
|
|
251082-П29 |
Гайка М4-6Н ОСТ 37.001.112-91
Подробнее
Дополнительная информация:
| Кол-во на "3110, 3110-101, 3110-111, 3110-311, 3110-331, 3110-341, 3110-411, 3110-441" |
34 |
| Покрытие |
цинкование и пассивирование (цинковое с хроматированием) |
|
|
|
|
|
252135-П2 |
Шайба 8Т ОСТ 37.001.115-75
Подробнее
Дополнительная информация:
| Кол-во на "3110, 3110-101, 3110-111, 3110-311, 3110-331, 3110-341, 3110-411, 3110-441" |
117 |
| Покрытие |
фосфатирование и промасливание |
|
|
|
|
|
252135-П2 |
Шайба 8Т ОСТ 37.001.115-75
Подробнее
Дополнительная информация:
| Кол-во на "3110, 3110-101, 3110-111, 3110-311, 3110-331, 3110-341, 3110-411, 3110-441" |
117 |
| Покрытие |
фосфатирование и промасливание |
|
|
|
|
|
252155-П2 |
Шайба 8Л ОСТ 37.001.115-75
Подробнее
Дополнительная информация:
| Кол-во на "3110, 3110-101, 3110-111, 3110-311, 3110-331, 3110-341, 3110-411, 3110-441" |
105 |
| Покрытие |
фосфатирование и промасливание |
|
|
|
|
|
252155-П2 |
Шайба 8Л ОСТ 37.001.115-75
Подробнее
Дополнительная информация:
| Кол-во на "3110, 3110-101, 3110-111, 3110-311, 3110-331, 3110-341, 3110-411, 3110-441" |
105 |
| Покрытие |
фосфатирование и промасливание |
|
|
|
|
|
258040-П |
Шплинт 2,7х25
Подробнее
Дополнительная информация:
| Кол-во на "3110, 3110-101, 3110-111, 3110-311, 3110-331, 3110-341, 3110-411, 3110-441" |
1 |
| Покрытие |
без покрытия |
|
|
|
|
|
258937-П |
Штифт 4х22
Подробнее
Дополнительная информация:
| Кол-во на "3110, 3110-101, 3110-111, 3110-311, 3110-331, 3110-341, 3110-411, 3110-441" |
1 |
| Покрытие |
без покрытия |
|
|
|
|
291732-П2 |
Шпилька М8х1-4hх14
Подробнее
Дополнительная информация:
| Кол-во на "3110, 3110-101, 3110-111, 3110-311, 3110-331, 3110-341, 3110-411, 3110-441" |
21 |
| Покрытие |
фосфатирование и промасливание |
| ОКПО класс |
45 Изделия автомобильной промышленности |
| ОКПО подкласс |
9 Унифицированные узлы, детали и крепежные изделия, применяемые в автомобильной промышленности, и ремонтно-эксплуатационные комплекты |
| Вид изделия |
90-99 - детали, соединяющие трубопроводы, резьбовые пробки |
| Вид покрытия |
3 - многослойное медь-никель (никелирование и полировка (П6) |
|
|
|
|
|
|
291751-П2 |
Шпилька М8х1-4hх30
Подробнее
Дополнительная информация:
| Кол-во на "3110, 3110-101, 3110-111, 3110-311, 3110-331, 3110-341, 3110-411, 3110-441" |
3 |
| Покрытие |
фосфатирование и промасливание |
| ОКПО класс |
45 Изделия автомобильной промышленности |
| ОКПО подкласс |
9 Унифицированные узлы, детали и крепежные изделия, применяемые в автомобильной промышленности, и ремонтно-эксплуатационные комплекты |
| Вид изделия |
90-99 - детали, соединяющие трубопроводы, резьбовые пробки |
| Вид покрытия |
3 - многослойное медь-никель (никелирование и полировка (П6) |
|
|
|
|
|
|
|
293171-П2 |
Шайба 5
Подробнее
Дополнительная информация:
| Кол-во на "3110, 3110-101, 3110-111, 3110-311, 3110-331, 3110-341, 3110-411, 3110-441" |
2 |
| Покрытие |
фосфатирование и промасливание |
|
|
|
|
|
293259-П29 |
Шайба 8,5
Подробнее
Дополнительная информация:
| Кол-во на "3110, 3110-101, 3110-111, 3110-311, 3110-331, 3110-341, 3110-411, 3110-441" |
25 |
| Покрытие |
цинкование и пассивирование (цинковое с хроматированием) |
|
|
|
|
|
293270-П |
Шайба стопорная
Подробнее
Дополнительная информация:
| Кол-во на "3110, 3110-101, 3110-111, 3110-311, 3110-331, 3110-341, 3110-411, 3110-441" |
4 |
| Покрытие |
без покрытия |
| ОКПО класс |
45 Изделия автомобильной промышленности |
| ОКПО подкласс |
9 Унифицированные узлы, детали и крепежные изделия, применяемые в автомобильной промышленности, и ремонтно-эксплуатационные комплекты |
| Вид изделия |
90-99 - детали, соединяющие трубопроводы, резьбовые пробки |
| Вид покрытия |
6 - фосфатное с промасливанием (П2) |
|
|
|
|
|
296494-П8 |
Пробка М18х1,5х12
Подробнее
Дополнительная информация:
| Кол-во на "3110, 3110-101, 3110-111, 3110-311, 3110-331, 3110-341, 3110-411, 3110-441" |
2 |
| Покрытие |
цинкование |
|
|
|
|
|
296499-П29 |
Пробка М18х1,5х12
Подробнее
Дополнительная информация:
| Кол-во на "3110, 3110-101, 3110-111, 3110-311, 3110-331, 3110-341, 3110-411, 3110-441" |
1 |
| Покрытие |
цинкование и пассивирование (цинковое с хроматированием) |
|
|
|
|
|
297248-П |
Прокладка диаметром 18 пробки в сборе
Подробнее
Дополнительная информация:
| Кол-во на "3110, 3110-101, 3110-111, 3110-311, 3110-331, 3110-341, 3110-411, 3110-441" |
2 |
| Покрытие |
без покрытия |
|
|
|
|
|
297403-П29 |
Хомут 14
Подробнее
Дополнительная информация:
| Кол-во на "3110, 3110-101, 3110-111, 3110-311, 3110-331, 3110-341, 3110-411, 3110-441" |
15 |
| Покрытие |
цинкование и пассивирование (цинковое с хроматированием) |
|
|
|
|
298339-П29 |
Штуцер КГ 1/4"
Подробнее
Дополнительная информация:
| Кол-во на "3110, 3110-101, 3110-111, 3110-311, 3110-331, 3110-341, 3110-411, 3110-441" |
2 |
| Покрытие |
цинкование и пассивирование (цинковое с хроматированием) |
|
|
|
|
|
|
3102-1013010-02 |
Радиатор масляный
Подробнее
Дополнительная информация:
| Кол-во на "3110, 3110-101, 3110-111, 3110-311, 3110-331, 3110-341, 3110-411, 3110-441" |
1 |
| Модель |
3102 |
| Группа |
Двигатель |
| Подгруппа |
Радиатор масляный |
| Порядковый номер детали |
010 |
|
|
|
|
|
|
|
3110-1013100 |
Шланг впускной
Подробнее
Дополнительная информация:
| Кол-во на "3110, 3110-101, 3110-111, 3110-311, 3110-331, 3110-341, 3110-411, 3110-441" |
1 |
| Модель |
3110 |
| Группа |
Двигатель |
| Подгруппа |
Радиатор масляный |
| Порядковый номер детали |
100 |
| ОКПО класс |
45 Изделия автомобильной промышленности |
| ОКПО подкласс |
4 Агрегаты, узлы и детали автомобилей легковых, мотоциклов, велосипедов и электромобилей |
| Вид изделия |
30-39 - болты |
| Вид покрытия |
1 - цинковое с хроматированием (цинкование и пассивирование(П29) |
|
|
|
|
|
4022.1009046-10 |
Трубка указателя уровня масла в сборе
Подробнее
Дополнительная информация:
| Кол-во на "3110, 3110-101, 3110-111, 3110-311, 3110-331, 3110-341, 3110-411, 3110-441" |
1 |
| Модель |
4022 |
| Группа |
Двигатель |
| Подгруппа |
Картер масляный |
| Порядковый номер детали |
046 |
| Дополнительно |
Не взаимозаменяема с деталью, выпущенной ранее под этим же номером |
| ОКПО класс |
45 Изделия автомобильной промышленности |
| ОКПО подкласс |
6 Двигатели автомобильные и мотоциклетные, их узлы и детали |
| Вид изделия |
30-39 - болты |
| Вид покрытия |
0 - без покрытия (П) |
|
|
|
|
|
4022.1009050-12 |
Указатель уровня масла в сборе
Подробнее
Дополнительная информация:
| Кол-во на "3110, 3110-101, 3110-111, 3110-311, 3110-331, 3110-341, 3110-411, 3110-441" |
1 |
| Модель |
4022 |
| Группа |
Двигатель |
| Подгруппа |
Картер масляный |
| Порядковый номер детали |
050 |
| Дополнительно |
Не взаимозаменяема с деталью, выпущенной ранее под этим же номером |
| ОКПО класс |
45 Изделия автомобильной промышленности |
| ОКПО подкласс |
6 Двигатели автомобильные и мотоциклетные, их узлы и детали |
| Вид изделия |
30-39 - болты |
| Вид покрытия |
0 - без покрытия (П) |
|
|
|
|
|
41-1015427-01 |
Шланг масляного радиатора в сборе
Подробнее
Дополнительная информация:
| Кол-во на "3110, 3110-101, 3110-111, 3110-311, 3110-331, 3110-341, 3110-411, 3110-441" |
1 |
| Модель |
41 |
| Группа |
Двигатель |
| Подгруппа |
Подогреватель пусковой двигателя |
| Порядковый номер детали |
427 |
|
|
|
|
|
46 9116 7666 |
Шарик Б11,906-60
Подробнее
Дополнительная информация:
| Кол-во на "3110, 3110-101, 3110-111, 3110-311, 3110-331, 3110-341, 3110-411, 3110-441" |
1 |
|
|
|
|
|
51А-1002159 |
Прокладка крышки
Подробнее
Дополнительная информация:
| Кол-во на "3110, 3110-101, 3110-111, 3110-311, 3110-331, 3110-341, 3110-411, 3110-441" |
1 |
| Модель |
51Рђ |
| Группа |
Двигатель |
| Подгруппа |
Блок цилиндров |
| Порядковый номер детали |
159 |
|
|
|
|
|
53-11-1009034 |
Шайба 18
Подробнее
Дополнительная информация:
| Кол-во на "3110, 3110-101, 3110-111, 3110-311, 3110-331, 3110-341, 3110-411, 3110-441" |
3 |
| Модель |
53-11 |
| Группа |
Двигатель |
| Подгруппа |
Картер масляный |
| Порядковый номер детали |
034 |
|
|
|
|
|
53-11-1011025 |
Ось ведомой шестерни
Подробнее
Дополнительная информация:
| Кол-во на "3110, 3110-101, 3110-111, 3110-311, 3110-331, 3110-341, 3110-411, 3110-441" |
1 |
| Модель |
53-11 |
| Группа |
Двигатель |
| Подгруппа |
Насос масляный |
| Порядковый номер детали |
025 |
| ОКПО класс |
45 Изделия автомобильной промышленности |
| ОКПО подкласс |
6 Двигатели автомобильные и мотоциклетные, их узлы и детали |
| Вид изделия |
40-49 - винты |
| Вид покрытия |
2 - кадмиевое с хроматированием (П21) |
|
|
|
|
63-1013095 |
Клапан масляного радиатора в сборе
Подробнее
Дополнительная информация:
| Кол-во на "3110, 3110-101, 3110-111, 3110-311, 3110-331, 3110-341, 3110-411, 3110-441" |
1 |
| Модель |
63 |
| Группа |
Двигатель |
| Подгруппа |
Радиатор масляный |
| Порядковый номер детали |
095 |
|
|
|
|
|
|
|
63-1013097 |
Корпус клапана масляного радиатора
Подробнее
Дополнительная информация:
| Кол-во на "3110, 3110-101, 3110-111, 3110-311, 3110-331, 3110-341, 3110-411, 3110-441" |
1 |
| Модель |
63 |
| Группа |
Двигатель |
| Подгруппа |
Радиатор масляный |
| Порядковый номер детали |
097 |
| ОКПО класс |
45 Изделия автомобильной промышленности |
| ОКПО подкласс |
6 Двигатели автомобильные и мотоциклетные, их узлы и детали |
| Вид изделия |
40-49 - винты |
| Вид покрытия |
0 - без покрытия (П) |
|
|
|
|
|
874368-П2 |
Шпилька М8х1-4hх60
Подробнее
Дополнительная информация:
| Кол-во на "3110, 3110-101, 3110-111, 3110-311, 3110-331, 3110-341, 3110-411, 3110-441" |
4 |
| Покрытие |
фосфатирование и промасливание |
| ОКПО класс |
45 Изделия автомобильной промышленности |
| ОКПО подкласс |
9 Унифицированные узлы, детали и крепежные изделия, применяемые в автомобильной промышленности, и ремонтно-эксплуатационные комплекты |
| Вид изделия |
90-99 - детали, соединяющие трубопроводы, резьбовые пробки |
| Вид покрытия |
3 - многослойное медь-никель (никелирование и полировка (П6) |
|
|
|
|
|
Г-51-1013140-02 |
Кран ПП6-1
Подробнее
Дополнительная информация:
| Кол-во на "3110, 3110-101, 3110-111, 3110-311, 3110-331, 3110-341, 3110-411, 3110-441" |
1 |
| Модель |
Р“-51 |
| Группа |
Двигатель |
| Подгруппа |
Радиатор масляный |
| Порядковый номер детали |
140 |
| ОКПО класс |
45 Изделия автомобильной промышленности |
| ОКПО подкласс |
9 Унифицированные узлы, детали и крепежные изделия, применяемые в автомобильной промышленности, и ремонтно-эксплуатационные комплекты |
| Вид покрытия |
7 - цинковое с фосфатированием (П53) |
|
|