← Синхронизатор 1-й и 2-й передач, вилка выключения 1-й и 2-й, 3-й и 4-й передач в коробке передач (для автомобилей выпуска с 2004 года) Передача карданная трансмиссии (для автомобилей выпуска до апреля 2002 года) →
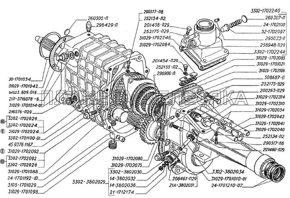
Картеры передний и задний, валы в сборе, механизм переключения коробки передач, выключатель света заднего хода: I-для автомобилей выпуска до 2004 года, II-для автомобилей выпуска с 2004 года ГАЗ-2705 (дв. ЗМЗ-406)
  Номер детали Наименование детали  
14-3802032 Втулка штуцера
Подробнее
Дополнительная информация:
Кол-во на "2705-0000012, 2705-0000014, 2705-0000022, 2705-0000024, 2705-0000032, 2705-0000034, 2705-0000042, 2705-0000044" 1
Модель 14
Группа Приборы
Подгруппа Спидометр
Порядковый номер детали 032
14-3802036 Кольцо уплотнительное
Подробнее
Дополнительная информация:
Кол-во на "2705-0000012, 2705-0000014, 2705-0000022, 2705-0000024, 2705-0000032, 2705-0000034, 2705-0000042, 2705-0000044" 1
Модель 14
Группа Приборы
Подгруппа Спидометр
Порядковый номер детали 036
20-1701034 Кольцо стопорное подшипника
Подробнее
Дополнительная информация:
Кол-во на "2705-0000012, 2705-0000014, 2705-0000022, 2705-0000024, 2705-0000032, 2705-0000034, 2705-0000042, 2705-0000044" 1
Модель 20
Группа Коробка передач
Подгруппа Коробка передач
Порядковый номер детали 034
200263-П29 Болт М8-6gх35 ОСТ 37.001.122-96
Подробнее
Дополнительная информация:
Покрытие цинкование и пассивирование (цинковое с хроматированием)
  Код Название Артикул Цена
Болт М8х35 крышки натяжителя ГАЗ-3110 091593 Болт М8х35 крышки натяжителя ГАЗ-3110 200263-П29 12,00 р.
201454-П29 Болт М8-6gх16 ОСТ 37.001.123-96
Подробнее
Дополнительная информация:
Покрытие цинкование и пассивирование (цинковое с хроматированием)
Болт М8х35 крышки натяжителя ГАЗ-3110 201458-П29 Болт М8-6gх25 ОСТ 37.001.123-96
Подробнее
Дополнительная информация:
Покрытие цинкование и пассивирование (цинковое с хроматированием)
  Код Название Артикул Цена
Болт М8х25х1.25 картера масляного ГАЗ-3110 091589 Болт М8х25х1.25 картера масляного ГАЗ-3110 201458-П29 8,00 р.
Болт М8х25х1.25 картера масляного ГАЗ-3110 201460-П29 Болт М8-6gх30 ОСТ 37.001.123-96
Подробнее
Дополнительная информация:
Покрытие цинкование и пассивирование (цинковое с хроматированием)
  Код Название Артикул Цена
Болт М8х30 кронштейна генератора ГАЗ-3110 091590 Болт М8х30 кронштейна генератора ГАЗ-3110 201460-П29 8,00 р.
206461-П29 Болт М6-6gх14
Подробнее
Дополнительная информация:
Покрытие цинкование и пассивирование (цинковое с хроматированием)
21-1712174 Кольцо
Подробнее
Дополнительная информация:
Кол-во на "2705-0000012, 2705-0000014, 2705-0000022, 2705-0000024, 2705-0000032, 2705-0000034, 2705-0000042, 2705-0000044" 1
Модель 21
Группа Коробка передач
Подгруппа 1712
Порядковый номер детали 174
ОКПО класс 45 Изделия автомобильной промышленности
ОКПО подкласс 4 Агрегаты, узлы и детали автомобилей легковых, мотоциклов, велосипедов и электромобилей
Вид изделия 30-39 - болты
Вид покрытия 1 - цинковое с хроматированием (цинкование и пассивирование(П29)
21А-3802031 Стопор штуцера
Подробнее
Дополнительная информация:
Кол-во на "2705-0000012, 2705-0000014, 2705-0000022, 2705-0000024, 2705-0000032, 2705-0000034, 2705-0000042, 2705-0000044" 1
Модель 21Рђ
Группа Приборы
Подгруппа Спидометр
Порядковый номер детали 031
21П-3716078-Б Прокладка выключателя света заднего хода
Подробнее
Дополнительная информация:
Кол-во на "2705-0000012, 2705-0000014, 2705-0000022, 2705-0000024, 2705-0000032, 2705-0000034, 2705-0000042, 2705-0000044" 1
Модель 21Рџ
Группа Электрооборудование
Подгруппа Фонари задние
Порядковый номер детали 078
Дополнительно Взаимозаменяема с деталью, выпущенной ранее под этим же номером
24-1701192-10 Кольцо стопорное
Подробнее
Дополнительная информация:
Кол-во на "2705-0000012, 2705-0000014, 2705-0000022, 2705-0000024, 2705-0000032, 2705-0000034, 2705-0000042, 2705-0000044" 1
Модель 24
Группа Коробка передач
Подгруппа Коробка передач
Порядковый номер детали 192
Дополнительно Не взаимозаменяема с деталью, выпущенной ранее под этим же номером
24-1701210-07 Манжета 1,2-38х56-2
Подробнее
Дополнительная информация:
Кол-во на "2705-0000012, 2705-0000014, 2705-0000022, 2705-0000024, 2705-0000032, 2705-0000034, 2705-0000042, 2705-0000044" 2
Модель 24
Группа Коробка передач
Подгруппа Коробка передач
Порядковый номер детали 210
24-1702100 Пружина предохранителя первой и второй передач
Подробнее
Дополнительная информация:
Кол-во на "2705-0000012, 2705-0000014, 2705-0000022, 2705-0000024, 2705-0000032, 2705-0000034, 2705-0000042, 2705-0000044" 2
Модель 24
Группа Коробка передач
Подгруппа Механизм переключения передач
Порядковый номер детали 100
252134-П2 Шайба 6Т ОСТ 37.001.115-75
Подробнее
Дополнительная информация:
Покрытие фосфатирование и промасливание
252155-П2 Шайба 8Л ОСТ 37.001.115-75
Подробнее
Дополнительная информация:
Покрытие фосфатирование и промасливание
252175-П29 Шайба 8
Подробнее
Дополнительная информация:
Покрытие цинкование и пассивирование (цинковое с хроматированием)
258948-П29 Штифт 5х25 ОСТ 37.001.116-97
Подробнее
Дополнительная информация:
Покрытие цинкование и пассивирование (цинковое с хроматированием)
260305-П Заглушка 16 ОСТ 37.001.173-82
Подробнее
Дополнительная информация:
Покрытие без покрытия
Болт М8х30 кронштейна генератора ГАЗ-3110 260307-П Заглушка 20
Подробнее
Дополнительная информация:
Покрытие без покрытия
  Код Название Артикул Цена
Заглушка ГАЗ-2410 КПП d=20 ОАО ГАЗ 097382 Заглушка ГАЗ-2410 КПП d=20 ОАО ГАЗ 260307-П 10,00 р.
290517-П8 Болт М6-6gх20
Подробнее
Дополнительная информация:
Покрытие цинкование
295033-П Штифт 6х14 установочный
Подробнее
Дополнительная информация:
Покрытие без покрытия
Заглушка ГАЗ-2410 КПП d=20 ОАО ГАЗ 296576-П29 Пробка КГ1/2"
Подробнее
Дополнительная информация:
Покрытие цинкование и пассивирование (цинковое с хроматированием)
  Код Название Артикул Цена
Пробка ГАЗ-2410 сливная КПП и РЗМ 021569 Пробка ГАЗ-2410 сливная КПП и РЗМ 296576-П29 35,00 р.
296906-П Заглушка 9
Подробнее
Дополнительная информация:
Покрытие без покрытия
Пробка ГАЗ-2410 сливная КПП и РЗМ 298429-П Сапун в сборе К1/8"
Подробнее
Дополнительная информация:
Покрытие без покрытия
  Код Название Артикул Цена
Сапун ГАЗ-2410,3102,3110,3302 КПП ОАО ГАЗ 210508 Сапун ГАЗ-2410,3102,3110,3302 КПП ОАО ГАЗ 298429-П 52,00 р.
31029-1701010-01 Картер коробки передач задний
Подробнее
Дополнительная информация:
Кол-во на "2705-0000012, 2705-0000014, 2705-0000022, 2705-0000024, 2705-0000032, 2705-0000034, 2705-0000042, 2705-0000044" 1
Модель 31029
Группа Коробка передач
Подгруппа Коробка передач
Порядковый номер детали 010
31029-1701014-01 Картер коробки передач передний
Подробнее
Дополнительная информация:
Кол-во на "2705-0000012, 2705-0000014, 2705-0000022, 2705-0000024, 2705-0000032, 2705-0000034, 2705-0000042, 2705-0000044" 1
Модель 31029
Группа Коробка передач
Подгруппа Коробка передач
Порядковый номер детали 014
31029-1701021 Прокладка картеров
Подробнее
Дополнительная информация:
Кол-во на "2705-0000012, 2705-0000014, 2705-0000022, 2705-0000024, 2705-0000032, 2705-0000034, 2705-0000042, 2705-0000044" 1
Модель 31029
Группа Коробка передач
Подгруппа Коробка передач
Порядковый номер детали 021
31029-1701042 Прокладка крышки подшипника
Подробнее
Дополнительная информация:
Кол-во на "2705-0000012, 2705-0000014, 2705-0000022, 2705-0000024, 2705-0000032, 2705-0000034, 2705-0000042, 2705-0000044" 1
Модель 31029
Группа Коробка передач
Подгруппа Коробка передач
Порядковый номер детали 042
Сапун ГАЗ-2410,3102,3110,3302 КПП ОАО ГАЗ 31029-1701088 Ось со втулкой и промежуточной шестерней заднего хода
Подробнее
Дополнительная информация:
Кол-во на "2705-0000012, 2705-0000014, 2705-0000022, 2705-0000024, 2705-0000032, 2705-0000034, 2705-0000042, 2705-0000044" 1
Модель 31029
Группа Коробка передач
Подгруппа Коробка передач
Порядковый номер детали 088
  Код Название Артикул Цена
Ось ГАЗ-31029 промежуточная заднего хода СБ ОАО ГАЗ 059342 Ось ГАЗ-31029 промежуточная заднего хода СБ ОАО ГАЗ 31029-1701088 3 800,00 р.
Ось ГАЗ-31029 промежуточная заднего хода СБ ОАО ГАЗ 31029-1701098 Пробка магнитная
Подробнее
Дополнительная информация:
Кол-во на "2705-0000012, 2705-0000014, 2705-0000022, 2705-0000024, 2705-0000032, 2705-0000034, 2705-0000042, 2705-0000044" 2
Модель 31029
Группа Коробка передач
Подгруппа Коробка передач
Порядковый номер детали 098
  Код Название Артикул Цена
Пробка ГАЗ-24 КПП и РЗМ магнитная ОАО ГАЗ 073526 Пробка ГАЗ-24 КПП и РЗМ магнитная ОАО ГАЗ 31029-1701098 210,00 р.
Пробка ГАЗ-24 КПП и РЗМ магнитная ОАО ГАЗ 31029-1702024 Вилка переключения первой, второй, третьей, четвертой
Подробнее
Дополнительная информация:
Кол-во на "2705-0000012, 2705-0000014, 2705-0000022, 2705-0000024, 2705-0000032, 2705-0000034, 2705-0000042, 2705-0000044" 2
Примечание Нет
Модель 31029
Группа Коробка передач
Подгруппа Механизм переключения передач
Порядковый номер детали 024
  Код Название Артикул Цена
Вилка КПП ГАЗ-31029 1,2,3,4-й передач 015275 Вилка КПП ГАЗ-31029 1,2,3,4-й передач 31029-1702024 610,00 р.
31029-1702040 Шток включения первой и второй передач
Подробнее
Дополнительная информация:
Кол-во на "2705-0000012, 2705-0000014, 2705-0000022, 2705-0000024, 2705-0000032, 2705-0000034, 2705-0000042, 2705-0000044" 1
Модель 31029
Группа Коробка передач
Подгруппа Механизм переключения передач
Порядковый номер детали 040
31029-1702041 Шток включения третьей и четвертой передач
Подробнее
Дополнительная информация:
Кол-во на "2705-0000012, 2705-0000014, 2705-0000022, 2705-0000024, 2705-0000032, 2705-0000034, 2705-0000042, 2705-0000044" 1
Модель 31029
Группа Коробка передач
Подгруппа Механизм переключения передач
Порядковый номер детали 041
31029-1702042 Шток включения пятой передачи и заднего хода
Подробнее
Дополнительная информация:
Кол-во на "2705-0000012, 2705-0000014, 2705-0000022, 2705-0000024, 2705-0000032, 2705-0000034, 2705-0000042, 2705-0000044" 1
Модель 31029
Группа Коробка передач
Подгруппа Механизм переключения передач
Порядковый номер детали 042
31029-1702054 Головка штока включения первой, второй, пятой передач и заднего хода
Подробнее
Дополнительная информация:
Кол-во на "2705-0000012, 2705-0000014, 2705-0000022, 2705-0000024, 2705-0000032, 2705-0000034, 2705-0000042, 2705-0000044" 2
Модель 31029
Группа Коробка передач
Подгруппа Механизм переключения передач
Порядковый номер детали 054
Вилка КПП ГАЗ-31029 1,2,3,4-й передач 31029-1702075 Палец стопорный штоков
Подробнее
Дополнительная информация:
Кол-во на "2705-0000012, 2705-0000014, 2705-0000022, 2705-0000024, 2705-0000032, 2705-0000034, 2705-0000042, 2705-0000044" 1
Модель 31029
Группа Коробка передач
Подгруппа Механизм переключения передач
Порядковый номер детали 075
  Код Название Артикул Цена
Палец ГАЗ-31029 штоков перекл.передач стопорный ОАО ГАЗ 021552 Палец ГАЗ-31029 штоков перекл.передач стопорный ОАО ГАЗ 31029-1702075 200,00 р.
31029-1702080 Плунжер стопорный штоков
Подробнее
Дополнительная информация:
Кол-во на "2705-0000012, 2705-0000014, 2705-0000022, 2705-0000024, 2705-0000032, 2705-0000034, 2705-0000042, 2705-0000044" 2
Модель 31029
Группа Коробка передач
Подгруппа Механизм переключения передач
Порядковый номер детали 080
31029-1702084 Пластина фиксаторов штоков
Подробнее
Дополнительная информация:
Кол-во на "2705-0000012, 2705-0000014, 2705-0000022, 2705-0000024, 2705-0000032, 2705-0000034, 2705-0000042, 2705-0000044" 1
Модель 31029
Группа Коробка передач
Подгруппа Механизм переключения передач
Порядковый номер детали 084
Палец ГАЗ-31029 штоков перекл.передач стопорный ОАО ГАЗ 31029-1702085 Прокладка пластины фиксаторов
Подробнее
Дополнительная информация:
Кол-во на "2705-0000012, 2705-0000014, 2705-0000022, 2705-0000024, 2705-0000032, 2705-0000034, 2705-0000042, 2705-0000044" 1
Модель 31029
Группа Коробка передач
Подгруппа Механизм переключения передач
Порядковый номер детали 085
  Код Название Артикул Цена
Прокладка ГАЗ-31029 фиксаторов КПП 067581 Прокладка ГАЗ-31029 фиксаторов КПП 31029-1702085 2,00 р.
31029-1702092 Вилка переключения пятой передачи и заднего хода
Подробнее
Дополнительная информация:
Кол-во на "2705-0000012, 2705-0000014, 2705-0000022, 2705-0000024, 2705-0000032, 2705-0000034, 2705-0000042, 2705-0000044" 1
Примечание Нет
Модель 31029
Группа Коробка передач
Подгруппа Механизм переключения передач
Порядковый номер детали 092
Прокладка ГАЗ-31029 фиксаторов КПП 31029-1702106 Пружина фиксатора передач
Подробнее
Дополнительная информация:
Кол-во на "2705-0000012, 2705-0000014, 2705-0000022, 2705-0000024, 2705-0000032, 2705-0000034, 2705-0000042, 2705-0000044" 3
Модель 31029
Группа Коробка передач
Подгруппа Механизм переключения передач
Порядковый номер детали 106
  Код Название Артикул Цена
Пружина ГАЗ-31029 фиксатора передач 078542 Пружина ГАЗ-31029 фиксатора передач 31029-1702106 20,00 р.
Пружина ГАЗ-31029 фиксатора передач 31029-1702246 Прокладка корпуса рычага
Подробнее
Дополнительная информация:
Кол-во на "2705-0000012, 2705-0000014, 2705-0000022, 2705-0000024, 2705-0000032, 2705-0000034, 2705-0000042, 2705-0000044" 1
Модель 31029
Группа Коробка передач
Подгруппа Механизм переключения передач
Порядковый номер детали 246
  Код Название Артикул Цена
Прокладка ГАЗ-31029 корпуса рычага перекл.передач 019965 Прокладка ГАЗ-31029 корпуса рычага перекл.передач 31029-1702246 15,00 р.
Прокладка ГАЗ-31029 корпуса рычага перекл.передач 31029-1702310 Втулка блокировочная
Подробнее
Дополнительная информация:
Кол-во на "2705-0000012, 2705-0000014, 2705-0000022, 2705-0000024, 2705-0000032, 2705-0000034, 2705-0000042, 2705-0000044" 1
Модель 31029
Группа Коробка передач
Подгруппа Механизм переключения передач
Порядковый номер детали 310
  Код Название Артикул Цена
Втулка ГАЗ-31029 штока 5-й передачи блокировочная ОАО ГАЗ 021724 Втулка ГАЗ-31029 штока 5-й передачи блокировочная ОАО ГАЗ 31029-1702310 950,00 р.
31029-1702314 Пружина блокировочной втулки
Подробнее
Дополнительная информация:
Кол-во на "2705-0000012, 2705-0000014, 2705-0000022, 2705-0000024, 2705-0000032, 2705-0000034, 2705-0000042, 2705-0000044" 1
Модель 31029
Группа Коробка передач
Подгруппа Механизм переключения передач
Порядковый номер детали 314
3105-1701029 Штифт центровочный
Подробнее
Дополнительная информация:
Кол-во на "2705-0000012, 2705-0000014, 2705-0000022, 2705-0000024, 2705-0000032, 2705-0000034, 2705-0000042, 2705-0000044" 2
Модель 3105
Группа Коробка передач
Подгруппа Коробка передач
Порядковый номер детали 029
Втулка ГАЗ-31029 штока 5-й передачи блокировочная ОАО ГАЗ 3302-1701100-01 Вал вторичный в сборе
Подробнее
Дополнительная информация:
Кол-во на "2705-0000012, 2705-0000014, 2705-0000022, 2705-0000024, 2705-0000032, 2705-0000034, 2705-0000042, 2705-0000044" 1
Модель 3302
Группа Коробка передач
Подгруппа Коробка передач
Порядковый номер детали 100
  Код Название Артикул Цена
Вал КПП ГАЗ-3302 вторичный СБ Н/О ОАО ГАЗ 025593 Вал КПП ГАЗ-3302 вторичный СБ Н/О ОАО ГАЗ 3302-1701100-01 39 840,00 р.
Вал КПП ГАЗ-3302 вторичный СБ Н/О ОАО ГАЗ 3302-1702024 Вилка переключения 1 и 2, 3 и 4 передач
Подробнее
Дополнительная информация:
Кол-во на "2705-0000012, 2705-0000014, 2705-0000022, 2705-0000024, 2705-0000032, 2705-0000034, 2705-0000042, 2705-0000044" 2
Примечание Нет
Модель 3302
Группа Коробка передач
Подгруппа Механизм переключения передач
Порядковый номер детали 024
  Код Название Артикул Цена
Вилка КПП ГАЗ-3302 1,2,3,4-й передач Н/О ОАО ГАЗ 055499 Вилка КПП ГАЗ-3302 1,2,3,4-й передач Н/О ОАО ГАЗ 3302-1702024 1 080,00 р.
Вилка КПП ГАЗ-3302 1,2,3,4-й передач Н/О ОАО ГАЗ 3302-1702028 Сухарь
Подробнее
Дополнительная информация:
Кол-во на "2705-0000012, 2705-0000014, 2705-0000022, 2705-0000024, 2705-0000032, 2705-0000034, 2705-0000042, 2705-0000044" 6
Примечание Нет
Модель 3302
Группа Коробка передач
Подгруппа Механизм переключения передач
Порядковый номер детали 028
  Код Название Артикул Цена
Сухарь КПП ГАЗ-3302 вилки перекл.передач Н/О ОАО ГАЗ 016343 Сухарь КПП ГАЗ-3302 вилки перекл.передач Н/О ОАО ГАЗ 3302-1702028 170,00 р.
Сухарь КПП ГАЗ-3302 вилки перекл.передач Н/О ОАО ГАЗ 3302-1702092 Вилка переключения 5 передачи и заднего хода
Подробнее
Дополнительная информация:
Кол-во на "2705-0000012, 2705-0000014, 2705-0000022, 2705-0000024, 2705-0000032, 2705-0000034, 2705-0000042, 2705-0000044" 1
Примечание Нет
Модель 3302
Группа Коробка передач
Подгруппа Механизм переключения передач
Порядковый номер детали 092
  Код Название Артикул Цена
Вилка КПП ГАЗ-31029 5-й передачи и зад.хода Н/О ОАО ГАЗ 055498 Вилка КПП ГАЗ-31029 5-й передачи и зад.хода Н/О ОАО ГАЗ 3302-1702092 1 370,00 р.
Вилка КПП ГАЗ-31029 5-й передачи и зад.хода Н/О ОАО ГАЗ 3302-1702240 Корпус рычага переключения передач в сборе
Подробнее
Дополнительная информация:
Кол-во на "2705-0000012, 2705-0000014, 2705-0000022, 2705-0000024, 2705-0000032, 2705-0000034, 2705-0000042, 2705-0000044" 1
Модель 3302
Группа Коробка передач
Подгруппа Механизм переключения передач
Порядковый номер детали 240
  Код Название Артикул Цена
Корпус ГАЗ-3302 рычага переключения передач ОАО ГАЗ 006737 Корпус ГАЗ-3302 рычага переключения передач ОАО ГАЗ 3302-1702240 1 780,00 р.
3302-1702244 Корпус рычага переключения передач
Подробнее
Дополнительная информация:
Кол-во на "2705-0000012, 2705-0000014, 2705-0000022, 2705-0000024, 2705-0000032, 2705-0000034, 2705-0000042, 2705-0000044" 1
Модель 3302
Группа Коробка передач
Подгруппа Механизм переключения передач
Порядковый номер детали 244
ОКПО класс 45 Изделия автомобильной промышленности
ОКПО подкласс 3 Агрегаты, узлы и детали автомобилей грузовых, специализированных, автопогрузчиков и кузовов- фургонов специальных
Вид покрытия 0 - без покрытия (П)
Корпус ГАЗ-3302 рычага переключения передач ОАО ГАЗ 3302-3802029 Штуцер гибкого вала привода спидометра в сборе
Подробнее
Дополнительная информация:
Кол-во на "2705-0000012, 2705-0000014, 2705-0000022, 2705-0000024, 2705-0000032, 2705-0000034, 2705-0000042, 2705-0000044" 1
Модель 3302
Группа Приборы
Подгруппа Спидометр
Порядковый номер детали 029
  Код Название Артикул Цена
Штуцер ГАЗ-3302 привода спидометра ОАО ГАЗ 096824 Штуцер ГАЗ-3302 привода спидометра ОАО ГАЗ 3302-3802029 550,00 р.
3302-3802030 Штуцер гибкого вала привода спидометра
Подробнее
Дополнительная информация:
Кол-во на "2705-0000012, 2705-0000014, 2705-0000022, 2705-0000024, 2705-0000032, 2705-0000034, 2705-0000042, 2705-0000044" 1
Модель 3302
Группа Приборы
Подгруппа Спидометр
Порядковый номер детали 030
Штуцер ГАЗ-3302 привода спидометра ОАО ГАЗ 3302-3802034 Шестерня привода спидометра ведомая
Подробнее
Дополнительная информация:
Кол-во на "2705-0000012, 2705-0000014, 2705-0000022, 2705-0000024, 2705-0000032, 2705-0000034, 2705-0000042, 2705-0000044" 1
Модель 3302
Группа Приборы
Подгруппа Спидометр
Порядковый номер детали 034
ОКПО класс 45 Изделия автомобильной промышленности
ОКПО подкласс 3 Агрегаты, узлы и детали автомобилей грузовых, специализированных, автопогрузчиков и кузовов- фургонов специальных
Вид покрытия 0 - без покрытия (П)
  Код Название Артикул Цена
Шестерня привода спидометра ГАЗ-3302 ведомая ОАО ГАЗ 020750 Шестерня привода спидометра ГАЗ-3302 ведомая ОАО ГАЗ 3302-3802034 390,00 р.
45 9376 1167 Болт М10-6gх35
Подробнее
Дополнительная информация:
ОКПО класс 45 Изделия автомобильной промышленности
ОКПО подкласс 9 Унифицированные узлы, детали и крепежные изделия, применяемые в автомобильной промышленности, и ремонтно-эксплуатационные комплекты
Вид изделия 30-39 - болты
Вид покрытия 1 - цинковое с хроматированием (цинкование и пассивирование(П29)
508607-П Шарик
Подробнее
Дополнительная информация:
Кол-во на "2705-0000012, 2705-0000014, 2705-0000022, 2705-0000024, 2705-0000032, 2705-0000034, 2705-0000042, 2705-0000044" 3
Покрытие без покрытия
52-1702097 Предохранитель включений первой и второй передач и заднего хода
Подробнее
Дополнительная информация:
Кол-во на "2705-0000012, 2705-0000014, 2705-0000022, 2705-0000024, 2705-0000032, 2705-0000034, 2705-0000042, 2705-0000044" 2
Модель 52
Группа Коробка передач
Подгруппа Механизм переключения передач
Порядковый номер детали 097
ЫШ 3.609.016 Выключатель света заднего хода (В14.3710)
Подробнее
Дополнительная информация:
Кол-во на "2705-0000012, 2705-0000014, 2705-0000022, 2705-0000024, 2705-0000032, 2705-0000034, 2705-0000042, 2705-0000044" 1