← Генератор двигателей ЗМЗ-402 Катушка зажигания, датчик-распределитель, провода и свечи двигателей ЗМЗ-402 →
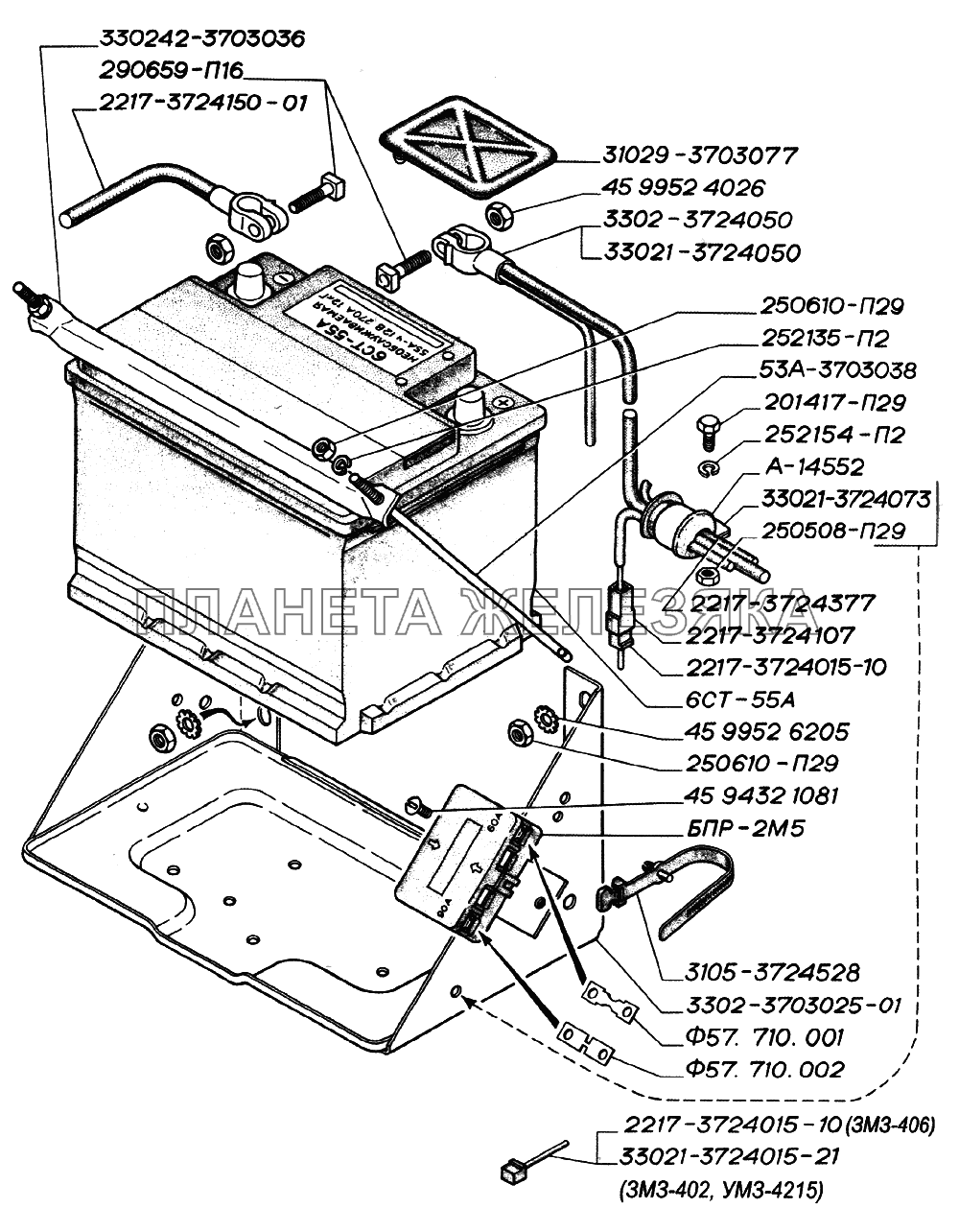
Батарея аккумуляторная, крепление батареи и проводов, блок предохранителей ГАЗ-2705 (дв. УМЗ-4215)
  Номер детали Наименование детали  
201417-П29 Болт М6-6gх14 ОСТ 37.001.123-96
Подробнее
Дополнительная информация:
Покрытие цинкование и пассивирование (цинковое с хроматированием)
  Код Название Артикул Цена
Болт М6х14 многоцелевой РААЗ 091572 Болт М6х14 многоцелевой РААЗ 201417-П29 4,00 р.
2217-3724015-10 Жгут 1
Подробнее
Дополнительная информация:
Кол-во на "2705-0000012, 2705-0000014, 2705-0000022, 2705-0000024, 2705-0000032, 2705-0000034, 2705-0000042, 2705-0000044" 1
Модель 2217
Группа Электрооборудование
Подгруппа Электропровода
Порядковый номер детали 015
Дополнительно Не взаимозаменяема с деталью, выпущенной ранее под этим же номером
2217-3724107 Провод
Подробнее
Дополнительная информация:
Кол-во на "2705-0000012, 2705-0000014, 2705-0000022, 2705-0000024, 2705-0000032, 2705-0000034, 2705-0000042, 2705-0000044" 1
Модель 2217
Группа Электрооборудование
Подгруппа Электропровода
Порядковый номер детали 107
Болт М6х14 многоцелевой РААЗ 2217-3724150-01 Провод «на массу»
Подробнее
Дополнительная информация:
Кол-во на "2705-0000012, 2705-0000014, 2705-0000022, 2705-0000024, 2705-0000032, 2705-0000034, 2705-0000042, 2705-0000044" 1
Модель 2217
Группа Электрооборудование
Подгруппа Электропровода
Порядковый номер детали 150
  Код Название Артикул Цена
Провод АКБ "-" ГАЗ-3302 от АКБ к лонжерону 203059 Провод АКБ "-" ГАЗ-3302 от АКБ к лонжерону 2217-3724150-01 1 290,00 р.
2217-3724377 Провод на генератор
Подробнее
Дополнительная информация:
Кол-во на "2705-0000012, 2705-0000014, 2705-0000022, 2705-0000024, 2705-0000032, 2705-0000034, 2705-0000042, 2705-0000044" 1
Модель 2217
Группа Электрооборудование
Подгруппа Электропровода
Порядковый номер детали 377
250508-П29 Гайка М6-6Н ОСТ 37.001.124-93
Подробнее
Дополнительная информация:
Покрытие цинкование и пассивирование (цинковое с хроматированием)
250610-П29 Гайка М8-6Н ОСТ 37.001.124-93
Подробнее
Дополнительная информация:
Покрытие цинкование и пассивирование (цинковое с хроматированием)
252135-П2 Шайба 8Т ОСТ 37.001.115-75
Подробнее
Дополнительная информация:
Покрытие фосфатирование и промасливание
252154-П2 Шайба 6Л ОСТ 37.001.115-75
Подробнее
Дополнительная информация:
Покрытие фосфатирование и промасливание
290659-П16 Болт М8-6gх30
Подробнее
Дополнительная информация:
Покрытие свинцевание
31029-3703077 Козырек защитный аккумуляторной батареи
Подробнее
Дополнительная информация:
Кол-во на "2705-0000012, 2705-0000014, 2705-0000022, 2705-0000024, 2705-0000032, 2705-0000034, 2705-0000042, 2705-0000044" 1
Модель 31029
Группа Электрооборудование
Подгруппа Батарея аккумуляторная
Порядковый номер детали 077
3105-3724528 Хомут
Подробнее
Дополнительная информация:
Кол-во на "2705-0000012, 2705-0000014, 2705-0000022, 2705-0000024, 2705-0000032, 2705-0000034, 2705-0000042, 2705-0000044" 14
Модель 3105
Группа Электрооборудование
Подгруппа Электропровода
Порядковый номер детали 528
3302-3703025-01 Основание аккумуляторной батареи
Подробнее
Дополнительная информация:
Кол-во на "2705-0000012, 2705-0000014, 2705-0000022, 2705-0000024, 2705-0000032, 2705-0000034, 2705-0000042, 2705-0000044" 1
Модель 3302
Группа Электрооборудование
Подгруппа Батарея аккумуляторная
Порядковый номер детали 025
Провод АКБ "-" ГАЗ-3302 от АКБ к лонжерону 3302-3724050 Провод 50 от АБ к стартеру
Подробнее
Дополнительная информация:
Кол-во на "2705-0000012, 2705-0000014, 2705-0000022, 2705-0000024, 2705-0000032, 2705-0000034, 2705-0000042, 2705-0000044" 1
Модель 3302
Группа Электрооборудование
Подгруппа Электропровода
Порядковый номер детали 050
  Код Название Артикул Цена
Провод АКБ "+" ГАЗ-3302 дв.ЗМЗ-406 022535 Провод АКБ "+" ГАЗ-3302 дв.ЗМЗ-406 3302-3724050 1 350,00 р.
Провод АКБ "+" ГАЗ-3302 дв.ЗМЗ-406 L=730мм клемма одноконт.штамп. CARGEN 458043 Провод АКБ "+" ГАЗ-3302 дв.ЗМЗ-406 L=730мм клемма одноконт.штамп. CARGEN 3302-3724050 750,00 р.
33021-3724015-21 Жгут 1
Подробнее
Дополнительная информация:
Кол-во на "2705-0000012, 2705-0000014, 2705-0000022, 2705-0000024, 2705-0000032, 2705-0000034, 2705-0000042, 2705-0000044" 1
Модель 33021
Группа Электрооборудование
Подгруппа Электропровода
Порядковый номер детали 015
Дополнительно Не взаимозаменяема с деталью, выпущенной ранее под этим же номером
Провод АКБ "+" ГАЗ-3302 дв.ЗМЗ-406 L=730мм клемма одноконт.штамп. CARGEN 33021-3724050 Провод
Подробнее
Дополнительная информация:
Кол-во на "2705-0000012, 2705-0000014, 2705-0000022, 2705-0000024, 2705-0000032, 2705-0000034, 2705-0000042, 2705-0000044" 1
Модель 33021
Группа Электрооборудование
Подгруппа Электропровода
Порядковый номер детали 050
  Код Название Артикул Цена
Провод АКБ "+" ГАЗ-3302 дв.ЗМЗ-402 L=1220мм клемма одноконт.штамп. CARGEN 458042 Провод АКБ "+" ГАЗ-3302 дв.ЗМЗ-402 L=1220мм клемма одноконт.штамп. CARGEN 33021-3724050 1 060,00 р.
33021-3724073 Скоба
Подробнее
Дополнительная информация:
Кол-во на "2705-0000012, 2705-0000014, 2705-0000022, 2705-0000024, 2705-0000032, 2705-0000034, 2705-0000042, 2705-0000044" 1
Модель 33021
Группа Электрооборудование
Подгруппа Электропровода
Порядковый номер детали 073
330242-3703036 Планка крепления аккумуляторной батареи
Подробнее
Дополнительная информация:
Кол-во на "2705-0000012, 2705-0000014, 2705-0000022, 2705-0000024, 2705-0000032, 2705-0000034, 2705-0000042, 2705-0000044" 1
Модель 330242
Группа Электрооборудование
Подгруппа Батарея аккумуляторная
Порядковый номер детали 036
  Код Название Артикул Цена
686910 Планка АКБ ГАЗ-3302 Н/О СБ ОАО ГАЗ 330242-3703036 270,00 р.
45 9432 1081 Винт М5-6gх14
Подробнее
Дополнительная информация:
ОКПО класс 45 Изделия автомобильной промышленности
ОКПО подкласс 9 Унифицированные узлы, детали и крепежные изделия, применяемые в автомобильной промышленности, и ремонтно-эксплуатационные комплекты
Вид изделия 40-49 - винты
Вид покрытия 1 - цинковое с хроматированием (цинкование и пассивирование(П29)
45 9952 4026 Гайка М8
Подробнее
Дополнительная информация:
ОКПО класс 45 Изделия автомобильной промышленности
ОКПО подкласс 9 Унифицированные узлы, детали и крепежные изделия, применяемые в автомобильной промышленности, и ремонтно-эксплуатационные комплекты
Вид изделия 90-99 - детали, соединяющие трубопроводы, резьбовые пробки
Вид покрытия 4 - многослойное медь-никель-хром (хромирование блестящее с полировкой (П13)
45 9952 6205 Шайба 8
Подробнее
Дополнительная информация:
ОКПО класс 45 Изделия автомобильной промышленности
ОКПО подкласс 9 Унифицированные узлы, детали и крепежные изделия, применяемые в автомобильной промышленности, и ремонтно-эксплуатационные комплекты
Вид изделия 90-99 - детали, соединяющие трубопроводы, резьбовые пробки
Вид покрытия 6 - фосфатное с промасливанием (П2)
53A-3703038 Стяжка крепления планки
Подробнее
Дополнительная информация:
Кол-во на "2705-0000012, 2705-0000014, 2705-0000022, 2705-0000024, 2705-0000032, 2705-0000034, 2705-0000042, 2705-0000044" 2
Модель 53A
Группа Электрооборудование
Подгруппа Батарея аккумуляторная
Порядковый номер детали 038
6СТ-55А Батарея аккумуляторная (3110.3703011-04)
Подробнее
Дополнительная информация:
Кол-во на "2705-0000012, 2705-0000014, 2705-0000022, 2705-0000024, 2705-0000032, 2705-0000034, 2705-0000042, 2705-0000044" 1
6СТ-55ПМА Батарея аккумуляторная (НАКИ.563412.005)
Подробнее
Дополнительная информация:
Кол-во на "2705-0000012, 2705-0000014, 2705-0000022, 2705-0000024, 2705-0000032, 2705-0000034, 2705-0000042, 2705-0000044" 1
А-14552 Втулка
Подробнее
Дополнительная информация:
Кол-во на "2705-0000012, 2705-0000014, 2705-0000022, 2705-0000024, 2705-0000032, 2705-0000034, 2705-0000042, 2705-0000044" 1
Планка АКБ ГАЗ-3302 Н/О СБ ОАО ГАЗ БПР-2М5 Блок предохранителей (Ф5.3722.005)
Подробнее
Дополнительная информация:
Кол-во на "2705-0000012, 2705-0000014, 2705-0000022, 2705-0000024, 2705-0000032, 2705-0000034, 2705-0000042, 2705-0000044" 1
  Код Название Артикул Цена
Блок предохранителей ГАЗ-3302 БИЗНЕС ЕВРО-3 367974 Блок предохранителей ГАЗ-3302 БИЗНЕС ЕВРО-3 БПР-2М5 250,00 р.
Ф57.710.001 Плавкая вставка
Подробнее
Дополнительная информация:
Кол-во на "2705-0000012, 2705-0000014, 2705-0000022, 2705-0000024, 2705-0000032, 2705-0000034, 2705-0000042, 2705-0000044" 1
Ф57.710.002 Плавкая вставка
Подробнее
Дополнительная информация:
Кол-во на "2705-0000012, 2705-0000014, 2705-0000022, 2705-0000024, 2705-0000032, 2705-0000034, 2705-0000042, 2705-0000044" 1