| |
№ |
Номер детали |
Наименование детали |
|
|
|
|
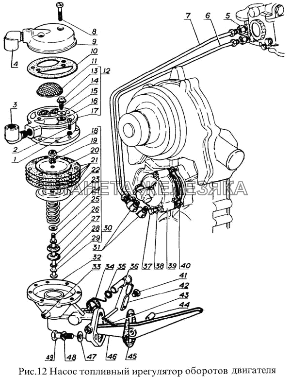
130-1110994 |
Сальник ротора
Подробнее
Дополнительная информация:
| Кол-во на "3205" |
1 |
| РќРѕСЂРјР° РЅР° РіРѕРґ |
35 |
| Модель |
130 |
| Группа |
Cистема питания двигателя |
| Подгруппа |
Ограничитель частоты вращения коленчатого вала двигателя |
| Порядковый номер детали |
994 |
| ОКПО класс |
45 Изделия автомобильной промышленности |
| ОКПО подкласс |
3 Агрегаты, узлы и детали автомобилей грузовых, специализированных, автопогрузчиков и кузовов- фургонов специальных |
| Вид изделия |
30-39 - болты |
| Вид покрытия |
0 - без покрытия (П) |
|
|
|
|
10 |
13-1106058 |
Прокладка крышки бензинового насоса
Подробнее
Дополнительная информация:
| Кол-во на "3205" |
1 |
| РќРѕСЂРјР° РЅР° РіРѕРґ |
16 |
| Модель |
13 |
| Группа |
Cистема питания двигателя |
| Подгруппа |
Насос топливный низкого давления |
| Порядковый номер детали |
058 |
|
|
|
|
11 |
51А-1106045 |
Фильтр бензинового насоса
Подробнее
Дополнительная информация:
| Кол-во на "3205" |
1 |
| РќРѕСЂРјР° РЅР° РіРѕРґ |
8 |
| Модель |
51Рђ |
| Группа |
Cистема питания двигателя |
| Подгруппа |
Насос топливный низкого давления |
| Порядковый номер детали |
045 |
|
|
|
|
14 |
51А-1106027 |
Пружина клапана бензинового насоса
Подробнее
Дополнительная информация:
| Кол-во на "3205" |
3 |
| РќРѕСЂРјР° РЅР° РіРѕРґ |
80 |
| Модель |
51Рђ |
| Группа |
Cистема питания двигателя |
| Подгруппа |
Насос топливный низкого давления |
| Порядковый номер детали |
027 |
|
|
|
|
16 |
13-1106022-Б |
Клапан бензинового насоса
Подробнее
Дополнительная информация:
| Кол-во на "3205" |
3 |
| РќРѕСЂРјР° РЅР° РіРѕРґ |
30 |
| Модель |
13 |
| Группа |
Cистема питания двигателя |
| Подгруппа |
Насос топливный низкого давления |
| Порядковый номер детали |
022 |
| Дополнительно |
Взаимозаменяема с деталью, выпущенной ранее под этим же номером |
|
|
|
|
17 |
51А-1106015-А |
Головка бензинового насоса
Подробнее
Дополнительная информация:
| Кол-во на "3205" |
1 |
| РќРѕСЂРјР° РЅР° РіРѕРґ |
2,5 |
| Модель |
51Рђ |
| Группа |
Cистема питания двигателя |
| Подгруппа |
Насос топливный низкого давления |
| Порядковый номер детали |
015 |
| Дополнительно |
Взаимозаменяема с деталью, выпущенной ранее под этим же номером |
| ОКПО класс |
45 Изделия автомобильной промышленности |
| ОКПО подкласс |
7 Аппаратура топливная, электрооборудование и приборы автомобилей, тракторов, сельскохозяйственных машин и мотоциклов, оборудование гаражное для автотранспортных средств. Узлы и детали гаражного оборудования |
| Вид изделия |
30-39 - болты |
| Вид покрытия |
7 - цинковое с фосфатированием (П53) |
|
|
|
|
21 |
13-1106142 |
Диафрагма бензинового насоса
Подробнее
Дополнительная информация:
| Кол-во на "3205" |
4 |
| РќРѕСЂРјР° РЅР° РіРѕРґ |
120 |
| Модель |
13 |
| Группа |
Cистема питания двигателя |
| Подгруппа |
Насос топливный низкого давления |
| Порядковый номер детали |
142 |
|
|
|
|
23 |
51А-1106150 |
Пружина диафрагмы бензинового насоса
Подробнее
Дополнительная информация:
| Кол-во на "3205" |
1 |
| РќРѕСЂРјР° РЅР° РіРѕРґ |
4 |
| Модель |
51Рђ |
| Группа |
Cистема питания двигателя |
| Подгруппа |
Насос топливный низкого давления |
| Порядковый номер детали |
150 |
|
|
|
|
30 |
51А-1106140 |
Диафрагма бензинового насоса
Подробнее
Дополнительная информация:
| Кол-во на "3205" |
1 |
| РќРѕСЂРјР° РЅР° РіРѕРґ |
9 |
| Модель |
51Рђ |
| Группа |
Cистема питания двигателя |
| Подгруппа |
Насос топливный низкого давления |
| Порядковый номер детали |
140 |
|
|
|
|
32 |
13-1106011 |
Насос бензиновый
Подробнее
Дополнительная информация:
| Кол-во на "3205" |
1 |
| РќРѕСЂРјР° РЅР° РіРѕРґ |
8 |
| Модель |
13 |
| Группа |
Cистема питания двигателя |
| Подгруппа |
Насос топливный низкого давления |
| Порядковый номер детали |
011 |
| ОКПО класс |
45 Изделия автомобильной промышленности |
| ОКПО подкласс |
7 Аппаратура топливная, электрооборудование и приборы автомобилей, тракторов, сельскохозяйственных машин и мотоциклов, оборудование гаражное для автотранспортных средств. Узлы и детали гаражного оборудования |
| Вид изделия |
30-39 - болты |
| Вид покрытия |
7 - цинковое с фосфатированием (П53) |
|
|
|
|
32 |
13-1106094 |
Корпус бензинового насоса
Подробнее
Дополнительная информация:
| Кол-во на "3205" |
1 |
| РќРѕСЂРјР° РЅР° РіРѕРґ |
3,5 |
| Модель |
13 |
| Группа |
Cистема питания двигателя |
| Подгруппа |
Насос топливный низкого давления |
| Порядковый номер детали |
094 |
|
|
|
34 |
51-1106175 |
Пружина акселератора (норма упаковки 1 т. шт., 21 кг.)
Подробнее
Дополнительная информация:
| Кол-во на "3205" |
1 |
| РќРѕСЂРјР° РЅР° РіРѕРґ |
7 |
| Модель |
51 |
| Группа |
Cистема питания двигателя |
| Подгруппа |
Насос топливный низкого давления |
| Порядковый номер детали |
175 |
| ОКПО класс |
45 Изделия автомобильной промышленности |
| ОКПО подкласс |
3 Агрегаты, узлы и детали автомобилей грузовых, специализированных, автопогрузчиков и кузовов- фургонов специальных |
| Вид покрытия |
0 - без покрытия (П) |
|
|
|
|
|
|
36 |
51А-1106128 |
Валик рычага привода бензинового насоса
Подробнее
Дополнительная информация:
| Кол-во на "3205" |
1 |
| РќРѕСЂРјР° РЅР° РіРѕРґ |
5 |
| Модель |
51Рђ |
| Группа |
Cистема питания двигателя |
| Подгруппа |
Насос топливный низкого давления |
| Порядковый номер детали |
128 |
|
|
|
|
39 |
130-1110920 |
Центробежный датчик
Подробнее
Дополнительная информация:
| Кол-во на "3205" |
1 |
| РќРѕСЂРјР° РЅР° РіРѕРґ |
10 |
| Модель |
130 |
| Группа |
Cистема питания двигателя |
| Подгруппа |
Ограничитель частоты вращения коленчатого вала двигателя |
| Порядковый номер детали |
920 |
| ОКПО класс |
45 Изделия автомобильной промышленности |
| ОКПО подкласс |
3 Агрегаты, узлы и детали автомобилей грузовых, специализированных, автопогрузчиков и кузовов- фургонов специальных |
| Вид изделия |
30-39 - болты |
| Вид покрытия |
0 - без покрытия (П) |
|
|
|
|
40 |
66-1110532-Б |
Прокладка центробежного датчика
Подробнее
Дополнительная информация:
| Кол-во на "3205" |
1 |
| РќРѕСЂРјР° РЅР° РіРѕРґ |
16 |
| Модель |
66 |
| Группа |
Cистема питания двигателя |
| Подгруппа |
Ограничитель частоты вращения коленчатого вала двигателя |
| Порядковый номер детали |
532 |
| Дополнительно |
Взаимозаменяема с деталью, выпущенной ранее под этим же номером |
| ОКПО класс |
45 Изделия автомобильной промышленности |
| ОКПО подкласс |
6 Двигатели автомобильные и мотоциклетные, их узлы и детали |
| Вид изделия |
90-99 - детали, соединяющие трубопроводы, резьбовые пробки |
| Вид покрытия |
0 - без покрытия (П) |
|
|
|
|
43 |
51А-1106118 |
Пружина рычага бензинового насоса
Подробнее
Дополнительная информация:
| Кол-во на "3205" |
1 |
| РќРѕСЂРјР° РЅР° РіРѕРґ |
5 |
| Модель |
51Рђ |
| Группа |
Cистема питания двигателя |
| Подгруппа |
Насос топливный низкого давления |
| Порядковый номер детали |
118 |
| ОКПО класс |
45 Изделия автомобильной промышленности |
| ОКПО подкласс |
7 Аппаратура топливная, электрооборудование и приборы автомобилей, тракторов, сельскохозяйственных машин и мотоциклов, оборудование гаражное для автотранспортных средств. Узлы и детали гаражного оборудования |
| Вид покрытия |
7 - цинковое с фосфатированием (П53) |
|
|
|
|
44 |
13-1106124-Б |
Втулка рычага бензинового насоса
Подробнее
Дополнительная информация:
| Кол-во на "3205" |
1 |
| РќРѕСЂРјР° РЅР° РіРѕРґ |
8 |
| Модель |
13 |
| Группа |
Cистема питания двигателя |
| Подгруппа |
Насос топливный низкого давления |
| Порядковый номер детали |
124 |
| Дополнительно |
Взаимозаменяема с деталью, выпущенной ранее под этим же номером |
| ОКПО класс |
45 Изделия автомобильной промышленности |
| ОКПО подкласс |
7 Аппаратура топливная, электрооборудование и приборы автомобилей, тракторов, сельскохозяйственных машин и мотоциклов, оборудование гаражное для автотранспортных средств. Узлы и детали гаражного оборудования |
| Вид покрытия |
7 - цинковое с фосфатированием (П53) |
|
|
|
45 |
13-1106170 |
Прокладка бензонасоса к блоку
Подробнее
Дополнительная информация:
| Кол-во на "3205" |
1 |
| РќРѕСЂРјР° РЅР° РіРѕРґ |
30 |
| Модель |
13 |
| Группа |
Cистема питания двигателя |
| Подгруппа |
Насос топливный низкого давления |
| Порядковый номер детали |
170 |
| ОКПО класс |
45 Изделия автомобильной промышленности |
| ОКПО подкласс |
4 Агрегаты, узлы и детали автомобилей легковых, мотоциклов, велосипедов и электромобилей |
| Вид изделия |
50-54 - шпильки |
| Вид покрытия |
0 - без покрытия (П) |
|
|
|
|
|
|
46 |
13-1106108 |
Рычаг бензинового насоса
Подробнее
Дополнительная информация:
| Кол-во на "3205" |
1 |
| РќРѕСЂРјР° РЅР° РіРѕРґ |
7 |
| Модель |
13 |
| Группа |
Cистема питания двигателя |
| Подгруппа |
Насос топливный низкого давления |
| Порядковый номер детали |
108 |
|
|