← 5297-3506180-76 Установка охладителя 53205-3509015 Компрессор →
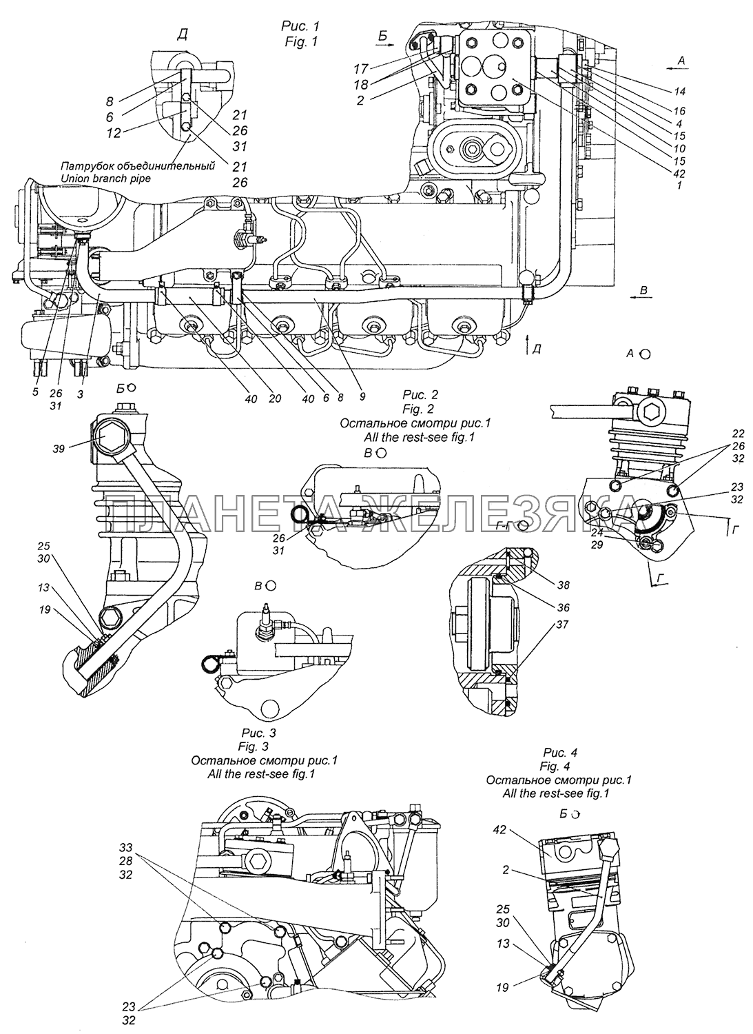
740.31-3509004, 740.31-3509004-01 Установка компрессора Шасси КамАЗ-5297
  Номер детали Наименование детали  
740.31-3509004 Установка компрессора
Подробнее
Дополнительная информация:
Кол-во на "5297-3902006 КД (с газовым двигателем 820.60-260 Евро 4)" 1
Модель 740.31
Группа Тормоза
Подгруппа Компрессор пневмотормозов
Порядковый номер детали 004
740.31-3509004-01 Установка компрессора
Подробнее
Дополнительная информация:
Кол-во на "5297-3902006 КД (с газовым двигателем 820.60-260 Евро 4)" 1
Модель 740.31
Группа Тормоза
Подгруппа Компрессор пневмотормозов
Порядковый номер детали 004
1 53205-3509015 Компрессор в сборе
Подробнее
Дополнительная информация:
Кол-во на "5297-3902006 КД (с газовым двигателем 820.60-260 Евро 4)" 1
Примечание Нет
Модель 53205
Группа Тормоза
Подгруппа Компрессор пневмотормозов
Порядковый номер детали 015
2 740.31-3509290 Труба подвода охлаждающей жидкости компрессору
Подробнее
Дополнительная информация:
Кол-во на "5297-3902006 КД (с газовым двигателем 820.60-260 Евро 4)" 1
Примечание Нет
Модель 740.31
Группа Тормоза
Подгруппа Компрессор пневмотормозов
Порядковый номер детали 290
2 740.3509290-10 Труба подвода охлаждающей жидкости к компрессору
Подробнее
Дополнительная информация:
Кол-во на "5297-3902006 КД (с газовым двигателем 820.60-260 Евро 4)" 1
Примечание Нет
Модель 740
Группа Тормоза
Подгруппа Компрессор пневмотормозов
Порядковый номер детали 290
Дополнительно Не взаимозаменяема с деталью, выпущенной ранее под этим же номером
  Код Название Артикул Цена
Трубка КАМАЗ подвода воды одноцилиндрового компрессора КАМАЗ ПАО 433239 Трубка КАМАЗ подвода воды одноцилиндрового компрессора КАМАЗ ПАО 740.3509290-10 1 365,00 р.
3 740.11-3509287 Труба
Подробнее
Дополнительная информация:
Кол-во на "5297-3902006 КД (с газовым двигателем 820.60-260 Евро 4)" 1
Модель 740.11
Группа Тормоза
Подгруппа Компрессор пневмотормозов
Порядковый номер детали 287
4 740.11-3509289 Труба подвода воздуха к компрессору
Подробнее
Дополнительная информация:
Кол-во на "5297-3902006 КД (с газовым двигателем 820.60-260 Евро 4)" 1
Модель 740.11
Группа Тормоза
Подгруппа Компрессор пневмотормозов
Порядковый номер детали 289
Трубка КАМАЗ подвода воды одноцилиндрового компрессора КАМАЗ ПАО 5 7405.1118335 Прокладка
Подробнее
Дополнительная информация:
Кол-во на "5297-3902006 КД (с газовым двигателем 820.60-260 Евро 4)" 1
Модель 7405
Группа Cистема питания двигателя
Подгруппа 1118
Порядковый номер детали 335
  Код Название Артикул Цена
Прокладка КАМАЗ турбокомпрессора 1,0мм 676400 Прокладка КАМАЗ турбокомпрессора 1,0мм 7405.1118335 5,00 р.
6 740.11-3509032 Кляммер Г 25
Подробнее
Дополнительная информация:
Кол-во на "5297-3902006 КД (с газовым двигателем 820.60-260 Евро 4)" 2
Модель 740.11
Группа Тормоза
Подгруппа Компрессор пневмотормозов
Порядковый номер детали 032
8 740.11-3509035 Прокладка
Подробнее
Дополнительная информация:
Кол-во на "5297-3902006 КД (с газовым двигателем 820.60-260 Евро 4)" 2
Модель 740.11
Группа Тормоза
Подгруппа Компрессор пневмотормозов
Порядковый номер детали 035
9 5297-3506192-22 Трубка
Подробнее
Дополнительная информация:
Кол-во на "5297-3902006 КД (с газовым двигателем 820.60-260 Евро 4)" 1
Примечание Нет
Модель 5297
Группа Тормоза
Подгруппа Трубопроводы пневмотормозов
Порядковый номер детали 192
Дополнительно Не взаимозаменяема с деталью, выпущенной ранее под этим же номером
9 5297-3506192-32 Трубка
Подробнее
Дополнительная информация:
Кол-во на "5297-3902006 КД (с газовым двигателем 820.60-260 Евро 4)" 1
Примечание Нет
Модель 5297
Группа Тормоза
Подгруппа Трубопроводы пневмотормозов
Порядковый номер детали 192
Дополнительно Не взаимозаменяема с деталью, выпущенной ранее под этим же номером
10 740.11-3509271 Штуцер
Подробнее
Дополнительная информация:
Кол-во на "5297-3902006 КД (с газовым двигателем 820.60-260 Евро 4)" 1
Модель 740.11
Группа Тормоза
Подгруппа Компрессор пневмотормозов
Порядковый номер детали 271
12 740.11-3509275 Пластина
Подробнее
Дополнительная информация:
Кол-во на "5297-3902006 КД (с газовым двигателем 820.60-260 Евро 4)" 1
Модель 740.11
Группа Тормоза
Подгруппа Компрессор пневмотормозов
Порядковый номер детали 275
Прокладка КАМАЗ турбокомпрессора 1,0мм 13 740.3509294 Фланец трубки
Подробнее
Дополнительная информация:
Кол-во на "5297-3902006 КД (с газовым двигателем 820.60-260 Евро 4)" 1
Модель 740
Группа Тормоза
Подгруппа Компрессор пневмотормозов
Порядковый номер детали 294
  Код Название Артикул Цена
Фланец КАМАЗ трубки компрессора КАМАЗ ПАО 935319 Фланец КАМАЗ трубки компрессора КАМАЗ ПАО 740.3509294 195,00 р.
14 740.3509300 Болт
Подробнее
Дополнительная информация:
Кол-во на "5297-3902006 КД (с газовым двигателем 820.60-260 Евро 4)" 1
Модель 740
Группа Тормоза
Подгруппа Компрессор пневмотормозов
Порядковый номер детали 300
15 740.3509301 Прокладка
Подробнее
Дополнительная информация:
Кол-во на "5297-3902006 КД (с газовым двигателем 820.60-260 Евро 4)" 3
Модель 740
Группа Тормоза
Подгруппа Компрессор пневмотормозов
Порядковый номер детали 301
16 740.3509301-10 Прокладка
Подробнее
Дополнительная информация:
Кол-во на "5297-3902006 КД (с газовым двигателем 820.60-260 Евро 4)" 1
Модель 740
Группа Тормоза
Подгруппа Компрессор пневмотормозов
Порядковый номер детали 301
Дополнительно Не взаимозаменяема с деталью, выпущенной ранее под этим же номером
17 740.3509302 Болт
Подробнее
Дополнительная информация:
Кол-во на "5297-3902006 КД (с газовым двигателем 820.60-260 Евро 4)" 1
Модель 740
Группа Тормоза
Подгруппа Компрессор пневмотормозов
Порядковый номер детали 302
18 740.3509303 Прокладка
Подробнее
Дополнительная информация:
Кол-во на "5297-3902006 КД (с газовым двигателем 820.60-260 Евро 4)" 2
Модель 740
Группа Тормоза
Подгруппа Компрессор пневмотормозов
Порядковый номер детали 303
19 740.3509340 Кольцо уплотнительное
Подробнее
Дополнительная информация:
Кол-во на "5297-3902006 КД (с газовым двигателем 820.60-260 Евро 4)" 1
Модель 740
Группа Тормоза
Подгруппа Компрессор пневмотормозов
Порядковый номер детали 340
20 55102-8609116 Рукав
Подробнее
Дополнительная информация:
Кол-во на "5297-3902006 КД (с газовым двигателем 820.60-260 Евро 4)" 1
Модель 55102
Группа Механизм опрокидывающий платформы автомобиля-самосвала
Подгруппа Маслопроводы
Порядковый номер детали 116
21 1/60432/21 Болт М8-6gх16
Подробнее
Дополнительная информация:
Кол-во на "5297-3902006 КД (с газовым двигателем 820.60-260 Евро 4)" 2
Примечание Нет
Крепежная деталь да
Материал сталь 80 (сталь с пределом прочности на разрыв 784-980 (80-100) МПа (кг/мм2)
Покрытие цинкование
23 1/59726/31 Болт М10х1,25-6gх140
Подробнее
Дополнительная информация:
Кол-во на "5297-3902006 КД (с газовым двигателем 820.60-260 Евро 4)" 2
Примечание Нет
Крепежная деталь да
Материал сталь 100 (сталь с пределом прочности на разрыв 980-1176 (100-120) МПа (кг/мм2)
Покрытие цинкование
25 1/58962/21 Гайка М6-6Н
Подробнее
Дополнительная информация:
Кол-во на "5297-3902006 КД (с газовым двигателем 820.60-260 Евро 4)" 2
Примечание Нет
Крепежная деталь да
Материал сталь 80 (сталь с пределом прочности на разрыв 784-980 (80-100) МПа (кг/мм2)
Покрытие цинкование
26 1/61008/11 Гайка М8х1,25-6Н
Подробнее
Дополнительная информация:
Кол-во на "5297-3902006 КД (с газовым двигателем 820.60-260 Евро 4)" 4
Примечание Нет
Крепежная деталь да
Материал сталь 50 (сталь с пределом прочности на разрыв 490-784 (50-80) МПа (кг/мм2)
Покрытие цинкование
28 1/26386/01 Шайба плоская 10,6х18х2
Подробнее
Дополнительная информация:
Кол-во на "5297-3902006 КД (с газовым двигателем 820.60-260 Евро 4)" 2
Примечание Нет
Крепежная деталь да
Материал сталь 40 (сталь с пределом прочности на разрыв 333-490 (34-50) МПа (кг/мм2)
Покрытие цинкование
29 1/26014/73 Шайба 10 волнистая
Подробнее
Дополнительная информация:
Кол-во на "5297-3902006 КД (с газовым двигателем 820.60-260 Евро 4)" 1
Примечание Нет
Крепежная деталь да
Материал другие металлические материалы, т. е. не сталь, не латунь, не легкий сплав, не медь
Покрытие фосфатирование
30 1/05164/73 Шайба 6 пружинная
Подробнее
Дополнительная информация:
Кол-во на "5297-3902006 КД (с газовым двигателем 820.60-260 Евро 4)" 2
Примечание Нет
Крепежная деталь да
Материал другие металлические материалы, т. е. не сталь, не латунь, не легкий сплав, не медь
Покрытие фосфатирование
31 1/05166/73 Шайба 8 пружинная
Подробнее
Дополнительная информация:
Кол-во на "5297-3902006 КД (с газовым двигателем 820.60-260 Евро 4)" 4
Примечание Нет
Крепежная деталь да
Материал другие металлические материалы, т. е. не сталь, не латунь, не легкий сплав, не медь
Покрытие фосфатирование
32 1/05168/73 Шайба 10 пружинная
Подробнее
Дополнительная информация:
Кол-во на "5297-3902006 КД (с газовым двигателем 820.60-260 Евро 4)" 4
Примечание Нет
Крепежная деталь да
Материал другие металлические материалы, т. е. не сталь, не латунь, не легкий сплав, не медь
Покрытие фосфатирование
33 853066 Болт М10х1,25-6gх75
Подробнее
Дополнительная информация:
Кол-во на "5297-3902006 КД (с газовым двигателем 820.60-260 Евро 4)" 2
Покрытие без покрытия
Фланец КАМАЗ трубки компрессора КАМАЗ ПАО 36 53205-3509324 Кольцо уплотнительное
Подробнее
Дополнительная информация:
Кол-во на "5297-3902006 КД (с газовым двигателем 820.60-260 Евро 4)" 1
Модель 53205
Группа Тормоза
Подгруппа Компрессор пневмотормозов
Порядковый номер детали 324
  Код Название Артикул Цена
Кольцо КАМАЗ уплотнительное компрессора СТРОЙМАШ 263528 Кольцо КАМАЗ уплотнительное компрессора СТРОЙМАШ 53205-3509324 140,00 р.
Кольцо КАМАЗ уплотнительное компрессора СТРОЙМАШ 37 53205-3509322 Кольцо уплотнительное
Подробнее
Дополнительная информация:
Кол-во на "5297-3902006 КД (с газовым двигателем 820.60-260 Евро 4)" 1
Модель 53205
Группа Тормоза
Подгруппа Компрессор пневмотормозов
Порядковый номер детали 322
  Код Название Артикул Цена
Кольцо КАМАЗ уплотнительное 1-цил.компрессора 16х23 СТРОЙМАШ 337708 Кольцо КАМАЗ уплотнительное 1-цил.компрессора 16х23 СТРОЙМАШ 53205-3509322 35,00 р.
Кольцо КАМАЗ уплотнительное 1-цил.компрессора 16х23 СТРОЙМАШ 38 53205-3509320 Кольцо уплотнительное
Подробнее
Дополнительная информация:
Кол-во на "5297-3902006 КД (с газовым двигателем 820.60-260 Евро 4)" 1
Модель 53205
Группа Тормоза
Подгруппа Компрессор пневмотормозов
Порядковый номер детали 320
  Код Название Артикул Цена
Кольцо КАМАЗ уплотнительное компрессора СТРОЙМАШ 265540 Кольцо КАМАЗ уплотнительное компрессора СТРОЙМАШ 53205-3509320 40,00 р.
39 53205-3509420 Штуцер ввертный
Подробнее
Дополнительная информация:
Кол-во на "5297-3902006 КД (с газовым двигателем 820.60-260 Евро 4)" 1
Модель 53205
Группа Тормоза
Подгруппа Компрессор пневмотормозов
Порядковый номер детали 420
40 45104998010790 Хомут ТОRRО 25-40/12-С7W1
Подробнее
Дополнительная информация:
Кол-во на "5297-3902006 КД (с газовым двигателем 820.60-260 Евро 4)" 2
Примечание Нет
Группа Лебедка
Подгруппа 4510
Порядковый номер детали 499
42 45104350900990 Компрессор LP 3989
Подробнее
Дополнительная информация:
Кол-во на "5297-3902006 КД (с газовым двигателем 820.60-260 Евро 4)" 1
Примечание Нет
Группа Лебедка
Подгруппа 4510
Порядковый номер детали 435
Дополнительно Не взаимозаменяема с деталью, выпущенной ранее под этим же номером
42 45104350901390 Компрессор 5115011350
Подробнее
Дополнительная информация:
Кол-во на "5297-3902006 КД (с газовым двигателем 820.60-260 Евро 4)" 1
Примечание Нет
Группа Лебедка
Подгруппа 4510
Порядковый номер детали 435
Дополнительно Не взаимозаменяема с деталью, выпущенной ранее под этим же номером